|
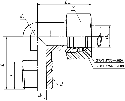
卡套式锥螺纹弯通管接头和接头体尺寸(摘自GB/T 3739—2008) mm |
||||||||||||||||
|
图1 卡套式锥螺纹弯通管接头
图2 卡套式锥螺纹弯通接头体 标记示例: 接头系列为L,管子外径为10 mm,55°密封管螺纹(R),表面镀锌处理的钢制卡套式锥螺纹弯通管接头标记为: 管接头 GB/T 3739 L10/R1/4 接头系列为L,管子外径为10 mm,55°密封管螺纹(R),表面镀锌处理的钢制卡套式锥螺纹弯通接头体标记为: 接头体 GB/T 3739 L10/R1/4 |
||||||||||||||||
|
系列 |
最大工 作压力 /MPa |
管子外径 D0 |
D |
d |
d1 参考 |
d3
|
L1
|
L7 ±0.3 |
L7c ≈ |
l
|
l5 min |
a4 参考 |
S
|
S2 |
||
|
锻制 min |
机械加工 max |
|||||||||||||||
|
LL |
10 |
4 |
M8×1 |
R1/8 |
NPT1/8 |
3 |
3 |
15.5 |
15 |
21 |
8.5 |
6 |
11 |
10 |
9 |
6 |
|
5 |
M10×1 |
R1/8 |
NPT1/8 |
3.5 |
3 |
15.5 |
15 |
21 |
8.5 |
6 |
9.5 |
12 |
9 |
6 |
||
|
6 |
M10×1 |
R1/8 |
NPT1/8 |
4.5 |
4 |
15.5 |
15 |
21 |
8.5 |
6 |
9.5 |
12 |
9 |
6 |
||
|
8 |
M12×1 |
R1/8 |
NPT1/8 |
6 |
4.5 |
16.5 |
17 |
23 |
8.5 |
7 |
11.5 |
14 |
12 |
7 |
||
|
L |
25 |
6 |
M12×1.5 |
R1/8 |
NPT1/8 |
4 |
4 |
17.5 |
19 |
27 |
8.5 |
7 |
12 |
14 |
12 |
7 |
|
8 |
M14×1.5 |
R1/4 |
NPT1/4 |
6 |
6 |
23.5 |
21 |
29 |
12.5 |
7 |
14 |
17 |
12 |
7 |
||
|
10 |
M16×1.5 |
R1/4 |
NPT1/4 |
8 |
6 |
23.5 |
22 |
30 |
12.5 |
8 |
15 |
19 |
14 |
8 |
||
|
12 |
M18×1.5 |
R3/8 |
NPT3/8 |
10 |
9 |
26 |
24 |
32 |
13 |
8 |
17 |
22 |
17 |
8 |
||
|
(14) |
M20×1.5 |
R1/2 |
NPT1/2 |
11 |
11 |
31 |
25 |
33 |
17 |
8 |
18 |
24 |
19 |
8 |
||
|
15 |
M22×1.5 |
R1/2 |
NPT1/2 |
12 |
11 |
33 |
28 |
36 |
17 |
9 |
21 |
27 |
19 |
9 |
||
|
(16) |
M24×1.5 |
R1/2 |
NPT1/2 |
14 |
12 |
35 |
30 |
39 |
17 |
9 |
22.5 |
30 |
22 |
9 |
||
|
16 |
18 |
M26×1.5 |
R1/2 |
NPT1/2 |
15 |
14 |
36 |
31 |
40 |
17 |
9 |
23.5 |
32 |
24 |
9 |
|
|
22 |
M30×2 |
R3/4 |
NPT3/4 |
19 |
18 |
39 |
35 |
44 |
18 |
10 |
27.5 |
36 |
27 |
10 |
||
|
10 |
28 |
M36×2 |
R1 |
NPT1 |
24 |
23 |
45.5 |
38 |
47 |
21.5 |
10 |
30.5 |
41 |
36 |
10 |
|
|
35 |
M45×2 |
R1¼ |
NPT1¼ |
30 |
30 |
53 |
45 |
56 |
24 |
12 |
34.5 |
50 |
41 |
12 |
||
|
42 |
M52×2 |
R1½ |
NPT1½ |
36 |
36 |
59 |
51 |
63 |
24 |
12 |
40 |
60 |
50 |
12 |
||
|
S |
40 |
6 |
M14×1.5 |
R1/4 |
NPT1/4 |
4 |
4 |
23.5 |
23 |
31 |
12.5 |
9 |
16 |
17 |
12 |
9 |
|
8 |
M16×1.5 |
R1/4 |
NPT1/4 |
5 |
5 |
24.5 |
24 |
32 |
12.5 |
9 |
17 |
19 |
14 |
9 |
||
|
10 |
M18×1.5 |
R3/8 |
NPT3/8 |
7 |
7 |
26 |
25 |
34 |
13 |
9 |
17.5 |
22 |
17 |
9 |
||
|
12 |
M20×1.5 |
R3/8 |
NPT3/8 |
8 |
8 |
27 |
26 |
35 |
13 |
9 |
18.5 |
24 |
17 |
9 |
||
|
(14) |
M22×1.5 |
R1/2 |
NPT1/2 |
9 |
10 |
33 |
29 |
38 |
17 |
10 |
21.5 |
27 |
22 |
10 |
||
|
16 |
M24×1.5 |
R1/2 |
NPT1/2 |
12 |
12 |
36 |
33 |
43 |
17 |
11 |
24.5 |
30 |
24 |
11 |
||
|
20 |
M30×2 |
R3/4 |
NPT3/4 |
16 |
15 |
39 |
37 |
48 |
18 |
12 |
26.5 |
36 |
27 |
12 |
||
|
25 |
25 |
M36×2 |
R1 |
NPT1 |
20 |
20 |
48.5 |
45 |
57 |
21.5 |
14 |
33 |
46 |
36 |
14 |
|
|
16 |
30 |
M42×2 |
R1¼ |
NPT1¼ |
25 |
25 |
53 |
49 |
62 |
24 |
16 |
35.5 |
50 |
41 |
— |
|
|
38 |
M52×2 |
R1½ |
NPT1½ |
32 |
32 |
59 |
57 |
72 |
24 |
18 |
41 |
60 |
50 |
— |
||
|
注:尽可能不采用括号内的规格。 |
||||||||||||||||


