|
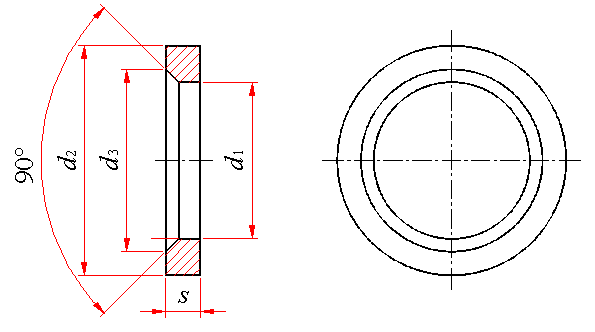
钢结构用扭剪型高强度螺栓连接副 垫圈(GB/T 3632—2008) mm |
|||||||
|
|
|||||||
|
规格(螺纹大径) |
16 |
20 |
(22) |
24 |
(27) |
30 |
|
|
d1 |
min |
17 |
21 |
23 |
25 |
28 |
31 |
|
max |
17.43 |
21.52 |
23.52 |
25.52 |
28.52 |
31.62 |
|
|
d2 |
min |
31.4 |
38.4 |
40.4 |
45.4 |
50.1 |
54.1 |
|
max |
33 |
40 |
42 |
47 |
52 |
56 |
|
|
s |
公称 |
4.0 |
4.0 |
5.0 |
5.0 |
5.0 |
5.0 |
|
min |
3.5 |
3.5 |
4.5 |
4.5 |
4.5 |
4.5 |
|
|
max |
4.8 |
4.8 |
5.8 |
5.8 |
5.8 |
5.8 |
|
|
ds |
min |
19.23 |
24.32 |
26.32 |
28.32 |
32.84 |
35.84 |
|
max |
20.03 |
25.12 |
27.12 |
29.12 |
33.64 |
36.64 |
|
|
每1000件的质量 /kg |
23.40 |
33.55 |
43.34 |
55.76 |
66.52 |
75.42 |
|
|
注:括号内的规格为第二选择系列。 |
|||||||

