内六角花形盘头螺钉(GB/T 2672—2017) mm | |||||||||||
| |||||||||||
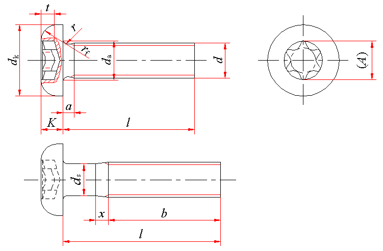
螺纹规格 d | M2 | M2.5 | M3 | (M3.5) | M4 | M5 | M6 | M8 | M10 | ||
P | 0.4 | 0.45 | 0.5 | 0.6 | 0.7 | 0.8 | 1.0 | 1.25 | 1.5 | ||
a | max | 0.8 | 0.9 | 1 | 1.2 | 1.4 | 1.6 | 2 | 2.5 | 3 | |
b | min | 25 | 25 | 25 | 38 | 38 | 38 | 38 | 38 | 38 | |
da | max | 2.6 | 3.1 | 3.6 | 4.1 | 4.7 | 5.7 | 6.8 | 9.2 | 11.2 | |
dk | 公称=max | 4.0 | 5.0 | 5.6 | 7.00 | 8.00 | 9.50 | 12.00 | 16.00 | 20.00 | |
min | 3.7 | 4.7 | 5.3 | 6.64 | 7.64 | 9.14 | 11.57 | 15.57 | 19.48 | ||
k | 公称=max | 1.60 | 2.10 | 2.40 | 2.60 | 3.10 | 3.70 | 4.6 | 6.0 | 7.50 | |
min | 1.46 | 1.96 | 2.26 | 2.46 | 2.92 | 3.52 | 4.3 | 5.7 | 7.14 | ||
r max | 0.1 | 0.1 | 0.1 | 0.1 | 0.2 | 0.2 | 0.25 | 0.4 | 0.4 | ||
rf ≈ | 3.2 | 4 | 5 | 6 | 6.5 | 8 | 10 | 13 | 16 | ||
x max | 1.0 | 1.1 | 1.25 | 1.5 | 1.75 | 2.0 | 2.5 | 3.2 | 3.8 | ||
内六角 花 形 | 槽号No. | 6 | 8 | 10 | 15 | 20 | 25 | 30 | 45 | 50 | |
A 参考 | 1.75 | 2.4 | 2.8 | 3.35 | 3.95 | 4.5 | 5.6 | 7.95 | 8.95 | ||
t | max | 0.77 | 1.04 | 1.27 | 1.33 | 1.66 | 1.91 | 2.42 | 3.18 | 4.02 | |
min | 0.63 | 0.91 | 1.01 | 1.07 | 1.27 | 1.52 | 2.02 | 2.79 | 3.62 | ||
l 的商品规格范围 | 3~20 | 3~25 | 4~30 | 5~35 | 5~40 | 6~50 | 8~60 | 10~60 | 12~60 | ||
全螺纹的 l 范围 | 3~30 | 3~30 | 4~30 | 5~40 | 5~40 | 6~40 | 8~40 | 10~40 | 12~40 | ||
l 公称长度系列 | 3,4,5,6,8,10,12,(14),16,20,25,30,35,40,45,50,(55),60 | ||||||||||
技术条件和引用标准 | ||||
材 料 | 钢 | 不锈钢 | 有色金属 | |
通用技术条件 | GB/T 16938 | |||
螺 纹 | 公 差 | 6g | ||
标 准 | GB/T 193、GB/T 9145 | |||
机械性能 | 等 级 | 4.8 | A2-70、A3-70 | CU2、CU3 |
标 准 | GB/T 3098.1 | GB/T 3098.6 | GB/T 3098.10 | |
公 差 | 产品等级 | A | ||
标 准 | GB/T 3103.1 | |||
内六角花形 | GB/T 6188 | |||
表面缺陷 | GB/T 5779.1 | — | ||
表面处理 | 不经表面处理; 电镀,技术要求按GB/T 5267.1; 非电解锌片涂层,技术要求按GB/T 5267.2 | 简单处理 | 简单处理; 电镀,技术要求按GB/T 527.1 | |
如需其他表面处理,应由供需双方协议 | ||||
验收及包装 | GB/T 90.1、GB/T 90.2 | |||
质量 kg | |||||||||
螺纹规格 | M2 | M2.5 | M3 | M3.5 | M4 | M5 | M6 | M8 | M10 |
公称长度/mm | 每1000件钢制品的质量 ≈ | ||||||||
3 | 0.178 | 0.336 | | | | | | | |
4 | 0.196 | 0.366 | 0.544 | | | | | | |
5 | 0.215 | 0.396 | 0.588 | 0.891 | 1.30 | | | | |
6 | 0.233 | 0.426 | 0.632 | 0.951 | 1.38 | 2.32 | | | |
8 | 0.270 | 0.486 | 0.720 | 1.07 | 1.53 | 2.57 | 4.37 | | |
10 | 0.307 | 0.546 | 0.808 | 1.19 | 1.69 | 2.81 | 4.72 | 9.96 | |
12 | 0.344 | 0.606 | 0.896 | 1.31 | 1.84 | 3.06 | 5.07 | 10.6 | 19.8 |
14 | 0.381 | 0.666 | 0.984 | 1.43 | 2.00 | 3.31 | 5.42 | 11.2 | 20.5 |
16 | 0.418 | 0.726 | 1.07 | 1.55 | 2.15 | 3.56 | 5.78 | 11.9 | 21.8 |
20 | 0.492 | 0.846 | 1.25 | 1.79 | 2.46 | 4.05 | 6.48 | 13.2 | 23.8 |
25 | | 0.996 | 1.47 | 2.09 | 2.85 | 4.67 | 7.36 | 14.8 | 26.3 |
30 | | | 1.69 | 2.39 | 3.23 | 5.29 | 8.24 | 16.4 | 28.8 |
35 | | | | 2.68 | 3.62 | 5.91 | 9.12 | 18.0 | 31.3 |
40 | | | | | 4.01 | 6.52 | 10.0 | 19.6 | 33.9 |
45 | | | | | | 7.14 | 10.9 | 21.2 | 36.4 |
50 | | | | | | 7.76 | 11.8 | 22.8 | 38.9 |
55 | | | | | | | 12.6 | 24.4 | 41.4 |
60 | | | | | | | 13.5 | 26.0 | 43.9 |

