钢网架螺栓球节点用高强度螺栓(GB/T 16939—2016) mm | ||||||||||||||
| ||||||||||||||
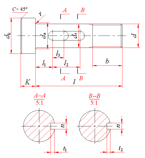
末端按GB2规定 | ||||||||||||||
标记示例: 螺纹规格d=30mm、公称长度l=98mm、性能等级为10.9S、表面氧化的钢网架螺栓球节点用高强度螺栓的标记: 螺栓 GB/T 16939 M30×98 | ||||||||||||||
螺纹规格 d | P | b | C≈ | dK | dS | K | r min | da max | ||||||
min | max | max | min | max | min | 公称 | max | min | ||||||
M12 | 1.75 | 15 | 18.5 | 1.5 | 18 | 17.38 | 12.35 | 11.65 | 6.4 | 7.15 | 5.65 | 0.8 | 15.20 | |
M14 | 2 | 17 | 21 | 21 | 20.38 | 14.35 | 13.65 | 7.5 | 8.25 | 6.75 | 17.29 | |||
M16 | 2 | 20 | 24 | 24 | 23.38 | 16.35 | 15.65 | 10 | 10.75 | 9.25 | 19.20 | |||
M20 | 2.5 | 25 | 30 | 30 | 29.38 | 20.42 | 19.58 | 12.5 | 13.4 | 11.6 | 1.0 | 24.40 | ||
M24 | 3 | 30 | 36 | 2.0 | 36 | 35.38 | 24.42 | 23.58 | 15 | 15.9 | 14.1 | 28.40 | ||
M27 | 3 | 33 | 39 | 41 | 40.38 | 27.42 | 26.58 | 17 | 17.9 | 16.1 | 1.5 | 32.40 | ||
M30 | 3.5 | 37 | 44 | 2.5 | 46 | 45.38 | 30.42 | 29.58 | 18.7 | 19.75 | 17.65 | 35.40 | ||
M36 | 4 | 44 | 52 | 55 | 54.26 | 36.50 | 35.50 | 22.5 | 23.55 | 21.45 | 42.40 | |||
M39 | 4 | 47 | 55 | 3.0 | 60 | 59.26 | 39.50 | 38.50 | 25 | 26.05 | 23.95 | 2.0 | 45.40 | |
M42 | 4.5 | 50 | 59 | 65 | 64.26 | 42.50 | 41.50 | 26 | 27.05 | 24.95 | 48.60 | |||
M45 | 4.5 | 55 | 64 | 70 | 69.26 | 45.50 | 44.50 | 28 | 29.05 | 26.95 | 52.60 | |||
M48 | 5 | 58 | 68 | 75 | 74.26 | 48.50 | 47.50 | 30 | 31.05 | 28.95 | 56.60 | |||
M56×4 | 4 | 66 | 74 | 90 | 89.13 | 56.60 | 55.40 | 35 | 36.25 | 33.75 | 2.5 | 67.00 | ||
M60×4 | 4 | 70 | 78 | 3.5 | 95 | 94.13 | 60.60 | 59.40 | 38 | 39.25 | 36.75 | 71.00 | ||
M64×4 | 4 | 74 | 82 | 100 | 99.13 | 64.60 | 63.40 | 40 | 41.25 | 38.75 | 75.00 | |||
M68×4 | 4 | 78 | 86 | 100 | 99.13 | 68.68 | 67.94 | 45 | 46.39 | 43.56 | 79.00 | |||
M72×4 | 4 | 83 | 91 | 105 | 104.13 | 72.72 | 71.98 | 45 | 46.39 | 43.56 | 3.0 | 83.00 | ||
M76×4 | 4 | 87 | 95 | 110 | 109.13 | 76.76 | 76.02 | 50 | 51.55 | 48.4 | 87.00 | |||
M80×4 | 4 | 92 | 100 | 4.0 | 125 | 124 | 80.80 | 80.06 | 55 | 56.71 | 53.24 | 91.00 | ||
M85×4 | 4 | 98 | 106 | 125 | 124 | 85.85 | 84.98 | 55 | 56.71 | 53.24 | 96.00 | |||
螺纹规格 d | l | l1 | l2 参考 | l3 | n | t1 | t2 | |||||||
公称 | max | min | 公称 | max | min | max | min | max | min | max | min | |||
M12 | 50 | 50.80 | 49.20 | 18 | 18.35 | 17.65 | 10 | 4 | 3.3 | 3 | 2.8 | 2.2 | 2.3 | 1.7 |
M14 | 54 | 54.95 | 53.05 | |||||||||||
M16 | 62 | 62.95 | 61.05 | 22 | 22.42 | 21.58 | 13 | |||||||
M20 | 73 | 73.95 | 72.05 | 24 | 24.42 | 23.58 | 16 | 5.3 | 5 | 3.30 | 2.70 | 2.80 | 2.20 | |
M24 | 82 | 83.1 | 80.9 | 18 | ||||||||||
M27 | 90 | 91.1 | 88.9 | 28 | 28.42 | 27.58 | 20 | 6.3 | 6 | 4.38 | 3.62 | 3.30 | 2.70 | |
M30 | 98 | 99.1 | 96.9 | 24 | ||||||||||
M36 | 125 | 126.25 | 123.75 | 43 | 43.50 | 42.50 | 26 | 8.36 | 8 | 5.38 | 4.62 | 4.38 | 3.62 | |
M39 | 128 | 129.25 | 126.75 | |||||||||||
M42 | 136 | 137.25 | 134.75 | 30 | ||||||||||
M45 | 145 | 146.25 | 143.75 | 48 | 48.50 | 47.50 | ||||||||
M48 | 148 | 149.25 | 146.75 | |||||||||||
M56×4 | 172 | 173.25 | 170.75 | 53 | 53.60 | 52.40 | 42 | |||||||
M60×4 | 196 | 197.45 | 194.55 | 57 | ||||||||||
M64×4 | 205 | 206.45 | 203.55 | 58 | 58.60 | 57.40 | ||||||||
M68×4 | 215 | 217.3 | 212.3 | 65 | 4 | 8.36 | 8 | 5.38 | 4.62 | 4.38 | 3.62 | |||
M72×4 | 230 | 232.3 | 227.7 | 63 | 63.60 | 62.40 | 70 | |||||||
M76×4 | 240 | 242.3 | 237.7 | 75 | ||||||||||
M80×4 | 245 | 247.3 | 242.7 | 80 | ||||||||||
M85×4 | 265 | 267.6 | 262.4 | 68 | 68.60 | 67.40 | 85 | |||||||
技术条件 | 材料 | 螺纹公差 | 公差产品等级 | 机械性能等级 | 表面处理 | 表面 缺陷 | ||||||||
M12~M24 | 20MnTiB、40Cr、35CrMo | 6g | 除表中规定处,其余按B级 | M12~M36:10.9S; M39~M85×4:9.8S | 氧化 | GB/T 5779.1 | ||||||||
M27~M36 | 35VB、40Cr、35CrMo | |||||||||||||
M39~M64×4 | 35CrMo、40Cr | |||||||||||||
注:性能等级中的“S”表示钢结构用螺栓。 | ||||||||||||||
质量 kg | |||||||
螺纹规格 | M12 | M14 | M16 | M20 | M24 | M27 | M30 |
每1000件钢制品的质量 ≈ | 51.39 | 77.82 | 122.8 | 229.6 | 381.0 | 542.2 | 736.4 |
螺纹规格 | M36 | M39 | M42 | M45 | M52 | M56×4 | M60×4 |
每1000件钢制品的质量 ≈ | 1330 | 1655 | 2034 | 2515 | 3799 | 4863 | 6217 |

