|
槽销 带倒角及全长平行沟槽(GB/T 13829.2—2004) mm |
||||||||||||||
|
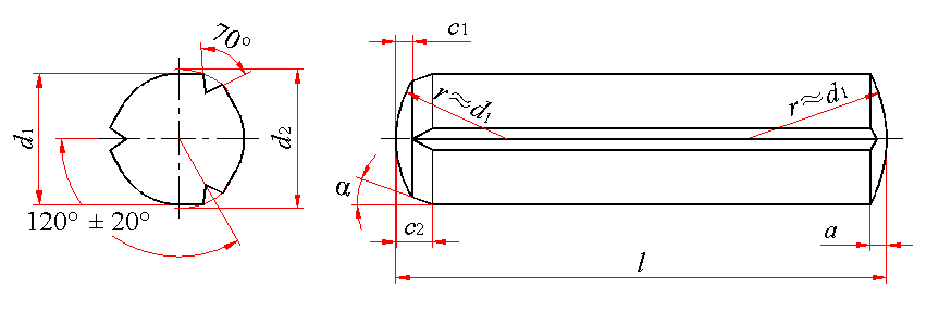
α=15°~30°; 70°槽角仅适用于由碳钢制造的槽销。槽角应按材料的弹性进行修正 |
||||||||||||||
|
标记示例: 公称直径 d1=6mm、公称长度 l=50mm、材料为碳钢、硬度为125~245 HV30、不经表面处理的带倒角及全长沟槽的槽销的标记: 销 GB/T 13829.2 6×50 公称直径 d1=6mm、公称长度 l=50mm、材料为A1组奥氏体不锈钢、硬度为210~280 HV30、表面简单处理的带倒角及全长沟槽的槽销的标记: 销 GB/T 13829.2 6×50-A1 |
||||||||||||||
|
d1 |
公称 |
1.5 |
2 |
2.5 |
3 |
4 |
5 |
6 |
8 |
10 |
12 |
16 |
20 |
25 |
|
公差 |
h9 |
h11 |
||||||||||||
|
c1 ≈ |
0.12 |
0.18 |
0.25 |
0.3 |
0.4 |
0.5 |
0.6 |
0.8 |
1 |
1.2 |
1.6 |
2 |
2.5 |
|
|
c2 ≈ |
0.6 |
0.8 |
1 |
1.2 |
1.4 |
1.7 |
2.1 |
2.6 |
3 |
3.8 |
4.6 |
6 |
7.5 |
|
|
a ≈ |
0.2 |
0.25 |
0.3 |
0.4 |
0.5 |
0.63 |
0.8 |
1 |
1.2 |
1.6 |
2 |
2.5 |
3 |
|
|
最小剪切 载荷/kN 双面剪 |
1.6 |
2.84 |
4.4 |
6.4 |
11.3 |
17.6 |
25.4 |
45.2 |
70.4 |
101.8 |
181 |
283 |
444 |
|
|
l 商品规格 |
8~20 |
8~30 |
10~30 |
10~40 |
10~60 |
14~60 |
14~80 |
14~100 |
14~100 |
18~100 |
22~100 |
26~100 |
26~100 |
|
|
l 公称系列 |
8,10,12,14,16,18,20,22,24,26,28,30,32,35,40,45,50,55,60,65,70,75,80,85,90,95,100 |
|||||||||||||
|
技 术 条 件 和 引 用 标 准 |
||||||||||||||
|
材 料 |
碳 钢 |
奥氏体不锈钢 |
||||||||||||
|
硬度:125~245 HV30 |
A1(GB/T 3098.6) 硬度:210~280 HV30 |
|||||||||||||
|
槽 |
槽的形状由制造者任选 |
|||||||||||||
|
表面处理 |
不经处理; 氧化; 镀锌钝化按GB/T 5267.1; 磷化按GB/T 11376; 其他表面镀层由供需双方协议; 所有公差仅适用于涂、镀前的公差 |
简单处理 |
||||||||||||
|
表面缺陷 |
不允许有不规则或有害的缺陷 |
|||||||||||||
|
剪切强度试验 |
GB/T 13683 |
|
||||||||||||
|
验收及包装 |
GB/T 90.1、GB/T 90.2 |
|||||||||||||
|
质量 kg |
|||||||||||||
|
公称直径/mm |
1.5 |
2 |
2.5 |
3 |
4 |
5 |
6 |
8 |
10 |
12 |
16 |
20 |
25 |
|
公称长度/mm |
每1 000 件钢制品的质量 ≈ |
||||||||||||
|
8 |
0.108 |
0.191 |
|
|
|
|
|
|
|
|
|
|
|
|
10 |
0.136 |
0.240 |
0.374 |
0.533 |
0.937 |
|
|
|
|
|
|
|
|
|
12 |
0.164 |
0.290 |
0.451 |
0.644 |
1.13 |
|
|
|
|
|
|
|
|
|
14 |
0.191 |
0.339 |
0.528 |
0.755 |
1.33 |
2.06 |
2.93 |
5.13 |
7.89 |
|
|
|
|
|
16 |
0.219 |
0.388 |
0.605 |
0.866 |
1.53 |
2.37 |
3.37 |
5.92 |
9.12 |
|
|
|
|
|
18 |
0.247 |
0.438 |
0.682 |
0.977 |
1.73 |
2.68 |
3.82 |
6.71 |
10.36 |
14.56 |
|
|
|
|
20 |
0.275 |
0.487 |
0.759 |
1.09 |
1.92 |
2.99 |
4.26 |
7.50 |
11.59 |
16.34 |
|
|
|
|
22 |
|
0.536 |
0.836 |
1.20 |
2.12 |
3.29 |
4.71 |
8.29 |
12.82 |
18.11 |
31.57 |
|
|
|
24 |
|
0.586 |
0.913 |
1.31 |
2.32 |
3.60 |
5.15 |
9.08 |
14.06 |
19.89 |
34.72 |
|
|
|
26 |
|
0.635 |
0.990 |
1.42 |
2.52 |
3.91 |
5.59 |
9.86 |
15.29 |
21.66 |
37.88 |
57.95 |
88.63 |
|
28 |
|
0.684 |
1.07 |
1.53 |
2.71 |
4.22 |
6.04 |
10.65 |
16.52 |
23.44 |
41.04 |
62.89 |
96.33 |
|
30 |
|
0.734 |
1.14 |
1.64 |
2.91 |
4.53 |
6.48 |
11.44 |
17.76 |
25.21 |
44.19 |
67.82 |
104.0 |
|
32 |
|
|
|
1.75 |
3.11 |
4.84 |
6.92 |
12.23 |
18.99 |
26.99 |
47.35 |
72.75 |
111.7 |
|
35 |
|
|
|
1.92 |
3.40 |
5.30 |
7.59 |
13.42 |
20.84 |
29.65 |
52.08 |
80.15 |
123.3 |
|
40 |
|
|
|
2.20 |
3.90 |
6.07 |
8.70 |
15.39 |
23.92 |
34.09 |
59.98 |
92.48 |
142.6 |
|
45 |
|
|
|
|
4.39 |
6.84 |
9.81 |
17.36 |
27.00 |
38.53 |
67.87 |
104.8 |
161.8 |
|
50 |
|
|
|
|
4.88 |
7.61 |
10.92 |
19.33 |
30.09 |
42.97 |
75.76 |
117.1 |
181.1 |
|
55 |
|
|
|
|
5.38 |
8.38 |
12.03 |
21.31 |
33.17 |
47.41 |
83.65 |
129.5 |
200.4 |
|
60 |
|
|
|
|
5.87 |
9.15 |
13.14 |
23.28 |
36.25 |
51.85 |
91.54 |
141.8 |
219.6 |
|
65 |
|
|
|
|
|
|
14.25 |
25.25 |
39.33 |
56.29 |
99.43 |
154.1 |
238.9 |
|
70 |
|
|
|
|
|
|
15.36 |
27.23 |
42.42 |
60.73 |
107.3 |
166.5 |
258.2 |
|
75 |
|
|
|
|
|
|
16.47 |
29.20 |
45.50 |
65.16 |
115.2 |
178.8 |
277.4 |
|
80 |
|
|
|
|
|
|
17.58 |
31.17 |
48.58 |
69.60 |
123.1 |
191.1 |
296.7 |
|
85 |
|
|
|
|
|
|
|
33.14 |
51.67 |
74.04 |
131.0 |
203.5 |
316.0 |
|
90 |
|
|
|
|
|
|
|
35.12 |
54.75 |
78.48 |
138.9 |
215.8 |
335.2 |
|
95 |
|
|
|
|
|
|
|
37.09 |
57.83 |
82.92 |
146.8 |
228.1 |
354.5 |
|
100 |
|
|
|
|
|
|
|
39.06 |
60.91 |
87.36 |
154.7 |
240.4 |
373.8 |

