|
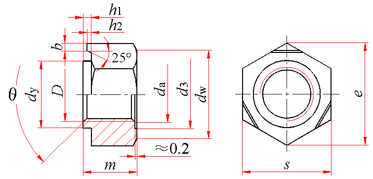
焊接六角螺母(GB/T 13681—1992) mm |
|||||||||||
|
θ=90°~120° |
|||||||||||
|
标记示例: 螺纹规格D=M10、材料为含碳量不大于0.25%的钢、不经表面处理的焊接六角螺母的标记: 螺母 GB/T 13681 M10 |
|||||||||||
|
螺纹规格 (D或D×P) |
da |
dw min |
dy |
d3 |
h1 |
||||||
|
max |
min |
max |
min |
max |
min |
max |
min |
||||
|
M4 |
— |
— |
4.6 |
4 |
7.88 |
5.97 |
5.885 |
6.18 |
6 |
0.65 |
0.55 |
|
M5 |
— |
— |
5.75 |
5 |
8.88 |
6.96 |
6.87 |
7.22 |
7 |
0.70 |
0.60 |
|
M6 |
— |
— |
6.75 |
6 |
9.63 |
7.96 |
7.87 |
8.22 |
8 |
0.75 |
0.60 |
|
M8 |
M8×1 |
— |
8.75 |
8 |
12.63 |
10.45 |
10.34 |
10.77 |
10.5 |
0.90 |
0.75 |
|
M10 |
M10×1 |
(M10×1.25) |
10.8 |
10 |
15.63 |
12.45 |
12.34 |
12.77 |
12.5 |
1.15 |
0.95 |
|
M12 |
M12×1.5 |
(M12×1.25) |
13 |
12 |
17.37 |
14.75 |
14.64 |
15.07 |
14.8 |
1.40 |
1.20 |
|
(M14) |
(M14×1.5) |
— |
15.1 |
14 |
19.57 |
16.75 |
16.64 |
17.07 |
16.8 |
1.80 |
1.60 |
|
M16 |
M16×1.5 |
— |
17.3 |
16 |
21.57 |
18.735 |
18.605 |
19.13 |
18.8 |
1.80 |
1.60 |
|
螺纹规格 (D或D×P) |
h2 |
b |
m |
s |
e min |
||||||
|
max |
min |
max |
min |
max |
min |
max |
min |
||||
|
M4 |
— |
— |
0.35 |
0.25 |
1 |
0.6 |
3.5 |
3.2 |
9 |
8.78 |
9.83 |
|
M5 |
— |
— |
0.40 |
0.30 |
1 |
0.6 |
4 |
3.7 |
10 |
9.78 |
10.95 |
|
M6 |
— |
— |
0.40 |
0.30 |
1.12 |
0.68 |
5 |
4.7 |
11 |
10.73 |
12.02 |
|
M8 |
M8×1 |
— |
0.50 |
0.35 |
1.25 |
0.75 |
6.5 |
6.14 |
14 |
13.73 |
15.38 |
|
M10 |
M10×1 |
(M10×1.25) |
0.65 |
0.50 |
1.55 |
0.95 |
8 |
7.64 |
17 |
16.73 |
18.74 |
|
M12 |
M12×1.5 |
(M12×1.25) |
0.80 |
0.60 |
1.55 |
0.95 |
10 |
9.64 |
19 |
18.67 |
20.91 |
|
(M14) |
(M14×1.5) |
— |
1.0 |
0.80 |
1.9 |
1.1 |
11 |
10.3 |
22 |
21.67 |
24.27 |
|
M16 |
M16×1.5 |
— |
1.0 |
0.80 |
1.9 |
1.1 |
13 |
12.3 |
24 |
23.67 |
26.51 |
|
技术条件 |
材料 |
螺纹公差 |
机械性能保证载荷,N |
公差产品等级 |
表面处理 |
||||||
|
含碳量不大于0.25%, 且具有可焊性的钢 |
6G |
M4 |
6800 |
A级 |
1.不经处理 2.镀锌钝化 |
||||||
|
M5 |
11000 |
||||||||||
|
M6 |
15500 |
||||||||||
|
M8、M8×1 |
28300 |
||||||||||
|
M10、M10×1、M10×1.25 |
44800 |
||||||||||
|
M12、M12×1.5、M12×1.25 |
65300 |
||||||||||
|
M14、M14×1.5 |
89700 |
||||||||||
|
M16、M16×1.5 |
123000 |
||||||||||
|
注:尽可能不采用括号内的规格。 |
|||||||||||
|
质量 kg |
||||||||
|
螺纹规格 |
M4 |
M5 |
M6 |
M8 |
M10 |
M12 |
M14 |
M16 |
|
— |
— |
— |
M8×1 |
M10×1 |
M12×1.5 |
M14×1.5 |
M16×1.5 |
|
|
— |
— |
— |
— |
M10×1.25 |
M12×1.25 |
— |
— |
|
|
每1000件钢制品的质量≈ |
1.09 |
1.48 |
2.18 |
4.55 |
8.13 |
11.79 |
16.35 |
22.24 |
