|
基本牙型和设计牙型尺寸(GB/T 13576.1—2008) |
|||||||||||||||
|
基本牙型 内、外螺纹的设计牙型 |
|||||||||||||||
|
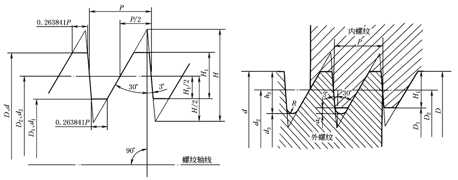
D——内螺纹大径; d——外螺纹大径; D2——内螺纹中径; d2——外螺纹中径; D1——内螺纹小径; |
d1——外螺纹小径; P——螺距; H——原始三角形高度; H1——基本牙型高度
|
H1=0.75P; ac=0.117767P; h3=H1+ac=0.867767P; D=d H=1.587911P; |
D2=d2=d-H1=d-0.75P; D1=d-2H1=d-1.5P; d3=d-2h3=d-1.735534P; R=0.124271P; 牙顶宽=牙底宽=0.263841P |
||||||||||||
|
mm |
|||||||||||||||
|
螺 距 |
基 本 牙 型 |
设 计 牙 型 |
螺 距 |
基 本 牙 型 |
设 计 牙 型 |
||||||||||
|
P |
H |
H1 |
牙底宽 牙顶宽 |
ac |
h3 |
R |
P |
H |
H1 |
牙底宽 牙顶宽 |
ac |
h3 |
R |
||
|
2 |
3.176 |
1.50 |
0.528 |
0.236 |
1.736 |
0.249 |
16 |
25.407 |
12.00 |
4.221 |
1.988 |
13.884 |
1.988 |
||
|
3 |
4.764 |
2.25 |
0.792 |
0.353 |
2.603 |
0.373 |
18 |
28.582 |
13.50 |
4.749 |
2.120 |
15.620 |
2.237 |
||
|
4 |
6.352 |
3.00 |
1.055 |
0.471 |
3.471 |
0.497 |
20 |
31.758 |
15.00 |
5.277 |
2.355 |
17.355 |
2.485 |
||
|
5 |
7.940 |
3.75 |
1.319 |
0.589 |
4.339 |
0.621 |
22 |
34.934 |
16.50 |
5.804 |
2.591 |
19.091 |
2.734 |
||
|
6 |
9.527 |
4.50 |
1.583 |
0.707 |
5.207 |
0.746 |
24 |
38.110 |
18.00 |
6.332 |
2.826 |
20.826 |
2.982 |
||
|
7 |
11.115 |
5.25 |
1.847 |
0.824 |
6.074 |
0.870 |
28 |
44.462 |
21.00 |
7.388 |
3.297 |
24.297 |
3.480 |
||
|
8 |
12.703 |
6.00 |
2.111 |
0.942 |
6.942 |
0.994 |
32 |
50.813 |
24.00 |
8.443 |
3.769 |
27.769 |
3.977 |
||
|
9 |
14.291 |
6.75 |
2.375 |
1.060 |
7.810 |
1.118 |
36 |
57.165 |
27.00 |
9.498 |
4.240 |
31.240 |
4.474 |
||
|
10 |
15.879 |
7.50 |
2.638 |
1.178 |
8.678 |
1.243 |
40 |
63.516 |
30.00 |
10.554 |
4.711 |
34.711 |
4.971 |
||
|
12 |
19.055 |
9.00 |
3.166 |
1.413 |
10.413 |
1.491 |
44 |
69.868 |
33.00 |
11.609 |
5.182 |
38.182 |
5.468 |
||
|
14 |
22.231 |
10.50 |
3.694 |
1.649 |
12.149 |
1.740 |
|
|
|
|
|
|
|
||

