|
径向滑动轴承的选用与验算 |
|||
|
选 用 原 则 |
验 算 |
||
|
项目 |
计 算 简 图 |
计 算 范 围 |
|
|
(1)轴承座的载荷方向应该在轴承中心线左、右35°的范围内,如下图所示。图中阴影部分是允许承受的径向载荷的范围
(2)轴承允许通过轴肩承受不大的轴向载荷,当轴肩直径不小于轴瓦肩部外径时,允许承受的轴向载荷不大于最大径向载荷的30% |
压强 p |
|
|
|
pυ值 |
|
||
|
圆周 速度 |
|
||
|
符 号 意 义 |
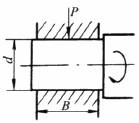
P —— 轴承径向载荷,N d、B —— 轴颈的直径和工作宽度,mm pp—— 许用压强,MPa,见表滑动轴承的材料性能 n —— 轴颈转速,r/min (pυ)p—— 许用pυ值,MPa·m/s,见表滑动轴承的材料性能 υp—— 许用υ值,m/s,见表滑动轴承的材料性能 |
||
|
注:由于滑动速度过高,会加速磨损,同时由于实际运行中因轴发生弯曲、不同轴度、振动时,会影响轴承边缘产生相当大的压强,故应保证υ不超过许用值。 |
|||


