|
共轭(平行)凸轮分度箱 长度/mm;转矩/N·m |
|||||||||||||||||||||||||
|
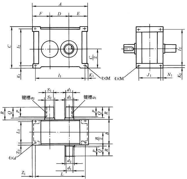
下表为国内公司生产的系列平行分度凸轮箱的若干数据,供设计、选用时参考。选用时需按分度数和动程角与生产厂具体联系确定尺寸 PTF系列
表中规格数值为尺寸D值,即机构轴间距,机构规格大小以轴间距定义 精度等级:高精级≤±15",精密级≤±30",普通级≤±50" 动程角:90°~330°;分度数:1~4,6,8 |
|||||||||||||||||||||||||
|
尺寸 规格 |
50 |
65 |
80 |
100 |
125 |
160 |
200 |
250 |
|||||||||||||||||
|
A |
155 |
190 |
230 |
285 |
350 |
450 |
555 |
690 |
|||||||||||||||||
|
B |
90 |
110 |
120 |
140 |
170 |
200 |
240 |
280 |
|||||||||||||||||
|
C |
110 |
130 |
160 |
200 |
240 |
310 |
390 |
480 |
|||||||||||||||||
|
D |
50 |
65 |
80 |
100 |
125 |
160 |
200 |
250 |
|||||||||||||||||
|
E |
55 |
65 |
80 |
100 |
120 |
155 |
190 |
240 |
|||||||||||||||||
|
F |
50 |
60 |
70 |
85 |
105 |
135 |
165 |
200 |
|||||||||||||||||
|
P |
35 |
35 |
45 |
52 |
52 |
70 |
90 |
110 |
|||||||||||||||||
|
Q |
38 |
42 |
50 |
60 |
60 |
80 |
110 |
130 |
|||||||||||||||||
|
R |
40 |
45 |
55 |
65 |
65 |
85 |
115 |
135 |
|||||||||||||||||
|
d1 |
16 |
20 |
25 |
30 |
30 |
45 |
50 |
55 |
|||||||||||||||||
|
d2 |
20 |
25 |
30 |
35 |
35 |
50 |
55 |
60 |
|||||||||||||||||
|
S1 |
16 |
20 |
25 |
30 |
35 |
45 |
60 |
70 |
|||||||||||||||||
|
S2 |
20 |
25 |
30 |
35 |
40 |
50 |
65 |
75 |
|||||||||||||||||
|
a1 |
6 |
6 |
8 |
8 |
8 |
14 |
14 |
16 |
|||||||||||||||||
|
a2 |
6 |
6 |
8 |
8 |
10 |
14 |
18 |
20 |
|||||||||||||||||
|
I1 |
125 |
150 |
180 |
225 |
280 |
350 |
445 |
540 |
|||||||||||||||||
|
K1 |
15 |
20 |
25 |
30 |
35 |
45 |
55 |
75 |
|||||||||||||||||
|
I2 |
94 |
110 |
140 |
170 |
200 |
270 |
340 |
420 |
|||||||||||||||||
|
K2 |
8 |
10 |
10 |
15 |
20 |
20 |
25 |
30 |
|||||||||||||||||
|
J1 |
70 |
70 |
70 |
80 |
100 |
130 |
150 |
180 |
|||||||||||||||||
|
N1 |
10 |
20 |
25 |
30 |
35 |
35 |
45 |
50 |
|||||||||||||||||
|
L1 |
135 |
170 |
206 |
255 |
310 |
390 |
485 |
590 |
|||||||||||||||||
|
Z1 |
10 |
10 |
12 |
15 |
20 |
30 |
35 |
50 |
|||||||||||||||||
|
L2 |
70 |
90 |
96 |
110 |
130 |
160 |
190 |
230 |
|||||||||||||||||
|
Z2 |
10 |
10 |
12 |
15 |
20 |
20 |
25 |
25 |
|||||||||||||||||
|
M |
M6 |
M8 |
M10 |
M10 |
M12 |
M12 |
M16 |
M20 |
|||||||||||||||||
|
d |
7 |
9 |
11 |
11 |
14 |
14 |
18 |
22 |
|||||||||||||||||
|
备注:生产厂家为浙江瑞安市力中传动机械有限公司,http:/www.lzjx.com.cn;山东诸城恒瑞精密机械有限责任公司,http:www.heng rui machinery.com。 |
|||||||||||||||||||||||||
|
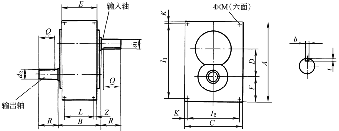
PT系列
d1/d2栏中只有一个数值时,表示d1=d2 |
|||||||||||||||||||||||||
|
尺寸 规格 |
A |
B |
C |
D |
E |
F |
I1 |
I2 |
K |
L |
|||||||||||||||
|
PT50 |
155 |
95 |
120 |
50 |
67 |
50 |
125 |
90 |
15 |
40 |
|||||||||||||||
|
PT63 |
180 |
120 |
140 |
63 |
80 |
47 |
150 |
110 |
15 |
52 |
|||||||||||||||
|
PT80 |
222 |
128 |
160 |
80 |
84 |
58 |
186 |
124 |
18 |
54 |
|||||||||||||||
|
PT100 |
265 |
140 |
200 |
100 |
112 |
65 |
225 |
160 |
20 |
74 |
|||||||||||||||
|
PT125 |
330 |
170 |
250 |
125 |
128 |
75 |
280 |
200 |
25 |
80 |
|||||||||||||||
|
PT160 |
430 |
212 |
320 |
160 |
160 |
105 |
370 |
260 |
30 |
100 |
|||||||||||||||
|
PT200 |
540 |
240 |
400 |
200 |
170 |
135 |
460 |
320 |
40 |
110 |
|||||||||||||||
|
PT250 |
656 |
270 |
500 |
250 |
194 |
166 |
556 |
400 |
50 |
116 |
|||||||||||||||
|
尺寸 规格 |
Z |
R |
d1/d2 (h6) |
M |
Q |
b |
t |
静转矩 Tj |
动转矩 Td |
||||||||||||||||
|
PT50 |
14 |
20 |
16/17 |
M6 |
17 |
6 |
3.5 |
14~56 |
2~20 |
||||||||||||||||
|
PT63 |
20 |
35 |
18 |
M8 |
32 |
6 |
3.5 |
23~63 |
4~51 |
||||||||||||||||
|
PT80 |
22 |
50 |
25 |
M8 |
47 |
8 |
4 |
44~156 |
9~96 |
||||||||||||||||
|
PT100 |
14 |
60 |
30 |
M10 |
55 |
8 |
4 |
78~355 |
18~158 |
||||||||||||||||
|
PT125 |
21 |
80 |
40 |
M12 |
70 |
12 |
5 |
202~766 |
28~312 |
||||||||||||||||
|
PT160 |
26 |
100 |
50 |
M18 |
90 |
14 |
5.5 |
444~1416 |
67~660 |
||||||||||||||||
|
PT200 |
35 |
120 |
60 |
M20 |
110 |
18 |
7 |
756~2488 |
155~1170 |
||||||||||||||||
|
PT250 |
38 |
150 |
75 |
M24 |
135 |
20 |
7.5 |
1408~5540 |
305~1740 |
||||||||||||||||
|
备注:生产厂家为西安第一钟表机械厂。 |
|||||||||||||||||||||||||


