|
SMC阀岛 |
|||
|
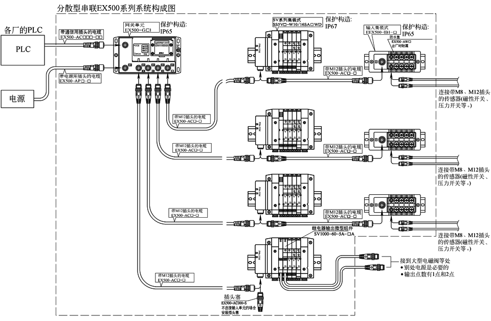
SMC公司总线阀岛按照配线方式分为三种类型,详见下表。①单输出型(EX12*和EX14*),此类阀岛没有输入点控制,最多可控制16个输出点数,即16个电磁线圈。适合的电磁阀有:SV系列、SX系列、SY系列、SQ系列、SJ系列、VQ系列和VQC系列等。②输入、输出一体型(EX240,EX250,EX245系列),此类总线阀岛的SI单元最多可以控制32个输入点和32个输出点(共64点),即:可以输入32个磁性开关等传感器的信号,还可以控制32个电磁线圈。输入块的插座有M8和M12两种,每个阀岛最多可安装8个输入块,每块最多可输入4个点。适合的电磁阀有:SV系列、VQ系列、VQC系列和VSR系列等。③分散型网关单元(EX500、EX510系列),连接结构见图,一个网关单元最多有4个分支,每个分支用M12插头或快插端子接到集装式阀岛的SI(串行接口)单元上,每个分支可以控制16个点的输入和16个点的输出,因此每个网关单元最多可控制64个输入点和64个输出点(共128点),EX500网关单元到集装阀的电缆最长为5m,EX510网关单元到集装阀的电缆最长可到20m;EX500的输入块采用M8或M12的插头接入传感器等信号,EX510的输入块采用快插端子接入传感器信号。适合的电磁阀有:SV系列、VQC系列、SY系列、SYJ系列和VQZ系列等 |
|||
|
型号 |
流 量 |
适合的总线接口及协议 |
特性 |
|
阀 位 |
|||
|
SV系列 |
240L/min;460L/min; 910L/min;1300L/min |
总线接口单元:EX120;EX126;EX121;EX250;EX245;EX500 总线协议:Interbus、DeviceNet、Profibus-Dp,CC-LinkAS-I;EtherNet/IP(以太网);CANOpen 其他接线规格:圆孔插针,D型插头,扁平电缆,单体配线 |
分为盒式连接和拉杆连接两种类型,防护等级IP67,多种模块可选。功耗0.6W,可带单独继电器输出。各类阀机能齐全,有四位双三通阀
|
|
最大16位或20位 |
|||
|
VQC系列 |
250L/min;800L/min; 2000L/min |
总线接口单元:EX126;EX240;EX250;EX245;EX500 总线协议:Interbus、DeviceNet、Profibus-Dp,CC-LinkAS-I;EtherNet/IP(以太网);CANOpen 其他接线规格:圆孔插针,D型插头,扁平电缆,单体配线;集中引线 |
阀芯密封分为金属密封和橡胶密封两种,最快响应时间12ms,寿命最长两亿次,阀座间采用端子排连接形式,增减方便。防护等级IP67,多种模块可选,各类阀机能齐全
|
|
最大16位或24位 |
|||
|
VQ系列 |
140L/min;250L/min; 620L/min;2100L/min; 3900L/min |
总线接口单元:EX120;EX121;EX123;EX124;EX240 总线协议:Interbus、DeviceNet、Profibus-Dp,CC-Link 其他接线规格:D型插头,扁平电缆,单体配线;集中引线;端子盒连接 |
分为金属密封和橡胶密封两种形式;高响应20ms以下,长寿命(金属密封1亿次),防护等级IP65,多种模块可选,阀位增减方便,大流量,抗污染能力强,多种接线方式可选
|
|
最大16位、 18位或24位 |
|||
|
SY系列 |
290L/min;900L/min; 1400L/min;2500L/min |
总线接口单元:EX121;EX122;EX510 总线协议:DeviceNet、Profibus-DP,CC-Link 其他接线规格:D型插头,扁平电缆,单体配线;集中引线;M8端子连接;端子盒连接 |
阀体紧凑,多种出线方式可选,最低功耗0.1W。多种集装板形式,多种模块可选
|
|
最大16位或20位 |
|||
|
SJ系列 |
80L/min;120L/min |
总线接口单元:EX180;EX510 总线协议:DeviceNet、CC-Link 其他接线规格:D型插头,扁平电缆,单体配线 |
小流量,低功耗新型电磁阀,大小阀可以混装,连接增减方便
|
|
最大32位 |
|||
|
分散安装系统(SMC:分散型串联EX500系列系统)构成图见下图
|
|||






