|
流量控制阀 |
||||||||||||||||||||||
|
分 类 |
节流阀常常用来调节气缸速度,被称为速度调节器。按节流方向分类,常见的节流阀可分为双向节流、单向进气节流、单向排气节流。按连接方式分类,可分为面板式、管接式、管道式。按规格(流量)分类,可分为微型(精密型、节流流量约为0~1.7L/min至0~-40L/min)、小型(螺纹接口M5、G1/8、节流流量约为0~18L/min至0~40L/min)、标准型(螺纹接口G1/8~G¾、节流流量约为0~95L/min至0~4320L/min)。按用途分类,可分为气缸用单向节流阀、控制阀用排气节流阀、位置控制用行程节流阀。注意连接螺纹G、R的选用 |
|||||||||||||||||||||
|
原
理 |
概 述 |
在气动系统的控制中,需对气缸的速度进行调节控制,对延时阀进行延时调节,对油雾器的油雾流量进行调节控制,这类调节是以改变管道的截面积来实现。实现流量单向制的方法有两种:一种是不可调的流量控制,如毛细管、孔板等;另一种是可调的流量控制,如针阀、喷嘴挡板机构等 |
||||||||||||||||||||
|
节 流 阀 |
双向节流阀 |
如图a所示是一个双向流量控制的节流阀,相对单向节流阀而言,它不受方向限制,通常应用于单作用气缸和小型气缸的速度调节,见图b。优点是应用简单
|
||||||||||||||||||||
|
排气口节流阀 |
常见排气口节流阀用于气动换向阀处的排气口,通过调节排气节流阀内针阀的开口度达到对气缸速度的调节(见图c)。当气缸在远离操作人员或调试不方便处,常通过对排气节流阀的控制达到调节气缸活塞速度的目的。其规格、节流流量及消声噪声指标见下表,其节流流量与调节旋转圈数n之间的关系见图d
|
|||||||||||||||||||||
|
标准额定流量(节流流量)/L·min-1 |
G1/8 |
G¼ |
G3/8 |
G½ |
G¾ |
|||||||||||||||||
|
不带消声装置 |
2~520 |
2~996 |
3~2000 |
3~3600 |
— |
|||||||||||||||||
|
带消声装置 |
0~1000 |
0~1500 |
0~1700 |
0~4000 |
0~8000 |
|||||||||||||||||
|
噪声等级 |
不带消声装置/dB(A) |
85 |
80 |
87 |
90 |
— |
||||||||||||||||
|
带消声装置/dB(A) |
74 |
80 |
74 |
76 |
80 |
|||||||||||||||||
|
普通单向节流阀 |
单向节流阀 |
如图e所示,常见单向节流阀用于气缸活塞速度的调节,最广泛应用的是排气型单向节流阀。单向节流阀的主要指标是无节流方向时通过的流量和节流方向时流过的流量、节流流量与调节转动圈数n之间的曲线是否呈比例线性(曲线光滑)。图f为接口从G1/8~G¾单向节流阀的标准额定流量qnN(节流流量)与调节转动圈数n的流量曲线。要避免只按螺纹接口(与气缸螺纹接口)相同就选择某规格的单向节流阀。要明确其通过流量和节流流量,如下表所示。为了防止已调整完毕的单向节流阀被其他人随意调整、拨弄,可在调整螺钉外部套上(旋入)安全罩,见图g |
|
|||||||||||||||||||
|
|
||||||||||||||||||||||
|
标准额定流量(6bar5bar时)qnN/L·min-1 |
||||||||||||||||||||||
|
旋入螺纹 |
M5 |
G1/8 |
G¼ |
G3/8 |
G½ |
G¾ |
||||||||||||||||
|
单向节流功能,控制排气流量/L·min-1 |
||||||||||||||||||||||
|
排气节流阀 |
节流方向 |
0~95 |
0~340 |
0~610 |
0~1450 |
0~2100 |
0~4320 |
|||||||||||||||
|
无节流方向 |
76~95 |
260~420 |
450~820 |
970~1600 |
1550~2200 |
3220~4720 |
||||||||||||||||
|
单向节流功能,控制进气流量/L·min-1 |
||||||||||||||||||||||
|
进气节流阀 |
节流方向 |
0~95 |
0~340 |
0~610 |
— |
— |
— |
|||||||||||||||
|
无节流方向 |
76~95 |
260~420 |
450~820 |
— |
— |
— |
||||||||||||||||
|
节流功能/L·min-1 |
||||||||||||||||||||||
|
节流阀(双向)节流方向 |
0~95 |
— |
— |
— |
— |
— |
||||||||||||||||
|
单向节流阀 |
排气型节流阀 |
工作原理:见图h,从口1进入的压缩空气有两个通路通向口2,一个通路是顺着喇叭形密封圈背面,使喇叭形密封圈的外径减小,与阀体内孔的密封面产生环状间隙通道,压缩空气几乎无阻力地流向口2,而另一个通路通向节流针阀,被节流的压缩空气从阀体内的孔流向口2。当气缸的排气从口2进入向口1排出时,压缩空气同样分成两个支路,一个支路是压缩空气顺着十字形通路的侧向通道作用于喇叭形密封圈正面,并使喇叭形密封圈紧贴阀体内孔,该气道被密封。压缩空气只能从阀内节流针阀处流过,调节针阀的开口度则可调节气缸活塞的运动速度 连接型式:从图i可看出,i1为快插式,滚花螺母调节;i2为快插式,埋入阀体内的一字槽旋凿调节(防止其他人员随意调节);i3为倒钩接头连接式,埋入阀体内的一字槽旋凿调节;i4为快拧接头式,埋入阀体内的一字槽旋凿调节;i5为板式连接,两端阴螺纹,滚花螺母调节;i6管道式,两端为快插式,滚花螺母调节
1—调节螺钉,材料为不锈钢; 2—旋转接头,材料为压铸锌; 3—螺纹凸缘,材料为精制铝合金(M5:镀镍黄铜); 4—密封件,材料为丁腈橡胶; 5—保持环,材料为聚缩醛(树脂); 以上材料均不含铜和聚四氟乙烯 图j为通过排气流量调节活塞速度的气路图。该排气型单向节流阀的进气流量不受控制,而只对排气流量进行控制,这使得活塞运动时始终有背压作用(即保持在气垫之间做运动),即使负载变化,也能大大改善活塞运动特性。通常气缸调速都采用排气型节流阀。该节流阀前进和返回行程速度可调。两个方向上空气流量相同 |
||||||||||||||||||||
|
进气型节流阀 |
图k为通过进气气流量调节活塞速度的气路图。该进气型单向节流阀的进气流量受到针阀流通截面的控制,而对排气流量不控制,气缸排气端不受限制,排气通畅,因此对气缸活塞运动的背压作用(即保持在气垫之间做运动)较小,气缸活塞运动容易爬行 |
|
||||||||||||||||||||
|
排气与进气都节流 |
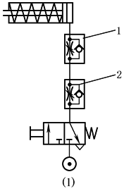
排气与进气都节流的气路如图l所示,需接两个单向节流阀,单作用气缸的活塞杆伸出时的速度通过调整单向节流阀1实现,活塞杆返回时的速度通过调整单向节流阀2实现 |
|
||||||||||||||||||||
|
精密型单向节流阀 |
精密型单向节流阀为高精度调节装置,其调节螺钉安装在有刻度标记的外壳圆盘上,见图m(便于精确调节)。按节流流量大小,它可分为调节流量0~1.7L/min,0~19L/min,0~38L/min。主要用于调节气缸活塞的低速运行(5mm/s左右)
1—调节螺钉,材料为黄铜; 2—阀体,材料为聚酰,加强型; 3—密封件,材料为丁腈橡胶; 4—底座,材料为精制铝合金; 5—安装板,材料为精制铝合金 |
|||||||||||||||||||||
|
气动保险丝原理及选用 |
设置气动保险丝原因 |
在气动元件或气动工具的使用中,尤其是安装或维护时,最常见的职业伤害之一就是由于气管脱落或破损造成的人身伤害,由于气管中有高压空气,形成高压喷流或软管鞭打,从而危及附近人员或设备,其中尤以眼部伤害居多,如果管端还带有接头,则更为危险 美国OSHA标准规定,所有内径超过in的软管均应在气源或支线处设置安全装置来降低气压,避免气管脱落造成事故。而如何既在软管供气连接处采用可靠的安全防护装置,又不妨碍正常的使用功能,则成为一个重要课题 |
||||||||||||||||||||
|
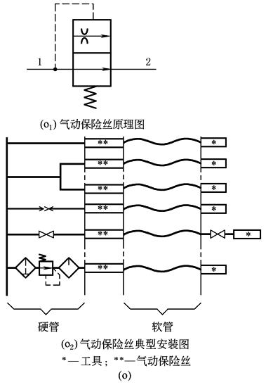
气动保险丝原理 |
如图o1所示,气动保险丝安装于固定或刚性管件与弹性管件之间,它可以检测到软管或接头处由于脱落或破损而造成的突然压降,自动截断气流,避免事故。当软管重新正常安装后,气动保险丝复位,气流可恢复正常流动 正常气流流动状况下,气动保险丝两端气压压力相同,保险丝内部的弹簧力使截止阀保持打开;当软管或接头处由于脱落或破损而造成突然压降时,进口压力会克服弹簧力和降低后的出口压力,将内部截止阀关闭。作为导流装置,一条细小的流通通径使气流以很小的流量排向下游;当故障排除、管路正常时,通过导流装置,下游压力逐渐恢复正常,气动保险丝两端气压压力重又相同,弹簧复位,截止阀打开,气流恢复正常流动 |
|
||||||||||||||||||||
|
使用方法 |
(1)气动保险丝的气口规格应与供气管路公称口径相同 (2)如果软管太长,应选择大流量型号的气动保险丝 (3)安装后应检查每个气动保险丝是否具有正常功能 (4)启动系统必须提供气动保险丝动作所需的流量 (5)有截止阀装在上游时,该截止阀应缓慢开启,避免由于减压效应引起保险丝关闭 |
|||||||||||||||||||||
|
选择及使用 |
(1)不能仅仅根据气动驱动器的接口螺纹(俗称通径)选择流量控制阀的规格,需从产品样本上查找它节流方向的流量范围及非节流方向的流量范围是否符合所需要求。值得注意的是,当选择了符合节流范围的流量而忽视非节流方向的流量(即节流阀全开时流量)时,将浪费电磁阀的规格尺寸 (2)选用排气型单向节流阀用于控制气缸活塞运动,当活塞低速运行时选择精密型单向节流阀,并尽可能采用安装在离气缸最近的距离,减少控制阀至气缸间的管道容积 (3)速度的调节螺钉不能调到关死位置时还继续调节,以免损坏针阀与节流孔的同轴度和配合间隙状态 (4)管接头连接必须密封,以免影响气缸活塞速度的平稳(对于低速运行尤其重要) (5)注意应用场合是否在高温、低温或有腐蚀性环境工作,以免阀内密封件提前老化或损坏 |
|||||||||||||||||||||











