|
辅件和其他装置 |
||||||
|
国 别 |
中 国 GB/T 786.1—1993 |
日 本 JIS B 0125—1984 |
国 际① ISO 1219—1∶1991 |
美 国 ANSI/Y32.10—1967 (R1979)② |
||
|
通 大 气 式 油 箱 |
管端在液面以上 |
|
|
|
||
|
管端在液面以下 |
带空气滤清器 |
|
|
|||
|
管端连接于油箱底部 |
|
|
*表示管路在油箱 之下进入或引出的 |
|||
|
局部泄油或回油使用符号 |
|
|
||||
|
密闭式或加压油箱 |
|
|
||||
|
气罐 |
|
|||||
|
辅助气瓶 |
|
|
||||
|
蓄
能
器 |
蓄能器一般符号 |
|
||||
|
弹簧式 |
|
|
|
|
||
|
气体式 |
隔离式 |
|||||
|
重锤式 |
|
|
|
同GB/T786.1 |
||
|
油温调节器 |
|
|
|
使温度保持在两个 预设界限之内 |
||
|
加热器 |
|
|
||||
|
冷却器 |
|
|
||||
|
过滤器 |
一般符号 带磁性滤芯 带污染指示器 |
|
||||
|
分水排水器 |
人工放水自动放水 |
|||||
|
空气过滤器 |
人工排出 自动排出 |
|
同GB/T786.1 |
|||
|
除油器 |
人工排出 自动排出 |
|
|
|||
|
空气干燥器 |
|
|
||||
|
油雾器 |
|
无排放装置 带人工排放 |
||||
|
消声器 |
|
|||||
|
检 测 器 或 指 示 器 |
压力指示器 |
|
|
|||
|
压力表(计) |
|
|
||||
|
压差计 |
|
|
||||
|
温度计 |
|
|
||||
|
液面计 |
|
|
||||
|
检流计 |
|
|
||||
|
流量计 |
累计流量计 |
|||||
|
转速表 |
|
|
||||
|
转矩仪 |
|
|
||||
|
压力继电器 |
详细符号 一般符号 |
详细符号 一般符号 |
|
|
||
|
行程开关 |
详细符号 一般符号 |
|
|
|||
|
模拟传感器 |
|
|
|
|||
|
电动机 |
|
|
||||
|
原动机(电动机除外) |
|
|
||||
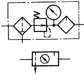
|
气源调节装置 |
垂直箭头表示分离器 |
|
|
|||
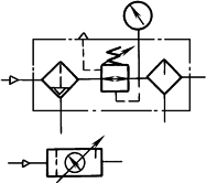
|
压力源 |
|
|
||||
|
① 德国标准DIN ISO 1291-1—1996、英国标准BS2917-1—1993与ISO 1219—1:1991同,本表不再另列栏目。 ② “R1979”表示该标准于1979年予以确认(ReaffIrmed)继续有效。这种确认对标准文本的内容未作任何修改。 |
||||||


















