|
APC系统的控制模式及工作参数的计算 |
|||
|
项目 |
内容 |
||
|
控制模式 |
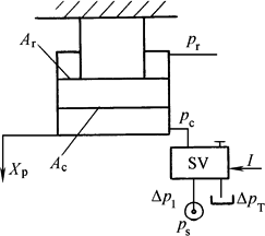
由于压下力很大,且精度和稳定性要求很高,因此APC系统一般采用三通阀,不对称缸控制模式,即用标准四通伺服阀当三通阀用,压下缸活塞腔受控,活塞杆腔通恒定低压。低压pr的作用是轧制时pr=0.5MPa左右,防止活塞杆腔空吸并吸入灰尘;换辊时使pr=3MPa左右用于快速提升压下缸 压下缸放在上支承辊轴承座与压下螺钉(或牌坊顶面)之间时,压下缸倒置,即活塞杆不动、缸体运动 |
|
|
|
压下缸参数的确定与计算 |
系统供油压力ps |
因压下力很大,为避免压下缸尺寸、伺服阀流量和供油系统参数与尺寸过大,拟取经济压力;考虑到液压元件及伺服阀的额定压力系列,并考虑到可靠性和维护水平,取ps=28MPa |
|
|
负载压力pL |
考虑到压下力很大,这里不可能按常规即最大功率传输条件取pL=(2/3)ps;但pL也不应过大,应保证伺服阀阀口上有足够压降,以确保伺服阀的控制能力,这里取pL=23MPa |
||
|
背压pr |
压下控制状态取pr=0.5MPa |
||
|
活塞直径D 活塞杆直径d |
压下力 F=AcpL-Arpr 式中 Ac——活塞腔工作面积,m2; Ar——活塞杆腔面积,m2 令面积比α=Ac/Ar 得 Ac=F/(pL-pr/α) 由F=25000kN,pL=23MPa,pr=0.5MPa,并取α=4 得 Ac=10989.01×10-4m2
取D=f 1200mm d=f 1050mm 则Ac=11309.73×10-4m2 Ar=2650.72×10-4m2 α=Ac/Ar=4.27 pL=22.22MPa |
||
|
行程S |
压下缸行程可根据来料最大厚度、压下率、成品最小厚度及故障状态的过钢要求等加以确定,取S=60mm |
||
|
液压谐振频率校验 |
对于三通阀控制的差动缸,液压谐振频
式中 Ac=11309.73×10-4m2——压下缸活塞腔工作面积 βe——油液的容积弹性模量,考虑到系统在23MPa左右的高压状态下工作,取βe≈1000MPa Vc——压下缸活塞腔控制容积,考虑到伺服阀块直接贴装在压下缸缸体上,管道容积极小,则Vcmax=AcS S=6×10-2m——压下缸行程 mt=mRs/2+mcy=85.5×103kg mRs——上辊系的运动质量,mRs=165×103kg mcy——压下缸缸体运动质量,mcy=3×103kg 将Ac、βe、S、mt诸参数代入ωh中,可计算出 ωh=469.53rad/s=74.73Hz 由于ωh很高,可以不必担心APC系统的动态响应 |
||
|
液压动力元件的传递函数 |
式中 1/Ac=1/11309.73×10-4=88.42×10-2m-2 ωh=469.53rad·s-1 ζhmin≈0.2 |
||
|
伺服阀参数的确定 |
负载流量 |
由压下速度υ=6mm/s,可求出伺服阀的负载流量 QL=υAc=407.15L·min-1 |
|
|
伺服阀的选择及其参数 |
选用MOOG-D792系列伺服阀,主要参数如下: 额定流量 QN=400L·min-1,(单边ΔpN=3.5MPa时) 最大工作压力 35MPa 输入信号 ±10V或±10mA 响应时间(从0至100%行程) 4~12ms 分辨率 <0.2% 滞环 <0.5% 零漂(ΔT=55K) <2% 总的零位泄漏流量(最大值) 10L·min-1 先导阀的零位泄漏流量(最大值) 6L·min-1 |
||
|
伺服阀的工作流量 |
阀口实际压降 Δp=ps-Δpl-pL-ΔpT 式中 液压站供油压力 ps=28MPa 液压站至伺服阀的管路总压降 Δpl≈1MPa 伺服阀回油管路压降 ΔpT≈0.5MPa 额定负载压力 pL=22.22MPa Δp=4.28MPa 于是伺服阀的工作流量:
|
||
|
实际压下速度校验 |
由QL=442.33L/min及Ac=11309.73×10-4m2,可得实际压下速度 υ=QL/Ac=6.52mm·s-1 为达到输入振幅Am=0.1mm下系统频宽≥10Hz,即ω≥62.83rad·s-1的条件,应使动态速度: υd≥Amω=6.28mm·s-1 可见,选用QN=400L·min-1伺服阀可以满足静态及动态速度要求 |
||


