|
空气滤清器 |
|||
|
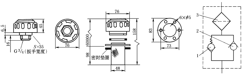
PAF系列预压式空气滤清器 本产品采用空气过滤和加油过滤及进、排气单向阀一体结构,既简单又利于油的净化。适用于工程机械、行走车辆、移动机械以及需要具有压力的液压系统油箱配套使用。各项性能指标已达到国外同类产品技术要求,其连接尺寸与国外产品一致,达到互换、代替,且价格只有进口的1/5
螺纹连接具 法兰连接 工作原理 1—排气单向阀;2—进气单向阀; 3—空气过滤网 |
|||
|
表1 技术规格 |
型号意义: |
||
|
型 号 |
PAF1-※-※-※L |
PAF2-※-※-※F |
|
|
单向阀开启压力/MPa |
0.02、0.035、0.07 |
0.2、0.35、0.7 |
|
|
空气流量/m3·min-1 |
0.45、0.55、0.75 |
0.45、0.55、0.75 |
|
|
过滤精度/μm |
10、20、40 |
10、20、40 |
|
|
油过滤网孔/mm |
无加油滤网 |
0.5(可据用户要求) |
|
|
适应温度/℃ |
-20~100 |
-20~100 |
|
|
连接方式 |
螺纹(G¾) |
法兰(6只M4×16) |
|
|
质量/kg |
0.2 |
0.28 |
|
|
注:生产厂为温州黎明液压机电厂。贺德克公司、西德福公司。 |
|||
|
EF系列液压空气滤清器 |
||||||||
|
|
该产品把空气过滤和加油过滤合为一体,简化了油箱的结构,又利于油箱中油液的净化,维持了油箱内的压力与大气压力的平衡。采用铜基粉末冶金烧结过滤片,过滤精度稳定,强度大,塑性高,拆卸方便,能承受热应力与冲击,并能在高温下正常工作。 |
|||||||
|
表2 mm |
||||||||
|
规 格 |
EF1-25 |
EF2-32 |
EF3-40 |
EF4-50 |
EF5-65 |
EF6-80 |
EF7-100 |
EF8-120 |
|
加油流量/L·min-1 |
9 |
14 |
21 |
32 |
47 |
70 |
110 |
160 |
|
空气流量/L·min-1 |
65 |
105 |
170 |
260 |
450 |
675 |
1055 |
1512 |
|
油过滤面积/cm2 |
80 |
120 |
180 |
270 |
400 |
600 |
942 |
1370 |
|
A |
80 |
100 |
120 |
150 |
190 |
220 |
274 |
333 |
|
B |
45 |
50 |
55 |
59 |
70 |
80 |
88 |
98 |
|
a |
f 39 |
f 47 |
f 55 |
f 66 |
f 81 |
f 96 |
f 118 |
f 138 |
|
b |
f 51 |
f 59 |
f 66.5 |
f 82 |
f 102 |
f 120 |
f 140 |
f 160 |
|
c |
f 64 |
f 70 |
f 80 |
f 92 |
f 120 |
f 140 |
f 160 |
f 180 |
|
螺钉(4只均布) |
M4×10 |
M4×10 |
M5×14 |
M6×14 |
M8×16 |
M8×16 |
M8×20 |
M8×20 |
|
空气过滤精度 |
0.279 |
0.279 |
0.279 |
0.105 |
0.105 |
0.105 |
0.105 |
0.105 |
|
油过滤精度 |
125μm(120目/in)(可根据用户要求) |
|||||||
|
注:1.表中所列空气流量是指15m/s空气流速时的值。 2.系列代号意义:如EF1-25,1代表型号,25代表空气过滤口径及加油口径为25mm。其他类推。 3.一般选用空气流量为泵流量的1.5倍左右。 4.生产厂为温州黎明液压机电厂、温州市瓯海临江液压机械厂、温州远东液压配件厂、贺德克公司、西德福公司。 |
||||||||
|
QUQ系列液压空气滤清器技术规格及外形尺寸 |
|||||||||||
|
1—空气过滤器;2—加油过滤器; 与油箱盖板连接 3—保险链条 的法兰孔尺寸 |
|||||||||||
|
表3 mm |
|||||||||||
|
型 号 |
空气过滤 精度/μm |
空气流量 /m3·min-1 |
温度范围 /℃ |
油过滤网孔 /mm |
D |
D1 |
D2 |
D3 |
L |
L1 |
安装螺栓数 量与规格 |
|
QUQ1 |
10,20,40 |
0.25、0.4、1.0 |
-20~100 |
0.5(可根据用户要求选择) |
f 41 |
f 50 |
f 44 |
f 28 |
82 |
134 |
3×M4×16 |
|
QUQ2 |
0.63、1.0、2.5 |
f 73 |
f 83 |
f 76 |
f 48 |
98 |
159 |
6×M4×16 |
|||
|
QUQ3 |
1.0、2.5、4.0 |
f 145 |
f 160 |
f 150 |
f 95 |
195 |
320 |
6×M4×16 |
|||
|
注:1.表中空气流量是空气阻力△p=0.02MPa时的值。 2.本系列是在EF系列液压空气滤清器的基础上进行改进的,达到标准化、系列化,各项性能指标达到国外同类产品技术要求,连接尺寸与国外产品一致。 3.生产厂为温州黎明液压机电厂,贺德克公司,西德福公司。 |
|||||||||||





