|
常用冷却回路的型式和特点 |
||||||
|
名称 |
简 图 |
特点与说明 |
名称 |
简 图 |
特点与说明 |
|
|
主 油 回 路 冷 却 回 路 |
|
冷却器直接装在主回油路上,冷却速度快,但系统回路有冲击压力时,要求冷却器能承受较高的压力 除了冷却已经发热的系统回油之外,还能冷却溢流阀排出的油液。安全阀用于保护冷却器,当不需要冷却时,可打开截止阀 |
闭 式 系 统 强 制 补 |
油 的 冷 却 系 统 |
|
一般装在热交换阀的回油油路上,也可以装在补油泵的出口上 1—补油泵;2—安全阀;3、4—溢流阀 阀4的调定压力要高于阀3约0.1~0.2MPa |
|
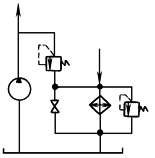
主 溢 流 阀 旁 路 冷 却 回 路 |
|
冷却器装在主溢流阀溢流口,溢流阀产生的热油直接获得冷却,同时也不受系统冲击压力影响,单向阀起保护作用,截止阀可在启动时使液压油直接回油箱 |
组 合 冷 却 回 路 |
|
当液压系统有冲击载荷时,用冷却泵独立循环冷却,延长冷却器寿命;当系统无冲击压力时,采用主回油路冷却,提高冷却效果,多用于台架试验系统 |
|
|
独 立 冷 却 回 路 |
|
单独的油泵将热工作介质通入冷却器,冷却器不受液压冲击的影响,供冷却用的液压泵吸油管应靠近主回路的回油管或溢流阀的泄油管 |
温 度 自 动 调 节 回 路 |
|
根据油温调节冷却水量,以保持油温在很小的范围内变化,接近于恒温 1—测温头;2—进水;3—出水 |
|






