|
蓄能器控制阀组 |
|
蓄能器控制阀组装接于蓄能器和液压系统之间,是用于控制蓄能器油液通断、溢流、泄压等工况的组合阀件 AJ型蓄能器控制阀组由截止阀、安全阀和卸荷阀等组成。其中截止阀为手动式球阀;安全阀有螺纹插装式的直动式溢流阀和法兰连接的先导控制型二通插装式溢流阀两种。卸荷阀分为手动控制和电磁控制:手动控制为螺纹插装式针阀,电磁控制为板式连接的电磁球阀 AJ型控制阀组,是用来同蓄能器特别是与NXQ产品配套使用的阀组。其主要功能如下 1) 设定蓄能器的安全工作压力,实施对液压系统的安全供液和保压 2) 控制蓄能器与液压系统之间管道的通断:当蓄能器向系统供液或系统向蓄能器供液、吸收系统压力脉动、补偿热膨胀等工作状态时打开手动截止阀,当需要停止工作或对蓄能器进行检查维修时,关闭手动截止阀。必要时可用手动泄压阀泄压 蓄能器控制阀组的特点: 1) 采用钢质锻件,外形机加工和表面化学镀镍,较油漆铸件阀体坚固、美观; 2) 采用新设计的螺纹插装式溢流阀和TJK/TG二通插装阀,使产品性能更好; 3) 有多种规格连接接头,供用户选择,使同一通径的控制阀组可与不同容积的蓄能器连接。 |
|
接口和外形尺寸 |
|||||||||||
|
型号意义:
标记示例: 公称通径20mm,手控泄压,安全阀开启压力16MPa,二通插装阀式溢流阀,接头规格为DN20/M42×2:AJS20bc20/M42×2-20 |
|||||||||||
|
表1 mm |
|||||||||||
|
品 种 |
型 号 |
外接口联接尺寸 |
外 形 尺 寸 |
||||||||
|
S口 |
P口 |
T口 |
A |
B |
E |
a |
b |
e |
|||
|
螺纹M |
法兰D/C×C |
接管 (JB/T 2099) |
管接头 (JB/T 966) |
||||||||
|
安全阀组 |
AJS10※Z-20 AJS20※Z-20 AJS32※Z-20 |
M22×15
|
M12/68.6×68.6 M12/68.6×68.6 |
18 28 42 |
14/M18×15 28/M33×2 28/M33×2 |
215 290 300 |
155 220 235 |
95 135 140 |
85 90 100 |
90 145 155 |
50 90 95 |
|
带电磁球阀卸荷的安全阀组 |
AJD10※Z-20 AJD20※Z-20 AJD32※Z-20 |
M22×15
|
M12/68.6×68.6 M12/68.6×68.6 |
18 28 42 |
14/M18×1.5 28/M33×2 28/M33×2 |
215 290 300 |
155 220 235 |
200 230 235 |
85 90 100 |
90 145 155 |
50 90 95 |
|
插装阀型安全阀组 |
AJS20※C-20 AJS32※C-20 |
|
M12/68.5×68.5 |
28 42 |
22/M27×2 34/M42×2 |
285 335 |
165 185 |
205 200 |
115 140 |
110 135 |
90 95 |
|
带电磁球阀卸荷的插装阀型安全阀组 |
AJD20※C-20 AJD32※C-20 |
|
M12/68.5×68.5 |
28 42 |
22/M27×2 34/M42×2 |
350 400 |
265 285 |
205 200 |
115 140 |
110 135 |
90 95 |
|
注:生产厂为上海704研究所、上海航海仪器厂、贺德克公司。 |
|||||||||||
|
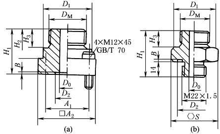
蓄能器与控制阀组连接接头外形尺寸 |
|||||||||||
|
|
|||||||||||
|
表2 mm |
|||||||||||
|
D0 |
DM |
D1 |
D2 |
|
S |
□A1±0.2 |
□A2 |
H1 |
H2 |
H3 |
示图 |
|
10 |
M27×2 |
36 |
30 |
2.4 |
36 |
— |
— |
45 |
— |
16 |
b |
|
M42×2 |
60 |
60 |
57 |
23 |
|||||||
|
20 |
28 |
— |
68.6 |
90 |
63 |
40 |
a |
||||
|
M60×2 |
77 |
75 |
47 |
30 |
|||||||
|
32 |
80 |
40 |
74.2 |
95 |
|||||||
|
M72×2 |
85 |
80 |
52 |
35 |
|||||||





