|
CQJ型充气工具 |
|
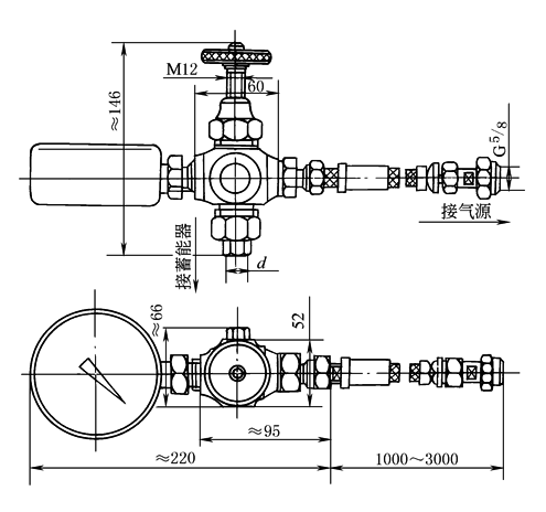
充气工具是蓄能器进行充气、补气、修正气压和检查充气压力等专用工具 1) 型号意义
2) 技术规格 |
|
mm |
||||||
|
型 号 |
公称压力 /MPa |
配用压力表 |
与蓄能器 连接尺寸d |
胶管规格 内径×钢丝层 |
生产厂 |
|
|
刻度范围/MPa |
精度等级 |
|||||
|
CQJ-16 CQJ-25 CQJ-40 |
10 20 31.5 |
0~16 0~25 0~40 |
1.5 |
M14×1.5 |
f8×1 f8×2 f8×3 |
奉化液压件二厂 奉化新华液压件厂 贺德克公司 |
|
3) 外形尺寸
充气工具外形尺寸 |


