|
DSHG型电液换向阀 |
||||||||||
|
DSHG型电液换向阀由电磁换向阀(DSG-01型)和液动换向阀(主阀)组成,用于较大流量的液压系统 型号意义: |
||||||||||
|
|
||||||||||
|
滑 阀 机 能
图1 DSHG型电液换向阀机能符号 |
||||||||||
|
表1 技术规格 |
||||||||||
|
型 号 |
最大流量 /L·min-1 |
最大 工作压力 /MPa |
最高 先导压力 /MPa |
最低 先导压力 /MPa |
最高允许 背压/MPa |
最高切换频率 /次·min-1 |
质量 /kg |
|||
|
外排式 |
内排式 |
AC |
DC |
R |
||||||
|
DSHG-01-3C*-*-1* |
40 |
21 |
21 |
1 |
16 |
16 |
120 |
120 |
120 |
3.5 |
|
DSHG-01-2B*-*-1* |
2.9 |
|||||||||
|
DSHG-03-3C*-*-1* |
160 |
25 |
25 |
0.7 |
16 |
16 |
120 |
120 |
120 |
7.2 |
|
DSHG-03-2N*-*-1* |
7.2 |
|||||||||
|
DSHG-03-2B*-*-1* |
6.6 |
|||||||||
|
DSHG-04-3C*-*-5* |
300 |
31.5 |
25 |
0.8 |
21 |
16 |
120 |
120 |
120 |
8.8 |
|
(S-)DSHG-04-2N*-*-5* |
8.8 |
|||||||||
|
(S-)DSHG-04-2B*-*-5* |
8.2 |
|||||||||
|
(S-)DSHG-06-3C*-*-5* |
500 |
31.5 |
25 |
0.8 |
21 |
16 |
120 |
120 |
120 |
12.7 |
|
(S-)DSHG-06-2N*-*-5* |
12.7 |
|||||||||
|
(S-)DSHG-06-2B*-*-5* |
12.1 |
|||||||||
|
(S-)DSHG-06-3H*-*-5* |
21 |
1 |
110 |
110 |
110 |
13.5 |
||||
|
(S-)DSHG-10-3C*-*-4* |
1100 |
31.5 |
25 |
1 |
21 |
16 |
120 |
120 |
120 |
45.3 |
|
(S-)DSHG-10-2N*-*-4* |
110 |
110 |
110 |
45.3 |
||||||
|
(S-)DSHG-10-2B*-*-4* |
21 |
60 |
60 |
50 |
44.7 |
|||||
|
(S-)DSHG-10-3H*-*-4* |
53.1 |
|||||||||
|
介质 |
矿物液压油,磷酸酯液压油,含水工作液 |
|||||||||
|
介质黏度/m2·s-1 |
(15~400)×10-6 |
|||||||||
|
介质温度/℃ |
-15~70 |
|||||||||
|
注:生产厂为榆次油研液压有限公司。 |
||||||||||
|
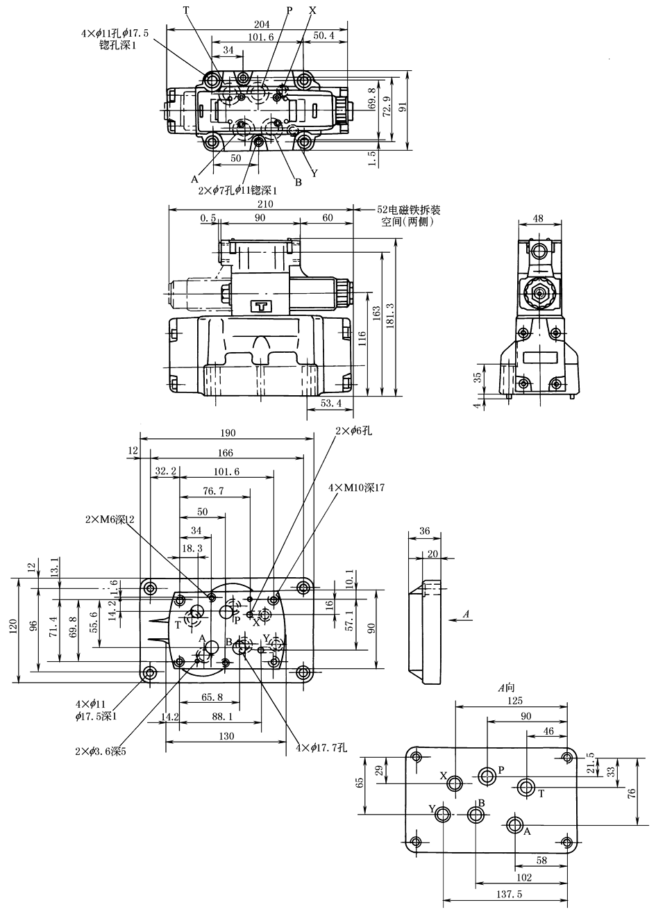
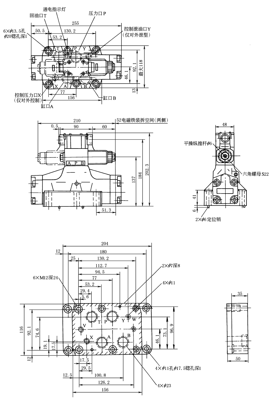
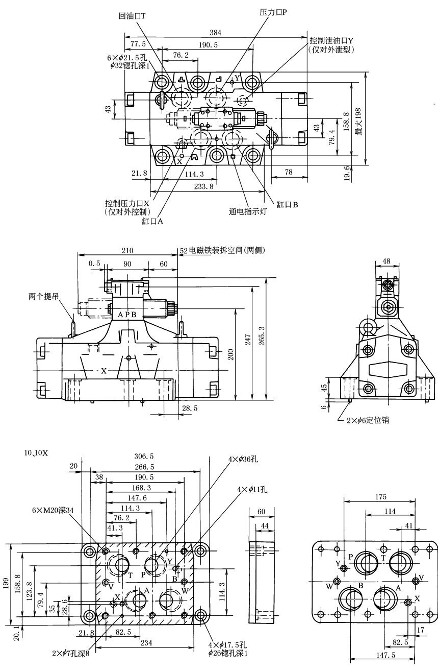
外形尺寸
图2 DSHG-01型电液换向阀
图3 DSHG-03型电液换向阀
图4 DSHG-04型电液换向阀
图5 DSHG-06型电液换向阀
图6 DSHG-10型电液换向阀 |







