|
同步分配器液压缸 |
|
|
同步分配器液压缸是一种单活塞杆多活塞液压缸,所有活塞的行程、速度完全相同。同步分配器液压缸产品有等容积(UF)和非等容积(UFT)两种系列。等容积同步分配器液压缸(以下简称UF缸)的所有活塞直径相同,因此各腔排量也相同;非等容积同步分配器液压缸(以下简称UFT缸)的各腔活塞直径不同,因此各腔排量也不同(排量大小根据用户需要) UF缸和UFT缸可以实现同型或不同型的单、双作用液压缸及摆动缸之间的同步或同时完成动作(各液压缸从启动到停止的时间相同)。加装单向阀的UF缸也可以作为定量注液器使用 UF缸和UFT缸系统的同步精度不受系统的压力、流量和载荷等各种因素影响。从理论上讲同步分配器液压缸是可以实现完全同步的一种分配器,该功能是调速阀、分流集流阀或同步马达不能实现的。由于原则上不存在同步误差,因此在要求同步的各只液压缸上无需使用各种传感器,并进行检测、比较、跟踪,也无需采用价格较高的伺服或比例控制系统。当然若要求同步的数只液压缸,还同时有速度、力、位置等参数的伺服或比例控制要求,这时可采用一只内置或外置传感器的UF缸。UF缸和UFT缸不适用于内泄漏量较大的液压缸的同步控制 UF缸和UFT缸由优瑞纳斯液压机械有限公司生产。该公司可提供包括同步分配器液压缸和液压系统在内的全套同步液压装置 (1) 型号意义
标记示例: 活塞数量4,缸径f 125mm,行程395mm,立式安装,额定压力28MPa,工作介质为矿物油,介质温度50℃,活塞速度100mm/s的同步分配器液压缸,标记为 UF4f 125×395×28 (2) 技术性能及应用 ① 技术性能 表1 |
|
|
压力 |
工作压力0~25MPa,启动压力不大于0.3MPa,耐压试验压力32MPa |
|
工作介质 |
矿物油,特殊UF缸可使用水、水-乙二醇乳化液、磷酸酯以及各种弱酸、碱介质 |
|
工作温度 |
常规缸-35~80℃,高温缸-30~220℃ |
|
活塞速度 |
常规缸不大于500mm/s,高速缸不大于2000mm/s |
|
排量 |
双活塞UF缸最大排量为2×240L,四活塞UF缸最大排量为4×120L |
|
注:由于UF缸是多活塞串联,因此UF缸的行程(尤其是多缸同步时)不宜太长。 |
|
|
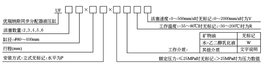
② UF缸的选用方法 a.计算UF缸的行程:UF缸活塞行程是有同步要求的液压缸工作容积与UF缸环形面积之比 例1 柱塞直径f 80mm、行程1000mm的柱塞缸的容积,或者是缸径f 80mm、杆径f 45mm、行程1000mm的活塞缸无杆腔的容积均为:(80/20)2×π×(1000/10)=1600πcm3,如选用缸径f 125mm的UF缸,则UF缸的行程应为[1600π/(32.81π)]×10≈488mm,如选用缸径f 140mm的UF缸,则UF缸的行程应为[1600π/(39.08π)]×10≈409mm 例2 缸径f 100mm,杆径f 70mm,行程1000mm的活塞缸的有杆腔容积为[(100/20)2-(70/20)2]×π×(1000/10)=1275πcm3,如选用缸径f 125mm的UF缸,则UF缸行程为[1275π/(32.81π)]×10≈389mm b.为防止由于计算误差、制造误差以及管路容积损失等造成的容积亏损,一般情况下,UF缸的实际行程比计算行程要大3~20mm。因此,例1中当选用UF125缸时,行程可加大到495mm,当选用UF140缸时,行程可加大到415mm;例2中UF125缸的行程可加大到395mm。UF缸实际行程加长后还可避免每次行程终端的撞击,延长其使用寿命 ③ UF缸的安装 为节省空间及延长使用寿命,UF缸采用垂直安装,安装法兰的基础必须安全可靠。确需水平放置的UF缸,应尽量保持水平,较长较重的UF缸应多增加几个支承点,并牢牢固定,防止换向产生的冲击窜动。水平放置的UF缸不提供缸底安装法兰,可根据用户要求提供安装支座 ④ 应用UF缸的同步回路 由UF缸组成的同步回路有许多种,下面仅举两个常用的例子 例1 四只单作用柱塞缸的同步回路(图1)
图1 柱塞缸同步回路 当1DT(图1)得电时三位四通电磁阀换向,压力油进入同步缸四个下腔,推动四个活塞向上运动,将等量介质分别输入四个柱塞缸,四个柱塞同步升起。电磁铁1DT失电,换向阀复位,柱塞缸停止运行。UF缸下腔油被液控单向阀锁定,柱塞不会下降。2DT得电,换向阀换向,液控单向阀打开,由载荷形成的压力使UF缸活塞向下运动,介质经节流阀节流后回油箱,四个柱塞同步下降。为防意外,每个柱塞缸都安装了一个补油两位两通阀,该阀必须为无泄漏阀。该阀由安装在柱塞缸上升终端前(具体数值根据同步误差要求确定)的行程或接近开关操纵。例如,当要求同步精度不低于2mm时,则在柱塞缸行程终端前1.5mm处各安装一个行程开关,当有的缸已到达行程终点,而有的缸尚未触动行程开关时,便由系统发出声光报警并使两通阀电磁铁得电,两通阀换向,压力油直接进入该液压缸,使其达到行程终点。当出现报警信号时应及时排除故障,故障可能由以下原因造成:管路、接头外泄漏;柱塞缸外泄漏;补油阀内、外泄漏;UF缸内、外泄漏 例2 四只双作用活塞缸的同步回路(图2)
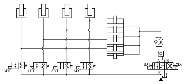
图2 活塞缸同步回路 活塞缸有杆腔、无杆腔都可以与UF缸相连,由用户任选。一般应选择容积小、工作压力低的一腔与UF缸相连。1DT(图2)得电,换向阀换向,压力油进入活塞缸无杆腔,活塞运动将有杆腔介质输入UF缸四个上腔,推动UF缸活塞向下运动。由于各腔环形截面积相等,因此当活塞运动时,其输出、输入的压力介质的流量、体积完全相同。UF缸下腔油液经液控单向阀返回油箱,而活塞缸四活塞杆同步伸出。1DT失电,换向阀复中位,液控单向阀将所有液压缸锁定。2DT得电,压力油进入UF缸下腔,推动活塞,将上腔油输入活塞缸有杆腔,活塞杆同步缩回。补油操作与柱塞缸基本相同,只是行程开关应放在活塞杆全部缩回的终端位置前 ⑤ UF缸的使用注意事项 由于UF缸是容积同步缸,任何泄漏都将影响其同步效果,因此必须做到以下几点 a.所有缸、补油阀、管路、接头等不得有泄漏 b.所有缸以及管路内部所有气体必须排净。UF缸的金属密封螺塞排气后必须旋紧 c.压力介质应经过过滤,清洁度在NAS1638-9级或ISO4406-19/15级以内 d.工作压力不得超过额定压力 e.安装基础要牢固可靠 f.一旦发出同步误差报警应及时检查修复 g.高压长管路应尽量减小其胀缩量。 |
|
|
(3) 外形尺寸
表2 mm |
|||||||||||||
|
径 |
杆径 |
环形面积/cm2 |
L |
L1 |
L2 |
D1 |
D2 |
D3 |
D4 |
D5 |
D6 |
B |
M |
|
80 |
40 |
12π |
154 |
50 |
104 |
180 |
210 |
17 |
108 |
152 |
50 |
16 |
M27×2 |
|
100 |
40 |
21π |
187 |
60 |
125 |
215 |
250 |
17 |
127 |
176 |
50 |
16 |
M33×2 |
|
125 |
50 |
32.81π |
227 |
65 |
145 |
260 |
300 |
17 |
159 |
220 |
60 |
16 |
M42×2 |
|
140 |
63 |
39.08π |
231 |
65 |
155 |
290 |
335 |
17 |
178 |
246 |
70 |
16 |
M42×2 |
|
160 |
70 |
51.75π |
242 |
70 |
176 |
330 |
380 |
17 |
194 |
272 |
80 |
16 |
M48×2 |
|
180 |
70 |
68.75π |
262 |
70 |
186 |
365 |
420 |
17 |
219 |
300 |
80 |
16 |
M48×2 |
|
200 |
90 |
79.75π |
262 |
75 |
196 |
400 |
460 |
22 |
245 |
330 |
100 |
20 |
M48×2 |
|
220 |
100 |
96π |
262 |
75 |
216 |
450 |
520 |
22 |
270 |
365 |
110 |
20 |
M48×2 |
|
250 |
110 |
126π |
296 |
80 |
236 |
500 |
570 |
22 |
299 |
410 |
120 |
20 |
M48×2 |
|
280 |
125 |
156.94π |
306 |
80 |
256 |
570 |
660 |
22 |
325 |
462 |
130 |
20 |
M48×2 |
|
320 |
140 |
207π |
326 |
80 |
256 |
650 |
750 |
22 |
375 |
525 |
150 |
20 |
M48×2 |
|
360 |
160 |
260π |
356 |
80 |
276 |
650 |
780 |
22 |
420 |
560 |
170 |
20 |
M48×2 |
|
400 |
160 |
336π |
406 |
80 |
276 |
730 |
820 |
22 |
470 |
625 |
170 |
20 |
M48×2 |




