|
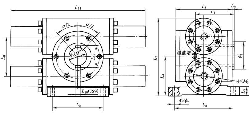
UBJKS脚架式孔输出双齿条型 |
||||||||||||||||
|
mm |
||||||||||||||||
|
型号 |
f1 |
f2 |
f3 |
L1 |
L2 |
L3 |
L4 |
L5 |
L6 |
L7 |
L8 |
L9 |
L10 |
L11 |
L12 |
M1 |
|
UBJKS40 |
50 |
13.5 |
75 |
105 |
140 |
160 |
110 |
25 |
110 |
215 |
154 |
6 |
14 |
233+1.54α |
57.6 |
M22×1.5 |
|
UBJKS50 |
60 |
13.5 |
85 |
125 |
146 |
185 |
131 |
25 |
132 |
257 |
163 |
6 |
18 |
254+1.75α |
68.8 |
M22×1.5 |
|
UBJKS63 |
65 |
17.5 |
95 |
140 |
164 |
200 |
142 |
35 |
144 |
279 |
190 |
6 |
18 |
275+1.92α |
73.8 |
M27×2 |
|
UBJKS80 |
70 |
17.5 |
100 |
150 |
175 |
225 |
168 |
35 |
172 |
332 |
212 |
8 |
20 |
328+2.09α |
79.8 |
M27×2 |
|
UBJKS100 |
85 |
22 |
120 |
165 |
194 |
265 |
195 |
35 |
200 |
385 |
244 |
8 |
22 |
370+2.51α |
95.8 |
M33×2 |
|
UBJKS125 |
90 |
26 |
130 |
170 |
230 |
285 |
228 |
40 |
232 |
451 |
284 |
8 |
25 |
417+2.83α |
100.8 |
M42×2 |
|
UBJKS140 |
105 |
26 |
150 |
200 |
240 |
305 |
246 |
40 |
250 |
487 |
290 |
10 |
28 |
423+3.14α |
117.8 |
M42×2 |
|
UBJKS160 |
120 |
33 |
170 |
220 |
255 |
330 |
274 |
45 |
280 |
543 |
314 |
10 |
32 |
484+3.49α |
134.8 |
M48×2 |
|
UBJKS180 |
125 |
33 |
180 |
240 |
330 |
380 |
303 |
45 |
304 |
601 |
380 |
12 |
32 |
578+3.77α |
139.8 |
M48×2 |
|
UBJKS200 |
140 |
33 |
200 |
260 |
365 |
440 |
333 |
45 |
340 |
661 |
438 |
12 |
36 |
610+4.40α |
156.8 |
M48×2 |
|
注:1.α为摆动角度,由客户按要求决定(0°~720°范围内,摆角公差α±1°)。如需更高精度或需摆角微调,请在订货时说明。 2.视图上双平键位置表示此位置的双平键孔可向左右各转动二分之一摆角。 |
||||||||||||||||

