|
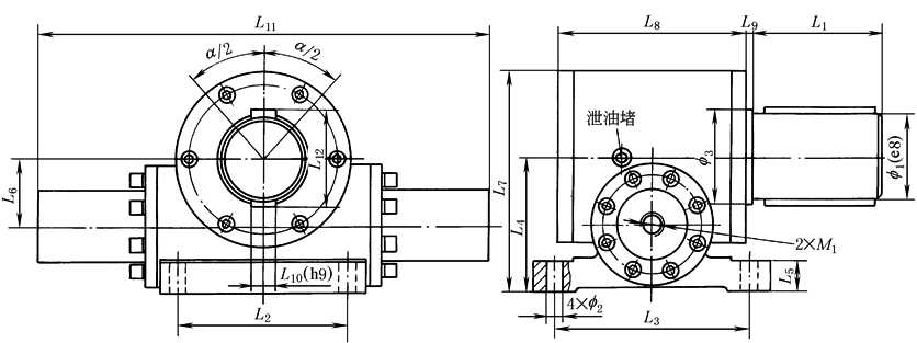
UBJZD脚架式轴输出单齿条型 |
||||||||||||||||
|
mm |
||||||||||||||||
|
型号 |
f1 |
f2 |
f3 |
L1 |
L2 |
L3 |
L4 |
L5 |
L6 |
L7 |
L8 |
L9 |
L10 |
L11 |
L12 |
M1 |
|
UBJZD40 |
70 |
13.5 |
75 |
105 |
140 |
160 |
110 |
25 |
55 |
188 |
154 |
6 |
20 |
233+1.54α |
79 |
M22×1.5 |
|
UBJZD50 |
80 |
13.5 |
85 |
125 |
146 |
185 |
131 |
25 |
66 |
215 |
163 |
6 |
22 |
254+1.75α |
90 |
M22×1.5 |
|
UBJZD63 |
90 |
17.5 |
95 |
140 |
164 |
200 |
142 |
35 |
72 |
236 |
190 |
6 |
25 |
275+1.92α |
100 |
M27×2 |
|
UBJZD80 |
95 |
17.5 |
100 |
150 |
175 |
225 |
168 |
35 |
86 |
267 |
212 |
8 |
25 |
328+2.09α |
105 |
M27×2 |
|
UBJZD100 |
115 |
22 |
120 |
165 |
194 |
265 |
195 |
35 |
100 |
306 |
244 |
8 |
32 |
370+2.51α |
129 |
M33×2 |
|
UBJZD125 |
125 |
26 |
130 |
170 |
230 |
285 |
228 |
40 |
116 |
354 |
284 |
8 |
32 |
417+2.83α |
139 |
M42×2 |
|
UBJZD140 |
145 |
26 |
150 |
200 |
240 |
305 |
246 |
40 |
125 |
377 |
290 |
10 |
36 |
423+3.14α |
161 |
M42×2 |
|
UBJZD160 |
165 |
33 |
170 |
220 |
255 |
330 |
274 |
45 |
140 |
415 |
314 |
10 |
40 |
484+3.49α |
183 |
M48×2 |
|
UBJZD180 |
175 |
33 |
180 |
240 |
330 |
380 |
303 |
45 |
152 |
475 |
380 |
12 |
45 |
578+3.77α |
195 |
M48×2 |
|
UBJZD200 |
195 |
33 |
200 |
260 |
365 |
440 |
333 |
45 |
170 |
520 |
438 |
12 |
45 |
610+4.40α |
215 |
M48×2 |
|
注:1.α为摆动角度,由客户按要求决定(0°~720°范围内,摆角公差α±1°)。如需更高精度或需摆角微调,请在订货时说明。 2.视图上双平键位置表示此位置的双平键轴可向左右各转动二分之一摆角。 |
||||||||||||||||

