|
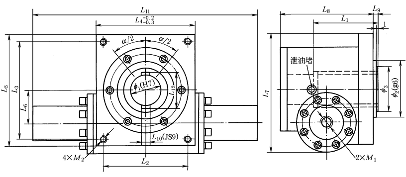
UBFKD法兰式孔输出单齿条型 |
|||||||||||||||||
|
mm |
|||||||||||||||||
|
型号 |
f1 |
f2 |
f3 |
L1 |
L2 |
L3 |
L4 |
L5 |
L6 |
L7 |
L8 |
L9 |
L10 |
L11 |
L12 |
M1 |
M2×孔深 |
|
UBFKD40 |
50 |
95 |
75 |
105 |
140 |
160 |
164 |
184 |
55 |
197 |
154 |
6 |
14 |
233+1.54α |
57.6 |
M22×1.5 |
M12×20 |
|
UBFKD50 |
60 |
105 |
85 |
125 |
146 |
185 |
170 |
210 |
66 |
231 |
163 |
6 |
18 |
254+1.75α |
68.8 |
M22×1.5 |
M12×20 |
|
UBFKD63 |
65 |
115 |
95 |
140 |
164 |
200 |
194 |
232 |
72 |
253 |
190 |
6 |
18 |
275+1.92α |
73.8 |
M27×2 |
M16×25 |
|
UBFKD80 |
70 |
125 |
100 |
150 |
175 |
225 |
205 |
257 |
86 |
292 |
212 |
8 |
20 |
328+2.09α |
79.8 |
M27×2 |
M16×25 |
|
UBFKD100 |
85 |
145 |
120 |
165 |
194 |
265 |
234 |
306 |
100 |
343 |
244 |
8 |
22 |
370+2.51α |
95.8 |
M33×2 |
M20×30 |
|
UBFKD125 |
90 |
155 |
130 |
170 |
230 |
285 |
274 |
334 |
116 |
390 |
284 |
8 |
25 |
417+2.83α |
100.8 |
M42×2 |
M24×35 |
|
UBFKD140 |
105 |
180 |
150 |
200 |
240 |
305 |
286 |
354 |
125 |
418 |
290 |
10 |
28 |
423+3.14α |
117.8 |
M42×2 |
M24×35 |
|
UBFKD160 |
120 |
200 |
170 |
220 |
255 |
330 |
315 |
390 |
140 |
464 |
314 |
10 |
32 |
484+3.49α |
134.8 |
M48×2 |
M30×45 |
|
UBFKD180 |
125 |
220 |
180 |
240 |
330 |
380 |
390 |
440 |
152 |
518 |
380 |
12 |
32 |
578+3.77α |
139.8 |
M48×2 |
M30×45 |
|
UBFKD200 |
140 |
240 |
200 |
260 |
365 |
440 |
425 |
500 |
170 |
578 |
438 |
12 |
36 |
610+4.40α |
156.8 |
M48×2 |
M30×45 |
|
注:1.α为摆动角度,由客户按要求决定(0°~720°范围内,摆角公差α±1°)。如需更高精度或需摆角微调,请在订货时说明。 2.视图上双平键位置表示此位置的双平键孔可向左右各转动二分之一摆角。 |
|||||||||||||||||

