|
多级液压缸 |
|||||||
|
UDZ型多级液压缸属于单作用多级伸缩式套筒液压缸,具有尺寸小、行程大等优点。UDZ型多级液压缸有缸底关节轴承耳环、缸体铰轴和法兰三种安装方式,缸头首级带关节轴承耳环。UDZ型多级液压缸有七种柱塞直径,可组成六种二级缸、五种三级缸、四种四级缸和三种五级缸。在稳定性允许的前提下,生产厂可提供行程超过20m的UDZ型多级液压缸。UDZ型多级液压缸的额定压力为16MPa;每级行程小于或等于500mm的短行程UDZ型多级液压缸,额定压力可为21MPa UDZ型多级液压缸由优瑞纳斯液压机械有限公司生产,此外还有UDH系列双作用多级液压缸产品,详见该公司产品样本 (1) 型号意义
标记示例:五级缸,系列压力16MPa,需要推力20kN,行程5000mm,法兰式安装,缸底侧止口定位,X=150mm,首级带耳环,常温,工作介质为矿物油,标记为 UDZF45/60/75/95/120-5000×150D (2) 技术参数及应用 ① 技术参数 表1 |
|||||||
|
柱塞直径f /mm |
28 |
45 |
60 |
75 |
95 |
120 |
150 |
|
1MPa压力时推力/kN |
0.615 |
1.59 |
2.827 |
4.418 |
7.088 |
11.31 |
17.67 |
|
16MPa压力时推力/kN |
9.85 |
25.45 |
45.24 |
70.69 |
113.4 |
181 |
282.7 |
|
21MPa压力时推力/kN |
12.93 |
33.4 |
59.38 |
92.78 |
148.8 |
237.5 |
371.1 |
|
② 选用方法 a.工作压力:UDZ型多级液压缸额定压力16MPa(出厂测试压力24MPa),用户系统压力应调定在16MPa范围内,每级行程小于或等于500mm的短行程UDZ型多级液压缸,额定压力可达21MPa,但在订货型号上必须标明 b.确定UDZ型多级液压缸缸径。若需要全行程输出恒定的推力,则首级(直径最小的一级)柱塞在提供的介质压力时产生的推力一定要大于所需要的恒定推力。例如,需要的恒定推力是30kN,系统压力是12MPa,这时选用的首级柱塞直径为56.4mm,此时应选用规格中相近的f 60首级缸。如果系统压力是16MPa,就可以根据上表1直接选用f 60首级缸。若需要的推力是变量,则应绘制变量力与行程曲线图和UDZ型多级液压缸行程推力曲线图,作出最佳缸径选择。由于UDZ型多级液压缸是单作用柱塞缸,所以回程时必须依靠重力载荷或其他外力驱动。UDZ型多级液压缸最低启动压力小于或等于0.3MPa,由此可计算出每一柱塞缸的最小回程力 c.确定UDZ型多级液压缸级数。在UDZ型多级液压缸缸径确定后,根据所需UDZ型多级液压缸的行程和最大允许闭合尺寸,可确定UDZ型多级液压缸级数。例如,选用R型安装方式时,所需行程为5000mm,首级柱塞直径为45mm,两耳环中心距最大允许为1800mm,先设想UDZ型多级液压缸为三级,此时查下表2得L3=303+S/3,L17=105,L3+L17=303+5000/3+105=2074mm>1800mm,三级缸不符合使用要求,因此再选用四级缸,查表L3=315+S/4,L17=130,L3+L17=315+5000/4+130=1695<1800,四级缸符合使用要求 d.确定Z型、F型UZD型多级液压缸的X尺寸。Z型缸铰轴和F型缸法兰的位置可按需要确定,但是X尺寸不得超出表下表2中规定的范围,即铰轴和法兰不能超出缸体两端 e.确定F型UDZ型多级液压缸的定位止口。法兰止口f 5(e8)是为精确定位缸体轴心设置的。法兰两侧的两个定位止口,只需选择一个即可,大多数情况下常选用L16(D),在无需精确定位缸体轴心的场合,也可不选用定位止口 f.UDZ型多级液压缸使用时严禁承受侧向力;长行程UDZ型多级液压缸不宜水平使用。如需要以上两种工况的多级缸,请向生产厂订购特殊设计的产品 g.UDZ型多级液压缸的工作介质:标准UDZ型多级液压缸使用清洁的矿物油(NAS7~9级)作为工作介质,如使用水-乙二醇、乳化液等含水介质,应在订货时加W标识。其他如磷酸酯及酸、碱性介质等应用文字说明 h.UDZ型多级液压缸的工作温度:标准UDZ型多级液压缸工作温度范围为-15~80℃,高温UDZ型多级液压缸工作温度范围为-10~200℃ ③ 柱塞运动速度与顺序 由于UDZ型多级液压缸由多种直径柱塞缸组成,因此在系统流量恒定时,每级缸的速度不同。在举升负载过程中,正常情况下先是大直径柱塞先伸出,且速度较慢;大柱塞行程终了时,下一级大柱塞再伸出,且速度会变快;最小直径柱塞最后伸出,但其运行速度最快。当在外力作用下缩回时,先是最小直径柱塞缩回,速度最快;然后依次缩回;最大直径柱塞最后缩回,速度也最慢。对UDZ型多级液压缸的速度要求,一般是规定全行程需用时间,或某一级的运行速度 |
|||||||
|
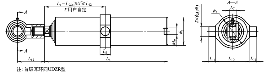
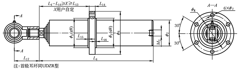
(3) 外形尺寸 缸底关节轴承耳环式UDZR |
|
缸体铰轴式UDZR
缸体法兰式UDZF
表2 mm |
|
规格 |
f 1 |
f 2 |
f 3 |
f 4 |
f 5 |
f 6 |
f 7 |
f 8 |
f 9 |
L1 |
L2 |
L3 |
L4 |
||||||||||||||||
|
二级缸 |
28/45 |
|
70 |
80 |
30 |
76 |
120 |
11 |
98 |
35 |
30 |
18 |
279+S/2 |
231+S/2 |
|||||||||||||||
|
45/60 |
|
83 |
100 |
30 |
90 |
140 |
13 |
115 |
45 |
35 |
20 |
284+S/2 |
234+S/2 |
||||||||||||||||
|
60/75 |
|
108 |
120 |
40 |
115 |
175 |
15 |
145 |
60 |
45 |
20 |
299+S/2 |
241+S/2 |
||||||||||||||||
|
75/95 |
|
127 |
150 |
50 |
145 |
210 |
15 |
180 |
72 |
50 |
20 |
307+S/2 |
245+S/2 |
||||||||||||||||
|
95/120 |
|
152 |
185 |
50 |
175 |
240 |
18 |
210 |
90 |
60 |
20 |
328+S/2 |
253+S/2 |
||||||||||||||||
|
120/150 |
|
194 |
235 |
60 |
220 |
300 |
22 |
260 |
110 |
75 |
20 |
345+S/2 |
262+S/2 |
||||||||||||||||
|
三级缸 |
28/45/60 |
|
83 |
100 |
30 |
90 |
140 |
13 |
115 |
35 |
35 |
18 |
288+S/3 |
238+S/3 |
|||||||||||||||
|
45/60/75 |
|
108 |
120 |
40 |
115 |
175 |
15 |
145 |
48 |
45 |
20 |
303+S/3 |
245+S/3 |
||||||||||||||||
|
60/75/95 |
|
127 |
150 |
50 |
145 |
210 |
15 |
180 |
60 |
50 |
20 |
311+S/3 |
249+S/3 |
||||||||||||||||
|
75/95/120 |
|
152 |
185 |
50 |
175 |
240 |
18 |
210 |
90 |
60 |
20 |
332+S/3 |
257+S/3 |
||||||||||||||||
|
95/120/150 |
|
194 |
235 |
60 |
220 |
300 |
22 |
260 |
90 |
75 |
20 |
349+S/3 |
266+S/3 |
||||||||||||||||
|
四级缸 |
28/45/60/75 |
|
108 |
120 |
40 |
115 |
175 |
15 |
145 |
48 |
45 |
18 |
307+S/4 |
249+S/4 |
|||||||||||||||
|
45/60/75/95 |
|
127 |
150 |
50 |
145 |
210 |
15 |
180 |
52 |
50 |
20 |
315+S/4 |
253+S/4 |
||||||||||||||||
|
60/75/95/120 |
|
152 |
185 |
50 |
175 |
240 |
18 |
210 |
68 |
60 |
20 |
336+S/4 |
261+S/4 |
||||||||||||||||
|
75/95/120/150 |
|
194 |
235 |
60 |
220 |
300 |
22 |
260 |
80 |
75 |
20 |
353+S/4 |
270+S/4 |
||||||||||||||||
|
五级缸 |
28/45/60/75/95 |
|
127 |
150 |
50 |
145 |
210 |
15 |
180 |
52 |
50 |
18 |
319+S/5 |
257+S/5 |
|||||||||||||||
|
45/60/75/95/120 |
|
152 |
185 |
50 |
175 |
240 |
18 |
210 |
68 |
60 |
20 |
340+S/5 |
265+S/5 |
||||||||||||||||
|
60/75/95/120/150 |
|
194 |
235 |
60 |
220 |
300 |
22 |
260 |
80 |
70 |
20 |
357+S/5 |
274+S/5 |
||||||||||||||||
|
规格 |
L5 |
L6 |
L7 |
L8 |
L9 |
L10 |
L11 |
L12 |
L13 |
L14 |
L15 |
L16 |
L17 |
R |
M1 |
M2 |
|||||||||||||
|
二级缸 |
28/45 |
35 |
40 |
22 |
35 |
34 |
80 |
25 |
61 |
49 |
20 |
5 |
5 |
60 |
35 |
22×1.5 |
18×1.5 |
||||||||||||
|
45/60 |
40 |
40 |
22 |
35 |
34 |
100 |
27 |
64 |
49 |
25 |
5 |
5 |
65 |
35 |
35×2 |
22×1.5 |
|||||||||||||
|
60/75 |
45 |
55 |
28 |
45 |
44 |
125 |
30 |
68 |
54 |
25 |
5 |
5 |
105 |
45 |
42×2 |
22×1.5 |
|||||||||||||
|
75/95 |
55 |
70 |
35 |
60 |
54 |
155 |
37 |
71 |
54 |
30 |
5 |
5 |
130 |
60 |
52×2 |
27×2 |
|||||||||||||
|
95/120 |
55 |
70 |
35 |
60 |
54 |
185 |
37 |
76 |
54 |
40 |
5 |
5 |
140 |
60 |
68×2 |
27×2 |
|||||||||||||
|
120/150 |
65 |
80 |
44 |
70 |
64 |
230 |
45 |
89 |
56 |
50 |
10 |
10 |
160 |
70 |
85×3 |
33×2 |
|||||||||||||
|
三级缸 |
28/45/60 |
40 |
40 |
22 |
35 |
34 |
100 |
27 |
72 |
57 |
25 |
5 |
5 |
65 |
35 |
24×1.5 |
22×1.5 |
||||||||||||
|
45/60/75 |
45 |
55 |
28 |
45 |
44 |
125 |
30 |
76 |
57 |
25 |
5 |
5 |
105 |
45 |
33×2 |
22×1.5 |
|||||||||||||
|
60/75/95 |
55 |
70 |
35 |
60 |
54 |
155 |
37 |
79 |
62 |
30 |
5 |
5 |
130 |
60 |
42×2 |
27×2 |
|||||||||||||
|
75/95/120 |
55 |
70 |
35 |
60 |
54 |
185 |
37 |
89 |
62 |
40 |
5 |
5 |
140 |
60 |
68×2 |
27×2 |
|||||||||||||
|
95/120/150 |
65 |
80 |
44 |
70 |
64 |
230 |
45 |
97 |
64 |
50 |
10 |
10 |
160 |
70 |
68×2 |
33×2 |
|||||||||||||
|
四级缸 |
28/45/60/75 |
45 |
55 |
28 |
45 |
44 |
125 |
30 |
84 |
65 |
25 |
5 |
5 |
105 |
45 |
24×1.5 |
22×1.5 |
||||||||||||
|
45/60/75/95 |
55 |
70 |
35 |
60 |
54 |
155 |
37 |
87 |
65 |
30 |
5 |
5 |
130 |
60 |
36×2 |
27×2 |
|||||||||||||
|
60/75/95/120 |
55 |
70 |
35 |
60 |
54 |
185 |
37 |
92 |
70 |
40 |
5 |
5 |
140 |
60 |
48×2 |
27×2 |
|||||||||||||
|
75/95/120/150 |
65 |
80 |
44 |
70 |
64 |
230 |
45 |
105 |
70 |
50 |
10 |
10 |
160 |
70 |
60×2 |
33×2 |
|||||||||||||
|
五级缸 |
28/45/60/75/95 |
55 |
70 |
35 |
60 |
54 |
155 |
37 |
95 |
73 |
30 |
5 |
5 |
130 |
60 |
24×1.5 |
27×2 |
||||||||||||
|
45/60/75/95/120 |
55 |
70 |
35 |
60 |
54 |
185 |
37 |
100 |
73 |
40 |
5 |
5 |
140 |
60 |
36×2 |
27×2 |
|||||||||||||
|
60/75/95/120/150 |
65 |
80 |
44 |
70 |
64 |
230 |
45 |
113 |
78 |
50 |
10 |
10 |
160 |
70 |
48×2 |
33×2 |
|||||||||||||




