|
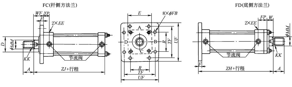
FC(杆侧方法兰)、FD(底侧方法兰) |
|
mm |
|
缸 径 |
B型杆 |
C型杆 |
E |
EE |
FP |
ZJ |
TF |
FB |
UF |
YP |
R |
WF |
W |
F |
ZH |
D |
|||||
|
A |
KK |
MM |
A |
KK |
MM |
01 |
02 |
||||||||||||||
|
32 |
25 |
M16×1.5 |
18 |
— |
— |
— |
58 |
Rc3/8 |
M14×1.5 |
38 |
171 |
88 |
11 |
109 |
27 |
40 |
41 |
30 |
11 |
182 |
34 |
|
40 |
30 |
M20×1.5 |
22 |
25 |
M16×1.5 |
18 |
65 |
Rc3/8 |
M14×1.5 |
38 |
171 |
95 |
11 |
118 |
27 |
46 |
41 |
30 |
11 |
182 |
40 |
|
50 |
35 |
M24×1.5 |
28 |
30 |
M20×1.5 |
22 |
76 |
Rc1/2 |
M18×1.5 |
42 |
185 |
115 |
14 |
145 |
29 |
58 |
43 |
30 |
13 |
198 |
46 |
|
63 |
45 |
M30×1.5 |
35 |
35 |
M24×1.5 |
28 |
90 |
Rc1/2 |
M18×1.5 |
46 |
198 |
132 |
18 |
165 |
31 |
65 |
50 |
35 |
15 |
213 |
55 |
|
80 |
60 |
M39×1.5 |
45 |
45 |
M30×1.5 |
35 |
110 |
Rc3/4 |
M22×1.5 |
56 |
219 |
155 |
18 |
190 |
38 |
87 |
53 |
35 |
18 |
237 |
65 |
|
100 |
75 |
M48×1.5 |
55 |
60 |
M39×1.5 |
45 |
135 |
Rc3/4 |
M27×2 |
58 |
232 |
190 |
22 |
230 |
38 |
109 |
60 |
40 |
20 |
252 |
80 |
|
125 |
95 |
M64×2 |
70 |
75 |
M48×1.5 |
55 |
165 |
Rc1 |
M27×2 |
67 |
265 |
224 |
26 |
272 |
43 |
130 |
69 |
45 |
24 |
289 |
95 |
|
140 |
110 |
M72×2 |
80 |
80 |
M56×2 |
63 |
185 |
Rc1 |
M27×2 |
69 |
280 |
250 |
26 |
300 |
43 |
145 |
76 |
50 |
26 |
306 |
105 |
|
150 |
115 |
M76×2 |
85 |
85 |
M60×2 |
65 |
196 |
Rc1 |
M33×2 |
71 |
290 |
270 |
30 |
320 |
43 |
155 |
78 |
50 |
28 |
318 |
110 |
|
160 |
120 |
M80×2 |
90 |
95 |
M64×2 |
70 |
210 |
Rc1 |
M33×2 |
74 |
308 |
285 |
33 |
345 |
43 |
170 |
86 |
55 |
31 |
339 |
115 |
|
180 |
140 |
M95×2 |
100 |
110 |
M72×2 |
80 |
235 |
Rc1¼ |
M42×2 |
75 |
330 |
315 |
33 |
375 |
42 |
185 |
88 |
55 |
33 |
363 |
125 |
|
200 |
150 |
M100×2 |
112 |
120 |
M80×2 |
90 |
262 |
Rc1½ |
M42×2 |
85 |
356 |
355 |
36 |
425 |
48 |
206 |
92 |
55 |
37 |
393 |
140 |
|
220 |
180 |
M120×2 |
125 |
140 |
M95×2 |
100 |
292 |
Rc1½ |
M42×2 |
89 |
365 |
395 |
42 |
475 |
48 |
230 |
101 |
60 |
41 |
406 |
150 |
|
250 |
195 |
M130×2 |
140 |
150 |
M100×2 |
112 |
325 |
Rc2 |
M42×2 |
106 |
411 |
425 |
45 |
515 |
60 |
250 |
111 |
65 |
46 |
457 |
170 |
表21- 6- 97
mm
| 单、双耳环 | 单耳环 | 双耳环 |
端部零件 质量/kg | ||||||||||||||||||||||
|
缸
径 |
杆 标 记 | M | L4 | L 3 | L1 | D | D1 | L2 | H | h | L〖 〗L4 | L3 | L1 | D | H2 | L2 | H1 | H | h1 | W | h | L | 单耳环 | 双耳环 | |
| 32 | B | M16×1.5 | 34 | 60 | 23 | 16 | 39 | 20 | 25-0.1-0.4 | 8 | 37 | 33 | 60 | 27 | 16 | 32 | 16 | 12.5 | 25+0.4+0.1 | 12 | 68 | 4 | 33 | 0.5 | 0.6 |
| 40 | |||||||||||||||||||||||||
| B | M20× 1.5 | 39 | |||||||||||||||||||||||
| C | M16×1.5 | 34 | 60 | 23 | 16 | 39 | 20 | 25-0.1-0.4 | 8 | 37 | |||||||||||||||
| 33 | |||||||||||||||||||||||||
| 33 | 60 | 27 | 1 6 | 32 | 16 | 12.5 | 25+0.4+0.1 | 12 | 6 8 | 4 | 33 | 0.5 | 0.6 | ||||||||||||
| 50 | |||||||||||||||||||||||||
| B | M24× 1.5 | 44 | |||||||||||||||||||||||
| C | M20×1.5 | 39 | 70 | 28 | 20 | 49 | 25 | 31.5-0.1-0.4 | 10 | 42 | |||||||||||||||
| 38 | |||||||||||||||||||||||||
| 38 | 70 | 32 | 20 | 40 | 20 | 16 | 31.5+0.4+0.1 | 12 | 80 | 10 | 38 | ||||||||||||||
| 0 .9 | 1.0 | ||||||||||||||||||||||||
| 0.9 | 1.1 | ||||||||||||||||||||||||
| 63 | |||||||||||||||||||||||||
| B | M30× 1.5 | 50 | |||||||||||||||||||||||
| C | M24×1.5 | 44 | 115 | 43 | 31.5 | 62 | 35 | 40-0.1-0.4 | 15 | 72 | |||||||||||||||
| 50 | |||||||||||||||||||||||||
| 40 | 115 | 50 | 31.5 | 60 | 30 | 20 | 40+0.4+0.1 | 12 | 98 | 12〖 〗65 | |||||||||||||||
| 2.4 | 3.4 | ||||||||||||||||||||||||
| 2.5 | 3.5 | ||||||||||||||||||||||||
| 80 | |||||||||||||||||||||||||
| B | M39× 1.5 | 65 | |||||||||||||||||||||||
| C | M30×1.5 | 50 | 115 | 43 | 31.5 | 62 | 35 | 40-0.1-0.4 | 15 | 72 | |||||||||||||||
| 65 | |||||||||||||||||||||||||
| 50 | 115 | 50 | 31.5 | 60 | 30 | 20 | 40+0 .4+0.1 | 12 | 98 | 12 | 65 | ||||||||||||||
| 2.1 | 3.1 | ||||||||||||||||||||||||
| 2.4 | 3.4 | ||||||||||||||||||||||||
| 100 | |||||||||||||||||||||||||
| B | M48×1.5 | 80 | |||||||||||||||||||||||
| C | M3 9×1.5 | 65 | 145 | 55〖 〗40 | 79 | 40 | 50-0.1-0.4 | 20 | 90 | ||||||||||||||||
| 85 | |||||||||||||||||||||||||
| 65 | 145 | 60 | 40 | 80 | 40 | 25 | 50+0.4+0.1 | 18 | 125 | 15 | 85 | ||||||||||||||
| 4. 2 | 7.0 | ||||||||||||||||||||||||
| 4.8 | 7.5 | ||||||||||||||||||||||||
| 125 | |||||||||||||||||||||||||
| B | M64×2.0 | 100 | |||||||||||||||||||||||
| C | M48×1.5 | 80 | 180 | 65 | 50 | 100 | 50 | 63-0.1-0.4 | 25 | 115 | |||||||||||||||
| 100 | |||||||||||||||||||||||||
| 80 | 180 | 70 | 50 | 100 | 50 | 31.5 | 63+0.4+0.1 | 18 | 150 | 20 | 110 | ||||||||||||||
| 8.4 | 13.4 | ||||||||||||||||||||||||
| 9.8 | 14.8 | ||||||||||||||||||||||||
| 140 | |||||||||||||||||||||||||
| B | M72×2.0 | 115 | |||||||||||||||||||||||
| C | M56×2.0 | 85 | 225 | 85 | 63 | 130 | 65 | 80-0.1-0.6 | 30 | 140 | |||||||||||||||
| 115 | |||||||||||||||||||||||||
| 85 | 225 | 90 | 63 | 120 | 65 | 40 | 80+0.6+0.1〖 〗18 | 185 | 25 | 135 | |||||||||||||||
| 19.0 | 26.4 | ||||||||||||||||||||||||
| 21.1 | 28.5 | ||||||||||||||||||||||||
| 150 | |||||||||||||||||||||||||
| B | M76×2.0 | 120 | |||||||||||||||||||||||
| C | M60 ×2.0 | 90 | 225 | 85 | 63 | 130 | 65 | 80-0.1-0.6 | 30 | 140 | |||||||||||||||
| 120 | |||||||||||||||||||||||||
| 90 | 225 | 90 | 6 3 | 120 | 65 | 40 | 80+0.6+0.1 | 18 | 185 | 25 | 135 | ||||||||||||||
| 16.8 | 24.2 | ||||||||||||||||||||||||
| 19.7 | 27.1 | ||||||||||||||||||||||||
| 160 | |||||||||||||||||||||||||
| B | M80×2.0 | 125 | |||||||||||||||||||||||
| C | M64 ×2.0 | 100 | 240 | 9 0 | 71 | 140 | 70 | 80-0.1-0.6 | 35 | 15 0 | |||||||||||||||
| 125 | |||||||||||||||||||||||||
| 100 | 2 40 | 100 | 71 | 140 | 70 | 40 | 80+0.6+0. 1 | 18 | 185 | 30 | 140 | ||||||||||||||
| 22.4 | 32.1 | ||||||||||||||||||||||||
| 2 4.8 | 34.5 |
UDZF 45/60/75/95/120-5000×150D
(2)技术参数及应用
① 技术参数
表21- 6- 98
| 柱塞直径��/mm | 28 | 45 | 60 | 75 | 95 | 120 | 150 |
| 1MPa压力时推力/kN | 0.615 | 1.59 | 2.827 | 4.418 | 7.088 | 11.31 | 17.67 |
| 16MPa压力时推力/kN | 9.85 | 25.45 | 45.24 | 70.69 | 113.4 | 181 | 282.7 |
| 21MPa压力时推力/kN | 12.93 | 33.4 | 59.38 | 92.78 | 148.8 | 237.5 | 371.1 |
缸体铰轴式UDZR
缸体法兰式UDZF
表21- 6- 99
mm
| 规格 | ��1 | ��2 | ��3 | ��4 | ��5 | ��6 | ��7 | ��8 | ��9 | L1 | L2 | L3 | L4 | |||
| 二级缸 | ||||||||||||||||
| 28/45 | 300-0.010 | 70 | 80 | 30 | 76 | 120 | 11 | 98 | 35 | 30 | 18 | 279+S/2 | 231+S/2 | |||
| 45/60 | 300-0.010 | 83 | 100 | 30 | 90 | 140 | 13 | 115 | 45 | 35 | 20 | 284+S/2 | 234+S/2 | |||
| 60/75 | 400-0.012 | 108 | 120 | 40 | 115 | 175 | 15 | 145 | 60 | 45 | 20 | 299+S/2 | 241+S/2 | |||
| 75/95 | 500-0.012 | 127 | 150 | 50 | 145 | 210 | 15 | 180 | 72 | 50 | 20 | 307+S/2 | 245+S/2 | |||
| 95/120 | 500-0.012 | 152 | 185 | 50 | 175 | 240 | 18 | 210 | 90 | 60 | 20 | 328+S/2 | 253+S/2 | |||
| 120/150 | 600-0.015 | 194 | 235 | 60 | 220 | 300 | 22 | 260 | 110 | 75 | 20 | 345+S/2 | 262+S/2 | |||
| 三级缸 | ||||||||||||||||
| 28/45/60 | 300-0.010 | 83 | 100 | 30 | 90 | 140 | 13 | 115 | 35 | 35 | 18 | 288+S/3 | 238+S/3 | |||
| 45/60/75 | 400-0.012 | 108 | 120 | 40 | 115 | 175 | 15 | 145 | 48 | 45 | 20 | 303+S/3 | 245+S/3 | |||
| 60/75/95 | 500-0.012 | 127 | 150 | 50 | 145 | 210 | 15 | 180 | 60 | 50 | 20 | 311+S/3 | 249+S/3 | |||
| 75/95/120 | 500-0.012 | 152 | 185 | 50 | 175 | 240 | 18 | 210 | 90 | 60 | 20 | 332+S/3 | 257+S/3 | |||
| 95/120/150 | 600-0.015 | 194 | 235 | 60 | 220 | 300 | 22 | 260 | 90 | 75 | 20 | 349+S/3 | 266+S/3 | |||
| 四级缸 | ||||||||||||||||
| 28/45/60/75 | 400-0.012 | 108 | 120 | 40 | 115 | 175 | 15 | 145 | 48 | 45 | 18 | 307+S/4 | 249+S/4 | |||
| 45/60/75/95 | 500-0.012 | 127 | 150 | 50 | 145 | 210 | 15 | 180 | 52 | 50 | 20 | 315+S/4 | 253+S/4 | |||
| 60/75/95/120 | 500-0.012 | 152 | 185 | 50 | 175 | 240 | 18 | 210 | 68 | 60 | 20 | 336+S/4 | 261+S/4 | |||
| 75/95/120/150 | 600-0.015 | 194 | 235 | 60 | 220 | 300 | 22 | 260 | 80 | 75 | 20 | 353+S/4 | 270+S/4 | |||
| 五级缸 | ||||||||||||||||
| 28/45/60/75/95 | 500-0.012 | 127 | 150 | 50 | 145 | 210 | 15 | 180 | 52 | 50 | 18 | 319+S/5 | 257+S/5 | |||
| 45/60/75/95/120 | 500-0.012 | 152 | 185 | 50 | 175 | 240 | 18 | 210 | 68 | 60 | 20 | 340+S/5 | 265+S/5 | |||
| 60/75/95/120/150 | 600-0.015 | 194 | 235 | 60 | 220 | 300 | 22 | 260 | 80 | 70 | 20 | 357+S/5 | 274+S/5 | |||
| 规格 | L5 | L6 | L7 | L8 | L9 | L10 | L11 | L12 | L13 | L14 | L15 | L16 | L17 | R | M1 | M2 |
| 二级缸 | ||||||||||||||||
| 28/45 | 35 | 40 | 22 | 35 | 34 | 80 | 25 | 61 | 49 | 20 | 5 | 5 | 60 | 35 | 22×1.5 | 18×1.5 |
| 45/60 | 40 | 40 | 22 | 35 | 34 | 100 | 27 | 64 | 49 | 25 | 5 | 5 | 65 | 35 | 35×2 | 22×1.5 |
| 60/75 | 45 | 55 | 28 | 45 | 44 | 125 | 30 | 68 | 54 | 25 | 5 | 5 | 105 | 45 | 42×2 | 22×1.5 |
| 75/95 | 55 | 70 | 35 | 60 | 54 | 155 | 37 | 71 | 54 | 30 | 5 | 5 | 130 | 60 | 52×2 | 27×2 |
| 95/120 | 55 | 70 | 35 | 60 | 54 | 185 | 37 | 76 | 54 | 40 | 5 | 5 | 140 | 60 | 68×2 | 27×2 |
| 120/150 | 65 | 80 | 44 | 70 | 64 | 230 | 45 | 89 | 56 | 50 | 10 | 10 | 160 | 70 | 85×3 | 33×2 |
续表
| 规格 | L5 | L6 | L7 | L8 | L9 | L10 | L11 | L12 | L13 | L14 | L15 | L16 | L17 | R | M1 | M2 |
| 三级缸 | ||||||||||||||||
| 28/45/60 | 40 | 40 | 22 | 35 | 34 | 100 | 27 | 72 | 57 | 25 | 5 | 5 | 65 | 35 | 24×1.5 | 22×1.5 |
| 45/60/75 | 45 | 55 | 28 | 45 | 44 | 125 | 30 | 76 | 57 | 25 | 5 | 5 | 105 | 45 | 33×2 | 22×1.5 |
| 60/75/95 | 55 | 70 | 35 | 60 | 54 | 155 | 37 | 79 | 62 | 30 | 5 | 5 | 130 | 60 | 42×2 | 27×2 |
| 75/95/120 | 55 | 70 | 35 | 60 | 54 | 185 | 37 | 89 | 62 | 40 | 5 | 5 | 140 | 60 | 68×2 | 27×2 |
| 95/120/150 | 65 | 80 | 44 | 70 | 64 | 230 | 45 | 97 | 64 | 50 | 10 | 10 | 160 | 70 | 68×2 | 33×2 |
| 四级缸 | ||||||||||||||||
| 28/45/60/75 | 45 | 55 | 28 | 45 | 44 | 125 | 30 | 84 | 65 | 25 | 5 | 5 | 105 | 45 | 24×1.5 | 22×1.5 |
| 45/60/75/95 | 55 | 70 | 35 | 60 | 54 | 155 | 37 | 87 | 65 | 30 | 5 | 5 | 130 | 60 | 36×2 | 27×2 |
| 60/75/95/120 | 55 | 70 | 35 | 60 | 54 | 185 | 37 | 92 | 70 | 40 | 5 | 5 | 140 | 60 | 48×2 | 27×2 |
| 75/95/120/150 | 65 | 80 | 44 | 70 | 64 | 230 | 45 | 105 | 70 | 50 | 10 | 10 | 160 | 70 | 60×2 | 33×2 |
| 五级缸 | ||||||||||||||||
| 28/45/60/75/95 | 55 | 70 | 35 | 60 | 54 | 155 | 37 | 95 | 73 | 30 | 5 | 5 | 130 | 60 | 24×1.5 | 27×2 |
| 45/60/75/95/120 | 55 | 70 | 35 | 60 | 54 | 185 | 37 | 100 | 73 | 40 | 5 | 5 | 140 | 60 | 36×2 | 27×2 |
| 60/75/95/120/150 | 65 | 80 | 44 | 70 | 64 | 230 | 45 | 113 | 78 | 50 | 10 | 10 | 160 | 70 | 48×2 | 33×2 |
7.7齿条齿轮摆动液压缸 7.7.1UB型齿条齿轮摆动液压缸 UB型摆动液压缸为重型机械企业标准产品,标准号JB/ZQ 4713—1998。 UB型摆动液压缸是将液压能转换为机械能,实现往复摆动的执行元件。 它是带齿轮齿条机构的组合液压缸。往复直线运动的活塞-齿条带动齿轮正反向回转,并 输出转矩。 UB型摆动液压缸公称压力16MPa,有单齿条和双齿条两种结构型式;有法兰式和脚架式两种安装方式;有轴和孔两种输出方式。 带液压动力包的UB型摆动液压缸由含电动机、泵、阀和油箱的微型液压油源与UB型摆动液压缸组合而成,具有结构紧凑、体积小、重量轻等特点,适用于只装备单个UB型摆动液压缸或装备数量不多UB型摆动液压缸的场合。 UB型摆动液压缸生产厂:优瑞纳斯液压机械有限公司。 (1)型号意义 标记示例:法兰连接,轴输出,双齿条结构,转矩8818N·m,摆动角度368°,带终端缓冲和带P05液压动力包的UB型摆动液压缸,标记为
UBFZS80-368°HP05
(2)技术规格
表21- 6- 100
|
结构 特点 |
连接 方式 | |||||||||||||
| 型号 | ||||||||||||||
| 轴输出 | 孔输出 |
缸径 /mm |
转矩
(p为 16MPa时) /N·m |
转矩计算式 (p为工作压力) /N·m |
每度转角 用油量 /L·(°)-1 | |||||||||
| 带液压动力 包的摆动速度(无缓冲时)/(°)·s-1 | ||||||||||||||
| P01 | P02 | P03 | P04 | P05 | P06 | P07 | P08 | P09 | P10 | P11 | ||||
| 单齿条 | ||||||||||||||
| 法兰 | UBFZD40 | UBFKD40 | ||||||||||||
| 脚架 | UBJZD40 | UBJKD40 | ||||||||||||
| 法兰 | UBFZD50 | UBFKD50 | ||||||||||||
| 脚架 | UBJZD50 | UBJKD50 | ||||||||||||
| 法兰 | UBFZD63 | UBFKD63 | ||||||||||||
| 脚架 | UBJZD63 | UBJKD63 | ||||||||||||
| 法兰 | UBFZD80 | UBFKD80 | ||||||||||||
| 脚架 | UBJZD80 | UBJKD80 | ||||||||||||
| 法兰 | UBFZD100 | UBFKD100 | ||||||||||||
| 脚架 | UBJZD100 | UBJKD100 | ||||||||||||
| 法兰 | UBFZD125 | UBFKD125 | ||||||||||||
| 脚架 | UBJZD125 | UBJKD125 | ||||||||||||
| 法兰 | UBFZD140 | UBFKD140 | ||||||||||||
| 脚架 | UBJZD140 | UBJKD140 | ||||||||||||
| 法兰 | UBFZD160 | UBFKD160 | ||||||||||||
| 脚架 | UBJZD160 | UBJKD160 | ||||||||||||
| 法兰 | UBFZD180 | UBFKD180 | ||||||||||||
| 脚架 | UBJZD180 | UBJKD180 | ||||||||||||
| 法兰 | UBFZD200 | UBFKD200 | ||||||||||||
| 脚架 | UBJZD200 | UBJKD200 | ||||||||||||
| 40 | 798 | 55(p-1. 5) | 0.00097 | 26 | 34 | 48 | 60 | 72 | 86 | 98 | 120 | 140 | 172 | 240 |
| 50 | 1421 | 98(p-1.5) | 0.00171 | 15 | 19 | 27 | 34 | 41 | 49 | 55 | 68 | 80 | 97 | 136 |
| 63 | 2480 | 171(p-1.5) | 0.00299 | 8 | 11 | 16 | 20 | 23 | 28 | 32 | 39 | 46 | 56 | 78 |
| 80 | 4409 | 302(p-1.4) | 0.00526 | 4.8 | 6 | 9 | 11 | 13 | 16 | 18 | 22 | 26 | 31 | 44 |
| 100 | 8320 | 566(p-1.3) | 0.00987 | 2.5 | 3 | 4.7 | 5.9 | 7 | 8.4 | 9.6 | 11 | 14 | 17 | 23 |
| 125 | 14612 | 994(p-1.3) | 0.01735 | 1.4 | 2 | 2.7 | 3. 3 | 4 | 4.8 | 5.5 | 6.7 | 7.9 | 9.6 | 13 |
| 140 | 20498 | 1385(p-1.2) | 0.02418 | 1 | 1.4 | 1.9 | 2.4 | 2.9 | 3.4 | 3.9 | 4.8 | 5.6 | 6.9 | 9.6 |
| 160 | 29748 | 2010(p-1.2) | 0.03509 | 0.7 | 0.9 | 1.3 | 1.7 | 2 | 2.4 | 2.7 | 3.3 | 3.9 | 4.7 | 6.6 |
| 180 | 40945 | 2748(p-1.1) | 0.04797 | 0.5 | 0.7 | 1 | 1.2 | 1.5 | 1.7 | 2 | 2.4 | 2.8 | 3.5 | 4.9 |
| 200 | 59370 | 3958(p-1.0) | 0.06909 | 0.3 | 0.5 | 0.6 | 0.8 | 1 | 1.2 | 1.4 | 1.6 | 2 | 2.4 | 3.2 |
| 双齿条 | ||||||||||||||
| 法兰 | UBFZS40 | UBFKS40 | ||||||||||||
| 脚架 | UBJZS40 | UBJKS40 | ||||||||||||
| 法兰 | UBFZS50 | UBFKS50 | ||||||||||||
| 脚架 | UBJZS50 | UBJKS50 | ||||||||||||
| 法兰 | UBFZS63 | UBFKS63 | ||||||||||||
| 脚架 | UBJZS63 | UBJKS63 | ||||||||||||
| 法兰 | UBFZS80 | UBFKS80 | ||||||||||||
| 脚架 | UBJZS80 | UBJKS80 | ||||||||||||
| 法兰 | UBFZS100 | UBFKS100 | ||||||||||||
| 脚架 | UBJZS100 | UBJKS100 | ||||||||||||
| 法兰 | UBFZS125 | UBFKS125 | ||||||||||||
| 脚架 | UBJZS125 | UBJKS125 | ||||||||||||
| 法兰 | UBFZS140 | UBFKS140 | ||||||||||||
| 脚架 | UBJZS140 | UBJKS140 | ||||||||||||
| 法兰 | UBFZS160 | UBFKS160 | ||||||||||||
| 脚架 | UBJZS160 | UBJKS160 | ||||||||||||
| 法兰 | UBFZS180 | UBFKS180 | ||||||||||||
| 脚架 | UBJZS180 | UBJKS180 | ||||||||||||
| 法兰 | UBFZS200 | UBFKS200 | ||||||||||||
| 脚架 | UBJZS200 | UBJKS200 | ||||||||||||
| 40 | 1595 | 11 0(p-1.5) | 0.00193 | 13 | 17 | 24 | 30 | 36 | 43 | 49 | 60 | 70 | 81 | 120 |
| 50 | 2842 | 196(p-1.5) | 0.00343 | 7.5 | 9.5 | 14 | 17〖 〗20 | 24 | 23 | 34 | 40 | 49 | 68 | |
| 63 | 4959 | 342(p-1.5) | 0.00598 | 4 | 5.5 | 8 | 10 | 12 | 14 | 16 | 19 | 23 | 28 | 39 |
| 80 | 8818 | 604(p-1.4) | 0.01053 | 2.4 | 3 | 4.5 | 5.5 | 6.5 | 8 | 9 | 11 | 13 | 16 | 22 |
| 100 | 16640 | 1132(p-1.3) | 0.01974 | 1.3 | 1.6 | 2.3〖 〗3 | 3.5 | 4.2 | 4.8 | 5.9 | 7 | 8.4 | 12 | |
| 125 | 29224 | 1988(p-1.3) | 0.03470 | 0.7 | 1 | 1.3 | 1.7 | 2 | 2.4 | 2.7 | 3.8 | 3.9 | 4.8 | 6.7 |
| 140 | 40996 | 2770(p-1.2) | 0.04836 | 0.5 | 0.7 | 1 | 1.2 | 1.4 | 1.7 | 2 | 2.4 | 2.8 | 3.4 | 4.8 |
| 160 | 59496 | 4020(p-1.2) | 0.07018 | 0.3 | 0.5 | 0.7 | 0.8 | 1 | 1.2 | 1.3 | 1.6 | 1.9 | 2.3 | 3.3 |
| 180 | 81890 | 5496(p-1.1) | 0.09593 | 0.2 | 0.3 | 0.5 | 0.6 | 0.7 | 0.8 | 1 | 1.2 | 1.4 | 1.7 | 2.4 |
| 200 | 118740 | 7916(p-1.0) | 0.13817 | 0.1 | 0.2 | 0.3 | 0.4 | 0.5 | 0.6 | 0.7 | 0.8 | 1 | 1.2 | 1.6 |
| 液压动力包电动机(38 0V,50Hz)功率/kW | 0.55 | 0.75 | 1.1 | 1.5 | 1.5 | 2 | 2 | 2.2 | 3 | 4 | 4 |
表21- 6- 101
mm
|
型号 | ��1 | ��2 | ��3 | L1 | L2 | L3 | L4 | L5 | L6 | L7 | L8 | L9 | L10 | L11 | L12 | M1 | M2×孔深 |
| UBFZD40 | 70 | 95 | 75 | 105 | 140 | 160 | 164 | 184 | 5 5 | 197 | 154 | 6 | 20 | 233+1.54α | 79 | M22×1.5 | M12×20 |
| UBFZD50 | 80 | 105 | 85 | 125 | 146 | 185 | 170 | 210 | 6 6 | 231 | 163 | 6 | 22 | 254+1.75α | 90 | M22×1.5 | M12×20 |
| UBFZD63 | 90 | 115 | 95 | 140 | 164 | 200 | 194 | 232 | 7 2 | 253 | 190 | 6 | 25 | 275+1.92α | 100 | M27×2 | M 16×25 |
| UBFZD80 | 95 | 125 | 100 | 150 | 175 | 225 | 205 | 257 | 86 | 292 | 212 | 8 | 25 | 328+2.09α | 105 | M27×2 | M16×25 |
| UBFZD100 | 115 | 145 | 120 | 165 | 194 | 265 | 234 | 306〖 〗100 | 343 | 244 | 8 | 32 | 370+2.51α | 129 | M33×2 | M20×30 | |
| UBFZD125 | 125 | 155 | 130 | 170 | 230 | 285 | 274 | 334〖 〗116 | 390 | 284 | 8 | 32 | 417+2.83α | 139 | M42×2 | M24×35 | |
| UBFZD140 | 145 | 180 | 150 | 200 | 240 | 305 | 286 | 354〖 〗125 | 418 | 290 | 10 | 36 | 423+3.14α | 161 | M42×2 | M24×35 | |
| UBFZD160 | 165 | 200 | 170 | 220 | 255 | 330 | 315 | 390〖 〗140 | 464 | 314 | 10 | 40 | 484+3.49α | 183 | M48×2 | M30×45 | |
| UBFZD180 | 175 | 220 | 180 | 240 | 330 | 380 | 390 | 440〖 〗152 | 518 | 380 | 12 | 45 | 578+3.77α | 195 | M48×2 | M30×45 | |
| UBFZD200 | 195 | 240 | 200 | 260 | 365 | 440 | 425 | 500〖 〗170 | 578 | 438 | 12 | 45 | 610+4.40α | 215 | M48×2 | M30×45 |
表21- 6- 102
mm
|
型号 | ��1 | ��2 | ��3 | L1 | L2 | L3 | L4 | L5 | L6 | L 7 | L8 | L9 | L10 | L11 | L12 | M1 | M2×孔深 |
| UBFZS40 | 70 | 95 | 75 | 105 | 140 | 160 | 164 | 184 | 110 | 21 0 | 154 | 6 | 20 | 233+1.54α | 79 | M22×1.5 | M12×2 0 |
| UBFZS50 | 80 | 105 | 85 | 125 | 146 | 185 | 170 | 210 | 132 | 25 2 | 163 | 6 | 22 | 254+1.75α | 90 | M22×1.5 | M12×20 |
| UBFZS63 | 90 | 115 | 95 | 140 | 164 | 200 | 194 | 232 | 144 | 27 4 | 190 | 6 | 25 | 275+1.92α | 100 | M27×2 | M16×25 |
| UBFZS80 | 95 | 125 | 100 | 150 | 175 | 225 | 205 | 257 | 172 | 3 27 | 212 | 8 | 25 | 328+2.09α | 105 | M27×2 | M16×25 |
| UBFZS100 | 115 | 145 | 120 | 165 | 194 | 265 | 234 | 306 | 200〖 〗380 | 244 | 8 | 32 | 370+2.51α | 129 | M33×2 | M20 ×30 | |
| UBFZS125 | 125 | 155 | 130 | 170 | 230 | 285 | 274 | 334 | 232〖 〗446 | 284 | 8 | 32 | 417+2.83α | 139 | M42×2 | M24 ×35 | |
| UBFZS140 | 145 | 180 | 150 | 200 | 240 | 305 | 286 | 354 | 250〖 〗482 | 290 | 10 | 36 | 423+3.14α | 161 | M42×2 | M24 ×35 | |
| UBFZS160 | 165 | 200 | 170 | 220 | 255 | 330 | 315 | 390 | 280〖 〗538 | 314 | 10 | 40 | 484+3.49α | 183 | M48×2 | M30 ×45 | |
| UBFZS180 | 175 | 220 | 180 | 240 | 330 | 380 | 390 | 440 | 304〖 〗596 | 380 | 12 | 45 | 578+3.77α | 195 | M48×2 | M30 ×45 | |
| UBFZS200 | 195 | 240 | 200 | 260 | 365 | 440 | 425 | 500 | 340〖 〗656 | 438 | 12 | 45 | 610+4.40α | 215 | M48×2 | M30 ×45 |
表21- 6- 103
mm
|
型号 | ��1 | ��2 | ��3 | L1 | L2 | L3 | L4 | L 5 | L6 | L7 | L8 | L9 | L10 | L11 | L12 | M1 | M2×孔深 |
| UBFKD40 | 50 | 95 | 75 | 105 | 140 | 160 | 164 | 184 | 55 | 19 7 | 154 | 6 | 14 | 233+1.54α | 57.6 | M22×1.5 | M12 ×20 |
| UBFKD50 | 60 | 105 | 85 | 125 | 146 | 185 | 170 | 210 | 66 | 231 | 163 | 6 | 18 | 254+1.75α | 68.8 | M22×1.5 | M12 ×20 |
| UBFKD63 | 65 | 115 | 95 | 140 | 164 | 200 | 194 | 232 | 72 | 253 | 190 | 6 | 18 | 275+1.92α | 73.8 | M27×2 | M16×25 |
| UBFKD80 | 70 | 125 | 100 | 150 | 175 | 225 | 205 | 257 | 86 | 29 2 | 212 | 8 | 20 | 328+2.09α | 79.8 | M27×2 | M16×2 5 |
| UBFKD100 | 85 | 145 | 120 | 165 | 194 | 265 | 234 | 306 | 100 | 343 | 244 | 8 | 22 | 370+2.51α | 95.8 | M33×2 | M20 ×30 |
| UBFKD125 | 90 | 155 | 130 | 170 | 230 | 285 | 274 | 334 | 116 | 390 | 284 | 8 | 25 | 417+2.83α | 100.8 | M42×2 | M24 ×35 |
| UBFKD140 | 105 | 180 | 150 | 200 | 240 | 305 | 286 | 354〖 〗125〖 〗418 | 290 | 10 | 28 | 423+3.14α | 117.8 | M42×2 | M24×35 | ||
| UBFKD160 | 120 | 200 | 170 | 220 | 255 | 330 | 315 | 390 | 140〖 〗464 | 314 | 10 | 32 | 484+3.49α | 134.8 | M48×2 | M30×45 | |
| UBFKD180 | 125 | 220 | 180 | 240 | 330 | 380 | 390 | 440 | 152〖 〗518 | 380 | 12 | 32 | 578+3.77α | 139.8 | M48×2 | M30×45 | |
| UBFKD200 | 140 | 240 | 200 | 260 | 365 | 440 | 425 | 500 | 170〖 〗578 | 438 | 12 | 36 | 610+4.40α | 156.8 | M48×2 | M30×45 |
表21- 6- 104
mm
|
型号 | ��1 | ��2 | ��3 | L1 | L2 | L3 | L4 | L5 | L6 | L 7 | L8 | L9 | L10 | L11 | L12 | M1 | M 2×孔深 |
| UBFKS40 | 50 | 95 | 75 | 105 | 140 | 160 | 164 | 184 | 110 | 21 0 | 154 | 6 | 14 | 233+1.54α | 57.6 | M22×1.5 | M12 ×20 |
| UBFKS50 | 60 | 105 | 85 | 125 | 146 | 185 | 170 | 210 | 132 | 25 2 | 163 | 6 | 18 | 254+1.75α | 68.8 | M22×1.5 | M12 ×20 |
| UBFKS63 | 65 | 115 | 95 | 140 | 164 | 200 | 194 | 232 | 144 | 27 4 | 190 | 6 | 18 | 275+1.92α | 73.8 | M27×2 | M16×2 5 |
| UBFKS80 | 70 | 125 | 100 | 150 | 175 | 225 | 205 | 257 | 172 | 3 27 | 212 | 8 | 20 | 328+2.09α | 79.8 | M27×2 | M16× 25 |
| UBFKS100 | 85 | 145 | 120 | 165 | 194 | 265 | 234 | 306 | 200 | 380 | 244 | 8 | 22 | 370+2.51α | 95.8 | M33×2 | M20 ×30 |
| UBFKS125 | 90 | 155 | 130 | 170 | 230 | 285 | 274 | 334 | 232 | 446 | 284 | 8 | 25 | 417+2.83α | 100.8 | M42×2 | M24 ×35 |
| UBFKS140 | 105 | 180 | 150 | 200 | 240 | 305 | 286 | 354 | 250〖 〗482 | 290 | 10 | 28 | 423+3.14α | 117.8 | M42×2 | M24×35 | |
| UBFKS160 | 120 | 200 | 170 | 220 | 255 | 330 | 315 | 390 | 280〖 〗538 | 314 | 10 | 32 | 484+3.49α | 134.8 | M48×2 | M30×45 | |
| UBFKS180 | 125 | 220 | 180 | 240 | 330 | 380 | 390 | 440 | 304〖 〗596 | 380 | 12 | 32 | 578+3.77α | 139.8 | M48×2 | M30×45 | |
| UBFKS200 | 140 | 240 | 200 | 260 | 365 | 440 | 425 | 500 | 340〖 〗656 | 438 | 12 | 36 | 610+4.40α | 156.8 | M48×2 | M30×45 |
表21- 6- 105
mm
|
型号 | ��1 | ��2 | ��3 | L1 | L2 | L3 | L4 | L5 | L6 | L7 | L8 | L9 | L10 | L11 | L12 | M1 |
| UBJZD40 | 70 | 13.5 | 75 | 105 | 140 | 160 | 110 | 25 | 55 | 1 88 | 154 | 6 | 20 | 233+1.54α | 79 | M22×1.5 |
| UBJZD50 | 80 | 13.5 | 85 | 125 | 146 | 185 | 131 | 25 | 66 | 21 5 | 163 | 6 | 22 | 254+1.75α | 90 | M22×1.5 |
| UBJZD63 | 90 | 17.5 | 95 | 140 | 164 | 200 | 142 | 35 | 72 | 23 6 | 190 | 6 | 25 | 275+1.92α | 100 | M27×2 |
| UBJZD80 | 95 | 17.5 | 100 | 150 | 175 | 225 | 168 | 35 | 86 | 2 67 | 212 | 8 | 25 | 328+2.09α | 105 | M27×2 |
| UBJZD100 | 115 | 22 | 120 | 165 | 194 | 265 | 195 | 35 | 100 | 3 06 | 244 | 8 | 32 | 370+2.51α | 129 | M33×2 |
| UBJZD125 | 125 | 26 | 130 | 170 | 230 | 285 | 228 | 40 | 116 | 3 54 | 284 | 8 | 32 | 417+2.83α | 139 | M42×2 |
| UBJZD140 | 145 | 26 | 150 | 200 | 240 | 305 | 246 | 40 | 125 | 3 77 | 290 | 10 | 36 | 423+3.14α | 161 | M42×2 |
| UBJZD160 | 165 | 33 | 170 | 220 | 255 | 330 | 274 | 45 | 140 | 4 15 | 314 | 10 | 40 | 484+3.49α | 183 | M48×2 |
| UBJZD180 | 175 | 33 | 180 | 240 | 330 | 380 | 303 | 45 | 152 | 4 75 | 380 | 12 | 45 | 578+3.77α | 195 | M48×2 |
| UBJZD200 | 195 | 33 | 200 | 260 | 365 | 440 | 333 | 45 | 170 | 5 20 | 438 | 12 | 45 | 610+4.40α | 215 | M48×2 |
UBJZS脚架式轴输出双齿条型
表21- 6- 106
mm
| 型号 | ��1 | �� 2 | ��3 | L1 | L2 | L3 | L4 | L5 | L6 | L7 | L8 | L9 | L10 | L11 | L12 | M1 |
| UBJZS40 | 70 | 13.5 | 75 | 105 | 140 | 160 | 110 | 25 | 110 | 215 | 154 | 6 | 20 | 233+1.54α | 79 | M22×1.5 |
| UBJZS50 | 80 | 13.5 | 85 | 125 | 146 | 185 | 131 | 25 | 132 | 2 57 | 163 | 6 | 22 | 254+1.75α | 90 | M22×1.5 |
| UBJZS63 | 90 | 17.5 | 95 | 140 | 164 | 200 | 142 | 35 | 144 | 2 79 | 190 | 6 | 25 | 275+1.92α | 100 | M27×2 |
| UBJZS80 | 95 | 17.5 | 100 | 150 | 175 | 225 | 168 | 35 | 172 | 332 | 212 | 8 | 25 | 328+2.09α | 105 | M27×2 |
| UBJZS100 | 115 | 22 | 120 | 165 | 194 | 265 | 195 | 35 | 200 | 3 85 | 244 | 8 | 32 | 370+2.51α | 129 | M33×2 |
| UBJZS125 | 125 | 26 | 130 | 170 | 230 | 285 | 228 | 40 | 232 | 4 51 | 284 | 8 | 32 | 417+2.83α | 139 | M42×2 |
| UBJZS140 | 145 | 26 | 150 | 200 | 240 | 305 | 246 | 40 | 250 | 4 87 | 290 | 10 | 36 | 423+3.14α | 161 | M42×2 |
| UBJZS160 | 165 | 33 | 170 | 220 | 255 | 330 | 274 | 45 | 280 | 5 43 | 314 | 10 | 40 | 484+3.49α | 183 | M48×2 |
| UBJZS180 | 175 | 33 | 180 | 240 | 330 | 380 | 303 | 45 | 304 | 6 01 | 380 | 12 | 45 | 578+3.77α | 195 | M48×2 |
| UBJZS200 | 195 | 33 | 200 | 260 | 365 | 440 | 333 | 45 | 340 | 6 61 | 438 | 12 | 45 | 610+4.40α | 215 | M48×2 |
表21- 6- 107
mm
| 型号 | ��1 | ��2 | ��3 | L1 | L2 | L3 | L4 | L5 | L 6 | L7 | L8 | L9 | L10 | L11 | L12 | M1 |
| UBJKD40 | 50 | 13.5 | 75 | 105 | 140 | 160 | 110 | 25 | 55 | 1 88 | 154 | 6 | 14 | 233+1.54α | 57.6 | M22×1.5 |
| UBJKD50 | 60 | 13.5 | 85 | 125 | 146 | 185 | 131 | 25 | 66 | 21 5 | 163 | 6 | 18 | 254+1.75α | 68.8 | M22×1.5 |
| UBJKD63 | 65 | 17.5 | 95 | 140 | 164 | 200 | 142 | 35 | 72 | 23 6 | 190 | 6 | 18 | 275+1.92α | 73.8 | M27×2 |
| UBJKD80 | 70 | 17.5 | 100 | 150 | 175 | 225 | 168 | 35 | 86 | 2 67 | 212 | 8 | 20 | 328+2.09α | 79.8 | M27×2 |
| UBJKD100 | 85 | 22 | 120 | 165 | 194 | 265 | 195 | 35 | 100 | 30 6 | 244 | 8 | 22 | 370+2.51α | 95.8 | M33×2 |
| UBJKD125 | 90 | 26 | 130 | 170 | 230 | 285 | 228 | 40 | 116 | 35 4 | 284 | 8 | 25 | 417+2.83α | 100.8 | M42×2 |
| UBJKD140 | 105 | 26 | 150 | 200 | 240 | 305 | 246 | 40 | 125 | 3 77 | 290 | 10 | 28 | 423+3.14α | 117.8 | M42×2 |
| UBJKD160 | 120 | 33 | 170 | 220 | 255 | 330 | 274 | 45 | 140 | 4 15 | 314 | 10 | 32 | 484+3.49α | 134.8 | M48×2 |
| UBJKD180 | 125 | 33 | 180 | 240 | 330 | 380 | 303 | 45 | 152 | 4 75 | 380 | 12 | 32 | 578+3.77α | 139.8 | M48×2 |
| UBJKD200 | 140 | 33 | 200 | 260 | 365 | 440 | 333 | 45 | 170 | 5 20 | 438 | 12 | 36 | 610+4.40α | 156.8 | M48×2 |
UBJKS脚架式孔输出双齿条型
表21- 6- 108
mm
| 型号 | ��1 | �� 2 | ��3 | L1 | L2 | L3 | L4 | L5 | L6 | L7 | L8 | L9 | L10 | L11 | L12 | M1 |
| UBJKS40 | 50 | 13.5 | 75 | 105 | 140 | 160 | 110 | 25 | 110 | 215 | 154 | 6 | 14 | 233+1.54α | 57.6 | M22×1.5 |
| UBJKS50 | 60 | 13.5 | 85 | 125 | 146 | 185 | 131 | 25 | 132 | 2 57 | 163 | 6 | 18 | 254+1.75α | 68.8 | M22×1.5 |
| UBJKS63 | 65 | 17.5 | 95 | 140 | 164 | 200 | 142 | 35 | 144 | 2 79 | 190 | 6 | 18 | 275+1.92α | 73.8 | M27×2 |
| UBJKS80 | 70 | 17.5 | 100 | 150 | 175 | 225 | 168 | 35 | 172 | 332 | 212 | 8 | 20 | 328+2.09α | 79.8 | M27×2 |
| UBJKS100 | 85 | 22 | 120 | 165 | 194 | 265 | 195 | 35 | 200 | 38 5 | 244 | 8 | 22 | 370+2.51α | 95.8 | M33×2 |
| UBJKS125 | 90 | 26 | 130 | 170 | 230 | 285 | 228 | 40 | 232 | 45 1 | 284 | 8 | 25 | 417+2.83α | 100.8 | M42×2 |
| UBJKS140 | 105 | 26 | 150 | 200 | 240 | 305 | 246 | 40 | 250 | 4 87 | 290 | 10 | 28 | 423+3.14α | 117.8 | M42×2 |
| UBJKS160 | 120 | 33 | 170 | 220 | 255 | 330 | 274 | 45 | 280 | 5 43 | 314 | 10 | 32 | 484+3.49α | 134.8 | M48×2 |
| UBJKS180 | 125 | 33 | 180 | 240 | 330 | 380 | 303 | 45 | 304 | 6 01 | 380 | 12 | 32 | 578+3.77α | 139.8 | M48×2 |
| UBJKS200 | 140 | 33 | 200 | 260 | 365 | 440 | 333 | 45 | 340 | 6 61 | 438 | 12 | 36 | 610+4.40α | 156.8 | M48×2 |
UB型摆动液压缸质量
|
液压缸内径 /mm | 齿条数 |
摆动90°质量 /kg |
每增加90°增加质量 /kg |
液压缸内径 /mm | 齿条数 |
摆动90°质量 /kg |
每增加90°增加质量 /kg |
| 40 | |||||||
| D | 32 | 2.5 | |||||
| S | 51 | 5 | 125 | ||||
| D | 200 | 27.8 | |||||
| S | 320 | 55.6 | |||||
| 50 | |||||||
| D | 45〖 〗3.5 | ||||||
| S | 72 | 7 | 140 | ||||
| D | 260 | 38.2 | |||||
| S | 420 | 76.4 | |||||
| 63 | |||||||
| D | 70 | 5.2 | |||||
| S | 115 | 10.4 | 160 | ||||
| D | 355 | 48.1 | |||||
| S | 570 | 96.2 | |||||
| 80 | |||||||
| D | 90 | 8.4 | |||||
| S | 145 | 16.8 | 180 | ||||
| D | 500 | 66.5 | |||||
| S | 800〖 〗133 | ||||||
| 100 | |||||||
| D | 140 | 15.6 | |||||
| S | 225 | 31.2 | 200 | ||||
| D | 680 | 97.3 | |||||
| S | 1090 | 194.6 |
带液压动力包的UB型摆动液压缸结构外形
|
带液压动力包的法兰式轴输出单齿条型 |
带液压动力包的法兰式轴输出双齿条型 |
|
带液压动力包的法兰式孔输出单齿条型 |
带液压动力包的法兰式孔输出双齿条型 |
续表
|
带液压动力包的脚架式轴输出单齿条型 |
带液压动力包的脚架式轴输出双齿条型 | ||||||||||
|
带液压动力包的脚架式孔输出单齿条型 |
带液压动力包的脚架式孔输出双齿条型 | ||||||||||
|
1—电动机;2—接线盒;3—油口;4—溢流阀;5—单向阀;6—液压泵;7— 加油口;8—油箱;9—泄油堵 液压动力包工作环境温度应不高于80℃。改变电动机的相位,可实现UB型摆动液压缸的往复摆动。分别调节液压动力包上的两只溢流阀,还可实现UB型摆动液压缸正反向旋转具有不同的输出转矩 | |||||||||||
| 液压动力包型号 | P01 | P02 | P03 | P04 | P05 | P06 | P07 | P08 | P09 | P10 | P11 |
| 流量/L·min-1 | 1.5 | 2 | 2.8 | 3.5 | 4.2〖 〗5 | 5.7 | 7 | 8.2 | 10 | 14 | |
| 三相交流电动机 | |||||||||||
| 功率/kW | 0.55 | 0.75 | 1.1 | 1.5 | 2 | 2.2 | 3 | 4 | |||
| 转速/r·min-1 | 1400 | 1420 | 1440 | ||||||||
| �迹痬m | 165 | 165 | 180 | 180 | 180 | 220 | 220 | 240 | |||
| H/mm | 120 | 120 | 130 | 130 | 130 | 180 | 180 | 190 | |||
| L/mm | 275 | 275 | 280 | 305 | 310 | 370 | 370 | 380 | |||
| 质量/kg | 27 | 28 | 32 | 35 | 40 | 48 | 52 | 83 |
7.7.2UBZ重型齿条齿轮摆动液压缸 UBZ重型齿条齿轮摆动液压缸是优瑞纳斯液压机械有限公司为冶金及重型机械行业新开发的系列产品。UBZ重型齿条齿轮摆动液压缸为四液压缸四活塞双柱塞齿条搓动齿轮轴的摆动机构。其最高工作压力21MPa,最大输出转矩1158120N·m。 UBZ重型齿条齿轮摆动液压缸有吊耳、法兰和脚架三种安装方式,10个缸径和0°~360°的任意摆动角度。技术规格见表21- 6- 111。 表21- 6- 111
UBZ重型齿条齿轮摆动液压缸技术规格
| 型号规格 |
缸径 /mm |
转矩系数K /N·m·MPa-1 | ||||||
| 常用压力时输出转矩/N·m | ||||||||
| 10MPa | 16MPa | 21MPa |
每度转角用油 量/mL·(°)-1 |
X[(°)·s-1]摆动速度时
所需介质流量/L·min-1 |
终端缓冲 角度/(°) | |||
| UBZ※100※ | 100 | 1979 | 17811 | 29685 | 39580 | 34.54 | 2.07X | 12 |
| UBZ※125※ | 125 | 3534 | 31806 | 53010 | 70680 | 61.68 | 3.70X | 12 |
| UBZ※140※ | 140 | 4988 | 44892 | 74820 | 99760 | 87.05 | 5.22X | 12 |
| UBZ※160※ | 160 | 7238 | 65142 | 108570 | 144760 | 126.33 | 7.58X | 12 |
| UBZ※180※ | 180 | 10077 | 90693 | 151155 | 201540 | 175.88 | 10.55X | 12 |
| UBZ※200※ | 200 | 14137 | 127233 | 212055 | 282740 | 246.74 | 14.80X | 12 |
| UBZ※220※ | 220 | 19158 | 172422 | 287370 | 383160 | 334.38 | 20.06X | 12 |
| UBZ※250※ | 250 | 28274 | 254466 | 424110 | 565480 | 493.48 | 29.61X | 12 |
| UBZ※280※ | 280 | 39900 | 359100 | 598500 | 798000 | 696.40 | 41.78X | 12 |
| UBZ※320※ | 320 | 57906 | 521154 | 868590 | 1158120 | 1010.65 | 60.64X | 12 |
UF4��125×395×28
(2)技术性能及应用
① 技术性能
表21- 6- 112
| 压力 | 工作压力0~25MPa,启动压力不大于0.3MPa,耐压试验压力32MP a |
| 工作介质 | 矿物油,特殊UF缸可使用水、水-乙二醇乳化液、磷酸酯以及 各种弱酸、碱介质 |
| 工作温度 | 常规缸-35~80℃,高温缸-30~220℃ |
| 活塞速度 | 常规缸不大于500mm/s,高速缸不大于2000mm/s |
| 排量 | 双活塞UF缸最大排量为2×240L,四活塞UF缸最大排量为4×1 20L |
图21- 6- 6柱塞缸同步回路
当1DT(图21- 6- 6)得电时三位四通电磁阀换向,压力油进入同步缸四个下腔,推动四个活塞向上 运动,将等量介质分别输入四个柱塞缸,四个柱塞同步升起。电磁铁1DT失电,换向阀复位 ,柱塞缸停止运行。UF缸下腔油被液控单向阀锁定,柱塞不会下降。2DT得电,换向阀换向 ,液控单向阀打开,由载荷形成的压力使UF缸活塞向下运动,介质经节流阀节流后回油箱, 四个柱塞同步下降。为防意外,每个柱塞缸都安装了一个补油两位两通阀,该阀必须为无泄 漏阀。该阀由安装在柱塞缸上升终端前(具体数值根据同步误差要求确定)的行程或接近开关 操纵。例如,当要求同步精度不低于2mm时,则在柱塞缸行程终端前1.5mm处各安装一 个行程开关,当有的缸已到达行程终点,而有的缸尚未触动行程开关时,便由系统发出声光 报警并使两通阀电磁铁得电,两通阀换向,压力油直接进入该液压缸,使其达到行程终点。 当出现报警信号时应及时排除故障,故障可能由以下原因造成:管路、接头外泄漏;柱 塞缸外泄漏;补油阀内、外泄漏;UF缸内、外泄漏。 例2四只双作用活塞缸的同步回路(图21- 6- 7)
图21- 6- 7活塞缸同步回路
活塞缸有杆腔、无杆腔都可以与UF缸相连,由用户任选。一般应选择容积小、工作压力低 的一腔与UF缸相连。1DT(图21- 6- 7)得电,换向阀换向,压力油进入活塞缸无杆腔,活塞运动将有 杆腔介质输入UF缸四个上腔,推动UF缸活塞向下运动。由于各腔环形截面积相等,因此当活 塞运动时,其输出、输入的压力介质的流量、体积完全相同。UF缸下腔油液经液控单向阀返 回油箱,而活塞缸四活塞杆同步伸出。1DT失电,换向阀复中位,液控单向阀将所有液压缸 锁定。2DT得电,压力油进入UF缸下腔,推动活塞,将上腔油输入活塞缸有杆腔,活塞杆同 步缩回。补油操作与柱塞缸基本相同,只是行程开关应放在活塞杆全部缩回的终端位置 前。 ⑤ UF缸的使用注意事项 由于UF缸是容积同步缸,任何泄漏都将影响其同步效果,因此必须做到以下几点。 a.所有缸、补油阀、管路、接头等不得有泄漏。 b.所有缸以及管路内部所有气体必须排净。UF缸的金属密封螺塞排气后必须旋紧。 c.压力介质应经过过滤,清洁度在NAS 1638-9级或ISO 4406-19/15级以内。 d.工作压力不得超过额定压力。 e.安装基础要牢固可靠。 f.一旦发出同步误差报警应及时检查修复。 g.高压长管路应尽量减小其胀缩量。 (3)外形尺寸
表21- 6- 113
mm
| 缸径 | 杆径 | 环形面积/cm2 | L | L1 | L2 | D 1 | D2 | D3 | D4 | D5 | D6 | B | M |
| 80 | 40 | 12π | 154 | 50 | 104 | 180 | 210 | 17 | 108 | 152 | 50 | 16 | M27×2 |
| 100 | 40 | 21π | 187 | 60 | 125 | 215 | 25 0 | 17 | 127 | 176 | 50 | 16 | M33×2 |
| 125 | 50 | 32.81π | 227 | 65 | 145 | 260 | 30 0 | 17 | 159 | 220 | 60 | 16 | M42×2 |
| 140 | 63 | 39.08π | 231 | 65 | 155 | 290 | 33 5 | 17 | 178 | 246 | 70 | 16 | M42×2 |
| 160 | 70 | 51.75π | 242 | 70 | 176 | 330 | 38 0 | 17 | 194 | 272 | 80 | 16 | M48×2 |
续表
| 缸径 | 杆径 | 环形面积/cm2 | L | L1 | L2 | D 1 | D2 | D3 | D4 | D5 | D6 | B | M |
| 180 | 70 | 68.75π | 262 | 70 | 186 | 365 | 42 0 | 17 | 219 | 300 | 80 | 16 | M48×2 |
| 200 | 90 | 79.75π | 262 | 75 | 196 | 400 | 46 0 | 22 | 245 | 330 | 100 | 20 | M48×2 |
| 220 | 100 | 96π | 262 | 75 | 216 | 450 | 520 | 22 | 270 | 365 | 110 | 20 | M48×2 |
| 250 | 110 | 126π | 296 | 80 | 236 | 500 | 57 0 | 22 | 299 | 410 | 120 | 20 | M48×2 |
| 280 | 125 | 156.94π | 306 | 80 | 256 | 570 | 660 | 22 | 325 | 462 | 130 | 20 | M48×2 |
| 320 | 140 | 207π | 326 | 80 | 256 | 650 | 75 0 | 22 | 375 | 525 | 150 | 20 | M48×2 |
| 360 | 160 | 260π | 356 | 80 | 276 | 650 | 78 0 | 22 | 420 | 560 | 170 | 20 | M48×2 |
| 400 | 160 | 336π | 406 | 80 | 276 | 730 | 82 0 | 22 | 470 | 625 | 170 | 20 | M48×2 |

