|
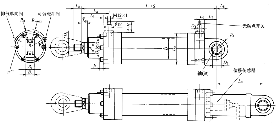
C25WE、C25WEK、C25WENi型外形尺寸 |
|
mm |
|
D |
40 |
50 |
63 |
80 |
100 |
125 |
140 |
160 |
180 |
200 |
220 |
250 |
280 |
320 |
360 |
400 |
|
|
d |
22/28 |
28/36 |
36/45 |
45/56 |
56/70 |
70/90 |
90/100 |
100/110 |
110/125 |
125/140 |
140/160 |
160/180 |
180/200 |
200/220 |
220/250 |
250/280 |
|
|
L(缓冲 长度) |
20 |
20 |
25 |
30 |
35 |
50 |
50 |
55 |
65 |
70 |
80 |
90 |
90 |
100 |
110 |
120 |
|
|
D1 |
Ⅰ型 |
M16× 1.5 |
M22× 1.5 |
M30× 2 |
M36× 2 |
M48× 2 |
M56× 2 |
M72× 3 |
M80× 3 |
M100× 3 |
M110× 3 |
M125× 4 |
M125× 4 |
M140× 4 |
M160× 4 |
M180× 4 |
M200× 4 |
|
Ⅱ型 |
M16× 1.5 |
M22× 1.5 |
M28× 1.5 |
M35× 1.5 |
M45× 1.5 |
M58× 1.5 |
M65× 1.5 |
M80× 2 |
M100× 2 |
M110× 2 |
M120× 3 |
M120× 3 |
M130× 3 |
— |
— |
— |
|
|
Ⅲ型 |
M18× 2 |
M24× 2 |
M30× 2 |
M39× 3 |
M50× 3 |
M64× 3 |
M80× 3 |
M90× 3 |
M100× 3 |
M110× 4 |
M120× 4 |
M120× 4 |
M150× 4 |
M160× 4 |
M180× 4 |
M200× 4 |
|
|
D2 |
50 |
64 |
75 |
95 |
115 |
135 |
155 |
180 |
200 |
215 |
245 |
280 |
305 |
350 |
400 |
450 |
|
|
D3 |
80 |
100 |
120 |
140 |
170 |
205 |
225 |
265 |
290 |
315 |
355 |
400 |
440 |
500 |
550 |
620 |
|
|
D4 |
公制 |
M18 ×1.5 |
M22 ×1.5 |
M27 ×2 |
M27 ×2 |
M33 ×2 |
M42 ×2 |
M42 ×2 |
M42 ×2 |
M50 ×2 |
M50 ×2 |
M50 ×2 |
M50 ×2 |
M50 ×2 |
M50 ×2 |
M60 ×2 |
M60 ×2 |
|
英制 |
G3/8 |
G1/2 |
G3/4 |
G3/4 |
G1 |
G1¼ |
G1¼ |
G1¼ |
G1½ |
G1½ |
G1½ |
G1½ |
G1½ |
G1½ |
G2 |
G2 |
|
|
D5 |
25 |
30 |
35 |
40 |
50 |
60 |
70 |
80 |
90 |
100 |
110 |
110 |
120 |
140 |
160 |
180 |
|
|
L1 |
252 |
265 |
302 |
330 |
385 |
447 |
490 |
550 |
610 |
645 |
750 |
789 |
884 |
980 |
1080 |
1190 |
|
|
L2 |
Ⅰ型 |
22 |
30 |
40 |
50 |
63 |
75 |
85 |
95 |
112 |
112 |
125 |
125 |
140 |
160 |
180 |
200 |
|
Ⅱ型 |
16 |
22 |
28 |
35 |
45 |
58 |
65 |
80 |
100 |
110 |
120 |
120 |
130 |
— |
— |
— |
|
|
Ⅲ型 |
30 |
35 |
45 |
55 |
75 |
95 |
110 |
120 |
140 |
150 |
160 |
160 |
190 |
200 |
220 |
260 |
|
|
L3 |
76 |
80 |
89.5 |
87.5 |
112.5 |
129.5 |
142.5 |
160 |
175 |
180 |
220 |
230 |
260 |
295 |
320 |
360 |
|
|
L4 |
54 |
58 |
67 |
65 |
85 |
97 |
105 |
120 |
130 |
135 |
155 |
165 |
170 |
195 |
210 |
230 |
|
|
L5 |
17 |
20 |
20 |
20 |
30 |
30 |
30 |
35 |
35 |
40 |
40 |
40 |
40 |
40 |
50 |
50 |
|
|
L6 |
23 |
23 |
22.5 |
32.5 |
27.5 |
32.5 |
37.5 |
40 |
50 |
50 |
65 |
65 |
90 |
100 |
110 |
130 |
|
|
L7 |
35 |
40 |
45 |
60 |
65 |
70 |
75 |
85 |
95 |
105 |
125 |
140 |
150 |
175 |
200 |
220 |
|
|
L8 |
28 |
32.5 |
40 |
50 |
62.5 |
70 |
82 |
95 |
113 |
125 |
142.5 |
160 |
180 |
200 |
230 |
260 |
|
|
R1 |
28 |
32.5 |
40 |
50 |
62.5 |
65 |
77 |
88 |
103 |
115 |
132.5 |
150 |
170 |
190 |
215 |
245 |
|
|
R2 |
56.5 |
61 |
75.5 |
81.5 |
99 |
113 |
133 |
149 |
172.5 |
182.5 |
210 |
230 |
261 |
287 |
330 |
360 |
|
|
R3 |
53 |
57.5 |
70.5 |
76.5 |
81 |
107 |
123 |
139 |
158.5 |
168.5 |
192 |
212 |
239 |
265 |
302 |
332 |
|
|
B1 |
20 |
22 |
25 |
28 |
35 |
44 |
49 |
55 |
60 |
70 |
70 |
70 |
85 |
90 |
105 |
105 |
|
|
B2 |
23 |
28 |
30 |
35 |
40 |
50 |
55 |
60 |
65 |
70 |
80 |
80 |
90 |
110 |
120 |
130 |
|
|
θ |
30° |
30° |
30° |
30° |
30° |
30° |
45° |
45° |
45° |
45° |
45° |
45° |
45° |
45° |
54° |
54° |
|
|
n |
6 |
6 |
6 |
6 |
6 |
6 |
8 |
8 |
8 |
8 |
8 |
8 |
8 |
8 |
10 |
10 |
|
|
h |
10 |
12.5 |
15 |
15 |
20 |
25 |
25 |
30 |
30 |
37.5 |
37.5 |
45 |
45 |
52.5 |
52.5 |
60 |
|
|
H |
29 |
28 |
28 |
29 |
31 |
29 |
34 |
29 |
34 |
39 |
39 |
36 |
39 |
39 |
39 |
39 |
|
|
L0 |
— |
190 |
190 |
200 |
200 |
210 |
210 |
220 |
220 |
230 |
230 |
240 |
240 |
250 |
250 |
260 |
|
|
Δ/ kg·mm-1 |
0.013/ 0.016 |
0.02/ 0.023 |
0.026/ 0.034 |
0.037/ 0.05 |
0.057/ 0.068 |
0.076/ 0.096 |
0.127/ 0.139 |
0.136/ 0.149 |
0.171/ 0.192 |
0.219/ 0.244 |
0.282/ 0.319 |
0.424/ 0.466 |
0.476/ 0.523 |
0.612/ 0.663 |
0.743/ 0.829 |
0.934/ 1.031 |
|
|
J
/kg |
Ⅰ、Ⅱ、 Ⅲ |
6.5 /6.6 |
10.5/ 10.6 |
16.6/ 16.9 |
25.1/ 25.3 |
44/ 45 |
75/ 76 |
101/ 102 |
152/ 153 |
208/ 209 |
265/ 267 |
402/ 404 |
536/ 539 |
752/ 756 |
1085/ 1088 |
1440/ 1448 |
2048/ 2055 |
|
ⅠA、 ⅡB、 ⅢC |
7.3 /7.4 |
11.4/ 11.6 |
18.0/ 18.3 |
27.5/ 27.7 |
48/49 |
83/84 |
112/ 113 |
169/ 170 |
234/ 235 |
295/ 298 |
448/ 450 |
583/ 586 |
840/ 844 |
1204/ 1207 |
1580/ 1588 |
2234/ 2241 |
|
|
F(WENi附加) /kg |
2.8 |
3.9 |
6.0 |
9.7 |
14.4 |
19.0 |
28.6 |
35.2 |
46.8 |
60.1 |
86.5 |
102.0 |
149.0 |
184.9 |
265.1 |
||
|
液压缸重量:Q≈J+△S+F(kg) |
|||||||||||||||||
|
注:尺寸H只用于C25WEK型、尺寸L0只用于C25WENi型。 |
|||||||||||||||||

