|
CG250、CG350重载液压缸油口尺寸和活塞杆长度 mm |
||||||||||||||||||||||||||||||
|
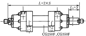
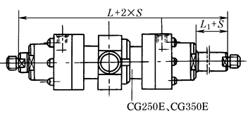
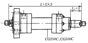
安装型式 |
CG250、CG350 |
CG250 |
CG350 |
|||||||||||||||||||||||||||
|
F切向 底座 |
|
|
|
|||||||||||||||||||||||||||
|
E中间 耳轴 |
|
|
|
|||||||||||||||||||||||||||
|
C缸头 法兰 |
|
|
|
|||||||||||||||||||||||||||
|
油口连接 螺纹尺寸 |
|
|
CG250 |
CG350 |
||||||||||||||||||||||||||
|
D1 |
02 |
M22×1.5 |
M27×2 |
M33×2 |
M42×2 |
M48×2 |
M22×1.5 |
M27×2 |
M33×2 |
M42×2 |
M48×2 |
|||||||||||||||||||
|
01 |
G1/2 |
G3/4 |
G1 |
G1¼ |
G1½ |
G1/2 |
G3/4 |
G1 |
G1¼ |
G1½ |
||||||||||||||||||||
|
B |
34 |
42 |
47 |
58 |
65 |
40 |
42 |
47 |
58 |
65 |
||||||||||||||||||||
|
C |
1 |
1 |
1 |
1 |
1 |
5 |
4 |
1 |
1 |
1 |
||||||||||||||||||||
|
活塞直径 |
40 |
50 |
63 |
80 |
100 |
125 |
140 |
160 |
180 |
200 |
220 |
250 |
280 |
320 |
||||||||||||||||
|
CG250 |
L |
268 |
278 |
324 |
325 |
405 |
474 |
520 |
585 |
635 |
665 |
780 |
814 |
905 |
1000 |
|||||||||||||||
|
L1 |
17 |
21 |
25 |
15.5 |
33 |
32 |
37/33 |
40 |
40/37 |
40 |
25 |
25 |
35 |
40 |
||||||||||||||||
|
CG350 |
L |
301 |
302 |
345 |
375 |
405 |
520 |
560 |
640 |
705 |
750 |
810 |
860 |
915 |
970 |
|||||||||||||||
|
L1 |
18 |
18 |
18 |
18 |
18 |
20 |
20 |
30 |
30 |
26 |
18 |
16 |
30 |
45 |
||||||||||||||||










