|
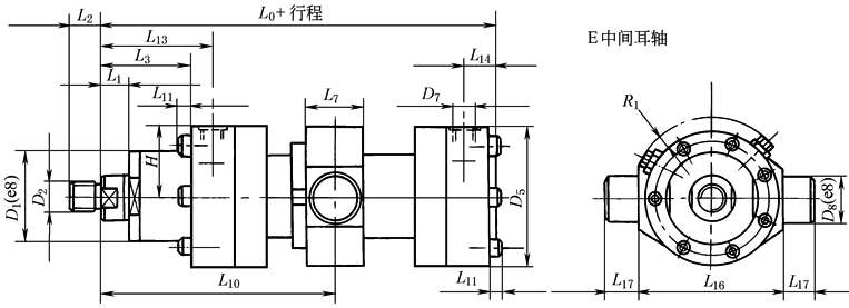
CD350E差动重载液压缸 |
|||||||||||||||
|
mm |
|||||||||||||||
|
活塞直径 |
40 |
50 |
63 |
80 |
100 |
125 |
140 |
160 |
180 |
200 |
220 |
250 |
280 |
320 |
|
|
活塞杆直径 |
28 |
36 |
45 |
56 |
70 |
90 |
100 |
110 |
125 |
140 |
160 |
180 |
200 |
220 |
|
|
D1 |
58 |
70 |
88 |
100 |
120 |
150 |
170 |
190 |
220 |
230 |
260 |
290 |
330 |
340 |
|
|
D2 |
A |
M24 ×2 |
M30 ×2 |
M39 ×3 |
M50 ×3 |
M64 ×3 |
M80 ×3 |
M90 ×3 |
M100 ×3 |
M110 ×4 |
M120 ×4 |
M120 ×4 |
M150 ×4 |
M160 ×4 |
M180 ×4 |
|
G |
M22 ×1.5 |
M28 ×1.5 |
M35 ×1.5 |
M45 ×1.5 |
M58 ×1.5 |
M65 ×1.5 |
M80 ×2 |
M100 ×2 |
M110 ×2 |
M120 ×3 |
M120 ×3 |
M130 ×3 |
— |
— |
|
|
D5 |
90 |
110 |
145 |
156 |
190 |
235 |
270 |
290 |
325 |
350 |
390 |
440 |
460 |
490 |
|
|
D7 |
01 |
1/2″ BSP |
1/2″ BSP |
3/4″ BSP |
3/4″ BSP |
1″ BSP |
1¼″ BSP |
1¼″ BSP |
1½″ BSP |
1½″ BSP |
1½″ BSP |
1½″ BSP |
1½″ BSP |
1½″ BSP |
1½″ BSP |
|
02 |
M22 ×1.5 |
M22 ×1.5 |
M27 ×2 |
M27 ×2 |
M33 ×2 |
M42 ×2 |
M42 ×2 |
M48 ×2 |
M48 ×2 |
M48 ×2 |
M48 ×2 |
M48 ×2 |
M48 ×2 |
M48 ×2 |
|
|
D8 |
40 |
40 |
45 |
55 |
60 |
75 |
85 |
95 |
110 |
120 |
130 |
140 |
170 |
200 |
|
|
L0 |
238 |
237 |
285 |
305 |
330 |
425 |
457 |
515 |
565 |
600 |
655 |
695 |
735 |
775 |
|
|
L1 |
18 |
18 |
18 |
18 |
18 |
20 |
20 |
30 |
30 |
26 |
18 |
16 |
30 |
45 |
|
|
L2 |
A |
35 |
45 |
55 |
75 |
95 |
110 |
120 |
140 |
150 |
160 |
160 |
190 |
200 |
220 |
|
G |
22 |
28 |
35 |
45 |
58 |
65 |
80 |
100 |
110 |
120 |
120 |
130 |
— |
— |
|
|
L3 |
63 |
65 |
65 |
75 |
80 |
100 |
110 |
130 |
145 |
155 |
165 |
175 |
190 |
205 |
|
|
L7 |
50 |
50 |
50 |
60 |
65 |
80 |
90 |
100 |
115 |
125 |
135 |
145 |
180 |
210 |
|
|
L10 |
中间 |
145+ S/2 |
151+ S/2 |
172.5+ S/2 |
187.5+ S/2 |
202+ S/2 |
260+ S/2 |
280+ S/2 |
320+ S/2 |
352.5+ S/2 |
375+ S/2 |
405+ S/2 |
430+ S/2 |
457.5+ S/2 |
485+ S/2 |
|
最小 |
170 |
178 |
187.5 |
202.5 |
224.5 |
272 |
295 |
337.5 |
402.5 |
387.5 |
465 |
505 |
535 |
640 |
|
|
最大 |
139+S |
133+S |
167.5+S |
182.5+S |
192.5+S |
260+S |
280+S |
317.5+S |
317.5+S |
377.5+S |
345+S |
355+S |
380+S |
330+S |
|
|
L11 |
8 |
10 |
12 |
16 |
20 |
— |
— |
— |
— |
— |
— |
— |
— |
— |
|
|
L13 |
88 |
90 |
100 |
111 |
112.5 |
145 |
160 |
187.5 |
205 |
215 |
225 |
245 |
265 |
275 |
|
|
L14 |
25 |
25 |
32.5 |
35 |
37.5 |
50 |
57 |
62.5 |
65 |
60 |
65 |
70 |
85 |
80 |
|
|
L16 |
|
|
|
|
|
|
|
|
|
|
|
|
|
|
|
|
L17 |
30 |
30 |
35 |
50 |
55 |
60 |
70 |
80 |
90 |
100 |
100 |
100 |
125 |
150 |
|
|
H |
45 |
55 |
74 |
78 |
97.5 |
118 |
137.5 |
147.5 |
163 |
177.5 |
197.5 |
222.5 |
232 |
250 |
|
|
R1 |
5/6 |
—/4 |
—/12.5 |
—/7 |
—/10 |
— |
— |
15/— |
10/— |
2/— |
— |
— |
— |
— |
|
|
系数X |
11 |
16 |
34 |
43 |
67 |
133 |
213 |
278 |
312 |
468 |
598 |
775 |
1015 |
1362 |
|
|
系数Y |
0.010 |
0.016 |
0.029 |
0.051 |
0.076 |
0.116 |
0.163 |
0.213 |
0.264 |
0.317 |
0.418 |
0.541 |
0.584 |
0.685 |
|
|
质量m/kg |
m=X+Y×行程 (mm) |
||||||||||||||
|
注:见表CD250A、CD250B差动重载液压缸注。 |
|||||||||||||||

