|
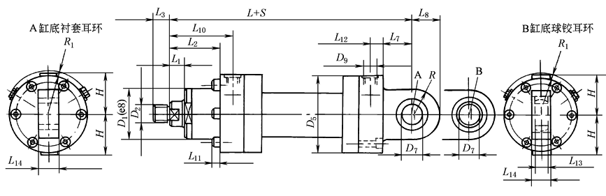
CD350A、CD350B差动重载液压缸 |
||||||||||||||||
|
mm |
||||||||||||||||
|
活塞直径 |
40 |
50 |
63 |
80 |
100 |
125 |
140 |
160 |
180 |
200 |
220 |
250 |
280 |
320 |
||
|
活塞杆直径 |
28 |
36 |
45 |
56 |
70 |
90 |
100 |
110 |
125 |
140 |
160 |
180 |
200 |
220 |
||
|
CD 350A、 CD 350B |
D1 |
58 |
70 |
88 |
100 |
120 |
150 |
170 |
190 |
220 |
230 |
260 |
290 |
330 |
340 |
|
|
D2 |
A |
M24 ×2 |
M30 ×2 |
M39 ×2 |
M50 ×3 |
M64 ×3 |
M80 ×3 |
M90 ×3 |
M100 ×3 |
M110 ×4 |
M120 ×4 |
M120 ×4 |
M150 ×4 |
M160 ×4 |
M180 ×4 |
|
|
G |
M22 ×1.5 |
M28 ×1.5 |
M35 ×1.5 |
M45 ×1.5 |
M58 ×1.5 |
M65 ×1.5 |
M80 ×2 |
M100 ×2 |
M110 ×2 |
M120 ×3 |
M120 ×3 |
M130 ×3 |
— |
— |
||
|
D5 |
90 |
110 |
145 |
156 |
190 |
235 |
270 |
290 |
325 |
350 |
390 |
440 |
460 |
490 |
||
|
D7 |
|
|
|
|
|
|
|
|
|
|
|
|
|
|
||
|
D9 |
01 |
1/2″ BSP |
1/2″ BSP |
3/4″ BSP |
3/4″ BSP |
1″ BSP |
1¼″ BSP |
1¼″ BSP |
1½″ BSP |
1½″ BSP |
1½″ BSP |
1½″ BSP |
1½″ BSP |
1½″ BSP |
1½″ BSP |
|
|
02 |
M22 ×1.5 |
M22 ×1.5 |
M27 ×2 |
M27 ×2 |
M33 ×2 |
M42 ×2 |
M42 ×2 |
M48 ×2 |
M48 ×2 |
M48 ×2 |
M48 ×2 |
M48 ×2 |
M48 ×2 |
M48 ×2 |
||
|
L |
268 |
280 |
330 |
355 |
390 |
495 |
530 |
600 |
665 |
710 |
760 |
825 |
895 |
965 |
||
|
L1 |
18 |
18 |
18 |
18 |
18 |
20 |
20 |
30 |
30 |
26 |
18 |
16 |
30 |
45 |
||
|
L2 |
63 |
65 |
65 |
75 |
80 |
100 |
110 |
130 |
145 |
155 |
165 |
175 |
190 |
205 |
||
|
L3 |
A G |
35 22 |
45 28 |
55 35 |
75 45 |
95 58 |
110 65 |
120 80 |
140 100 |
150 110 |
160 120 |
160 120 |
190 130 |
200 — |
220 — |
|
|
L7 |
35 |
43 |
50/57.5 |
55 |
65 |
75 |
80 |
90 |
105 |
115 |
115 |
140 |
170 |
200 |
||
|
L8 |
34 |
41 |
50 |
63 |
70 |
82 |
95 |
113 |
125 |
142.5 |
142.5 |
180 |
200 |
250 |
||
|
L10 |
88 |
90 |
100 |
111 |
112.5 |
145 |
160 |
187.5 |
205 |
215 |
225 |
245 |
265 |
275 |
||
|
L11 |
8 |
10 |
12 |
16 |
20 |
— |
— |
— |
— |
— |
— |
— |
— |
— |
||
|
L12 |
20 |
25 |
35/27.5 |
30 |
32.5 |
45 |
50 |
57.5 |
60 |
55 |
55 |
60 |
85 |
70 |
||
|
L14 |
|
|
|
|
|
|
|
|
|
|
|
|
|
|
||
|
H |
— |
— |
74 |
78 |
97.5 |
118 |
137.5 |
147.5 |
162.5 |
177.5 |
197.5 |
222.5 |
232 |
250 |
||
|
R |
32 |
39 |
47 |
58 |
65 |
77 |
88 |
103 |
115 |
132.5 |
132.5 |
170 |
190 |
240 |
||
|
R1 |
5/6 |
—/4 |
—/12.5 |
—/7 |
—/10 |
— |
— |
15/— |
10/— |
2/— |
— |
— |
— |
— |
||
|
系数X |
12 |
18 |
46 |
54 |
83 |
164 |
246 |
338 |
369 |
554 |
700 |
901 |
1077 |
1458 |
||
|
系数Y |
0.010 |
0.016 |
0.029 |
0.051 |
0.076 |
0.116 |
0.163 |
0.213 |
0.264 |
0.317 |
0.418 |
0.541 |
0.584 |
0.685 |
||
|
质量m/kg |
m=X+Y×行程 (mm) |
|||||||||||||||
|
CD350B |
L13 |
|
|
|
|
|
|
|
|
|
|
|
|
|
|
|
|
注:见表CD250A、CD250B差动重载液压缸注。 |
||||||||||||||||

