|
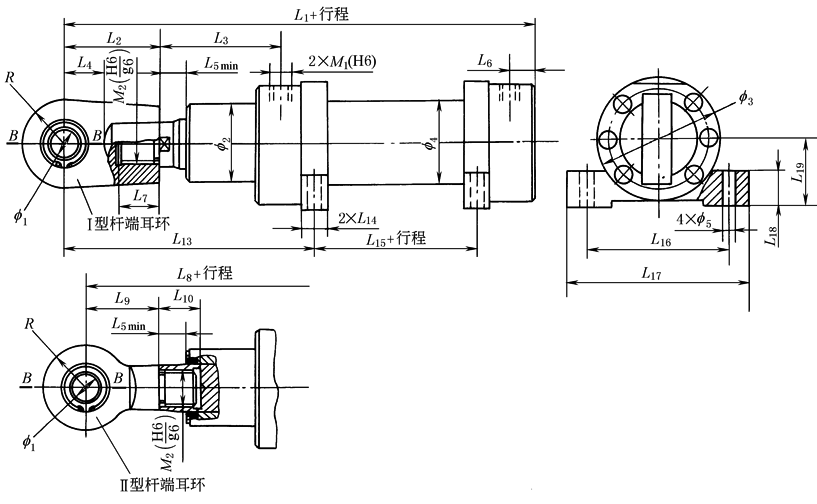
脚架固定式(JG)液压缸外形尺寸 |
||||||||||||||||
|
mm |
||||||||||||||||
|
缸径 |
40 |
50 |
63 |
80 |
100 |
125 |
140 |
160 |
180 |
200 |
220 |
250 |
280 |
320 |
360 |
400 |
|
杆径 |
28 |
36 |
45 |
56 |
70 |
90 |
100 |
110 |
125 |
140 |
160 |
180 |
200 |
220 |
250 |
280 |
|
f5 |
11 |
13.5 |
15.5 |
17.5 |
20 |
24 |
26 |
30 |
33 |
39 |
45 |
52 |
52 |
62 |
62 |
70 |
|
L13 |
226.5 |
252 |
282.5 |
320 |
367.5 |
343 |
373 |
406 |
456 |
491 |
527 |
615 |
655 |
715 |
767 |
827 |
|
L14 |
25 |
30 |
35 |
40 |
45 |
55 |
60 |
65 |
70 |
80 |
90 |
100 |
110 |
120 |
120 |
130 |
|
L15 |
52 |
61 |
60 |
60 |
72 |
225 |
250 |
274 |
294 |
324 |
348 |
410 |
435 |
475 |
475 |
485 |
|
L16 |
115 |
140 |
160 |
185 |
215 |
260 |
295 |
335 |
370 |
410 |
460 |
520 |
570 |
660 |
695 |
750 |
|
L17 |
145 |
175 |
200 |
230 |
265 |
315 |
355 |
400 |
445 |
500 |
560 |
630 |
680 |
800 |
835 |
870 |
|
L18 |
25 |
30 |
35 |
40 |
50 |
60 |
65 |
70 |
80 |
90 |
100 |
110 |
120 |
140 |
150 |
160 |
|
L19 |
50 |
60 |
70 |
80 |
95 |
115 |
130 |
145 |
160 |
175 |
195 |
220 |
245 |
280 |
310 |
340 |
|
注:B—B断面及其他尺寸代号数值与中部摆动式(ZB)液压缸相同,见表中部摆动式(ZB)液压缸外形尺寸。 |
||||||||||||||||

