|
活塞杆的计算 |
||||||||||||
|
表1 |
||||||||||||
|
项目 |
计 算 公 式 |
说 明 |
||||||||||
|
活 塞 杆 直 径 计 算 |
活塞杆是液压缸传递力的重要零件,它承受拉力、压力、弯曲力和振动冲击等多种作用力,必须有足够的强度和刚度 对于双作用单边活塞杆液压缸,其活塞杆直径d可根据往复运动速比φ(即面积比)来确定
|
D —— 缸筒内径,m φ —— 速比,根据压力,按表液压缸主要技术性能参数的计算选取 下表是根据缸径、速比确定的d值,可作参考(表中括号内为非标尺寸) |
||||||||||
|
缸筒内径 D/mm |
速 比φ |
缸筒内径 D/mm |
速 比φ |
|||||||||
|
2 |
1.46 |
1.33 |
1.25 |
1.15 |
2 |
1.46 |
1.33 |
1.25 |
1.15 |
|||
|
d/mm |
d/mm |
|||||||||||
|
40 50 63 80 (90) 100 (110) 125 (140) |
28 36 45 56 (60) 70 80 90 100 |
22 28 36 45 50 56 (60) 70 80 |
20 25 32 40 45 50 56 (60) 70 |
18 22 28 36 40 45 50 56 (60) |
14 18 22 28 32 36 40 45 50 |
(150) 160 (180) 200 (220) 250 (280) 320 400 |
(105) 110 125 140 160 180 200 220 280 |
(85) 90 100 110 125 140 160 180 220 |
(75) 80 90 100 110 125 140 160 200 |
(65) 70 80 90 100 110 125 140 180 |
56 56 63 70 80 90 100 (115) (145) |
|
|
如果对液压缸无速比要求,可根据液压缸的推力和拉力确定,参照上表确定D、d值;也可按下式初步选取d值:
如果活塞杆长度小于或等于10倍的缸径D,不能确定速比时,可按下式计算: 实心杆
空心杆
|
F1 —— 液压缸的推力,N σp —— 材料的许用应力,MPa
d1 —— 活塞杆空心直径,m 计算出活塞杆直径后,应该按表液压缸的主要参数的尺寸系列进行圆整并校核其稳定性 |
|||||||||||
|
活 塞 杆 的 强 度 计 算 |
活塞杆在稳定工况下,如果只受轴向推力或拉力,可以近似地用直杆承受拉压载荷的简单强度计算公式进行计算:
如果液压缸工作时,活塞杆所承受的弯曲力矩不可忽略时(如偏心载荷等),则可按下式计算活塞杆的应力:
活塞杆一般都设有螺纹、退刀槽等,这些部位往往是活塞杆上的危险截面,也要进行计算。危险截面处的合成应力应满足:
对于活塞杆上有卡环槽的断面,除计算拉应力外,还要计算校核卡环对槽壁的挤压应力,即:
|
F —— 活塞杆的作用力,N d —— 活塞杆直径,m σp —— 材料的许用应力,无缝钢管σp=100~110MPa,中碳钢(调质)σp=400MPa Ad —— 活塞杆断面积,m2 W —— 活塞杆断面模数,m3 M —— 活塞所承受的弯曲力矩,N·m,如果活塞杆仅受轴向偏心载荷F时,则M=FYmax,式中Ymax为F作用线至活塞杆轴心线最大挠度处的垂直距离 F2 —— 活塞杆的拉力,N d2 —— 危险截面的直径,m d1 —— 卡环槽处外圆直径,m d3 —— 卡环槽处内圆直径,m c —— 卡环挤压面倒角,m σpp —— 材料的许用挤压应力,MPa |
||||||||||
|
活 塞 杆 弯 曲 稳 定 性 验 算 |
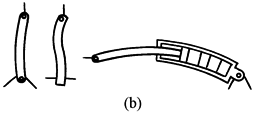
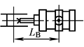
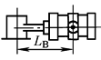
当液压缸支承长度LB≥(10~15)d时,需验算活塞杆弯曲稳定性。液压缸弯曲示意如图a、图b所示,图中LB以m计
① 若受力F1完全在轴线上,主要是按下式验证: F1≤Fk/nk
式中 圆截面:
|
Fk —— 活塞杆弯曲失稳临界压缩力,N nk —— 安全系数,通常取nk≈3.5~6 K —— 液压缸安装及导向系数,见下表2 E1 —— 实际弹性模数,MPa a —— 材料组织缺陷系数,钢材一般取a≈1/12 b —— 活塞杆截面不均匀系数,一般取b≈1/13 E —— 材料的弹性模量,钢材E=2.10×105,MPa I —— 活塞杆横截面惯性矩,m4 Ad —— 活塞杆截面面积,m2 e —— 受力偏心量,m σs —— 活塞杆材料屈服点,MPa S —— 行程,m
|
||||||||||
|
② 若受力F1偏心时,推力与支承的反作用力不完全处在轴线上,可用下式验算:
其中
一端固定,另一端自由a0=1;两端球铰:a0=0.5;两端固定:a0=0.25;一端固定,另一端球铰:a0=0.35 |
||||||||||||
|
③ 实用验算法: 活塞杆弯曲计算长度Lf为 Lf=KS(m) 如已知作用力F1和活塞杆直径d,从图c可得为活塞杆弯曲临界长度Lf1。如Lf<Lf1,则活塞杆弯曲稳定性良好 如已知Lf1、F1,从图c可得d的最小值 |
||||||||||||
|
表2 液压缸安装及导向系数K |
||||||||||||
|
安装 型式 |
活塞杆 外端 |
安装示意图 |
K |
安装 型式 |
活塞杆 外端 |
安装示意图 |
K |
安装 型式 |
活塞杆 外端 |
安装示意图 |
K |
|
|
前 端 法 兰 |
刚性固定,有导向 |
|
0.5 |
前 端 耳 轴 |
前耳环,无导向 |
|
2 |
后 耳 环 |
螺纹,有导向 |
|
1.5 |
|
|
前耳环,有导向 |
|
0.7 |
中 间 耳 轴 |
榫头,有导向 |
|
1.5 |
榫头或螺纹,无导向 |
|
4 |
|||
|
支承,无导向 |
|
2 |
前耳环,有导向 |
|
1.5 |
脚 架 |
榫头,有导向 |
|
0.7 |
|||
|
后 端 法 兰 |
刚性固定,有导向 |
|
1 |
螺纹,有导向 |
|
1 |
||||||
|
前耳环,有导向 |
|
0.7 |
||||||||||
|
前耳环,有导向 |
|
1.5 |
榫头或螺纹,无导向 |
|
3 |
|||||||
|
螺纹,有导向 |
|
0.5 |
||||||||||
|
支承,无导向 |
|
4 |
后 耳 环 |
榫头,有导向 |
|
2 |
||||||
|
榫头或螺纹,无导向 |
|
2 |
||||||||||
|
前 端 耳 轴 |
前耳环,有导向 |
|
1 |
前耳环,有导向 |
|
2 |
||||||




























