|
外形尺寸及技术参数 |
|||||||||||
|
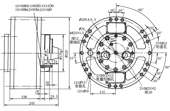
3QJM32-※※型液压马达 |
|
||||||||||
|
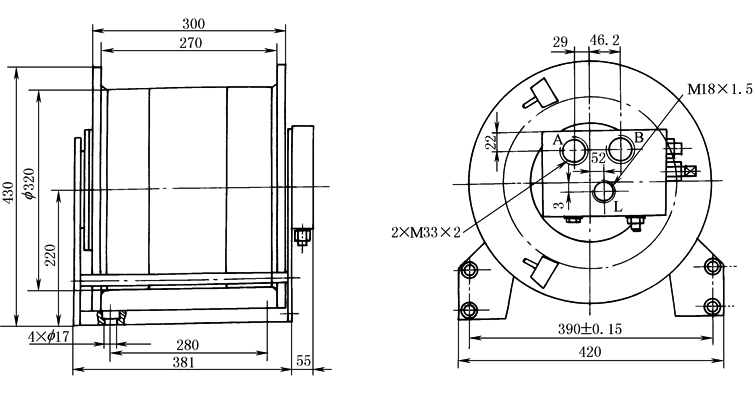
SYJ12-1250 型液压绞车 |
|
||||||||||
|
排量/L·r-1 |
1.25 |
单绳额定压力/N |
12500 |
钢丝绳卷绕层数 |
3 |
制动开启压力/MPa |
3.5 |
||||
|
额定压力/MPa |
10 |
单绳速度/m·min-1 |
31 |
钢丝绳规格/mm |
(1+6+12+18) 6×37f 8.7 |
质量/kg |
66 |
||||
|
最大压力/MPa |
16 |
卷筒规格/mm |
240×217 |
制动转矩/N·m |
2000 |
|
|
||||
|
SYJ32-3000 型液压绞车 |
|
||||||||||
|
马达额定工作压力/MPa |
10 |
钢丝绳规格/mm |
f13~f15 |
||||||||
|
马达排量/L·r-1 |
3.2 |
制动转矩/N·m |
≥6000 |
||||||||
|
单绳拉力/N |
≤29400 |
容绳量(f15mm钢丝绳)/m |
50 |
||||||||
|
单绳速度/m·min-1 |
6~30 |
|
|
||||||||



