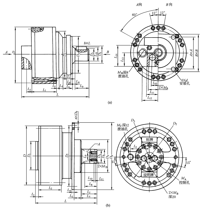
|
外形尺寸 |
|||||||||||||||||
|
|
|||||||||||||||||
|
表1 mm |
|||||||||||||||||
|
型 号 |
L |
L1 |
L2 |
L3 |
L4 |
L5 |
L7 |
L8 |
L9 |
L10 |
L11 |
L12 |
D |
D1 |
D2 |
D3 |
D4 |
|
1QJM001-※※ |
101 |
58 |
38 |
5 |
20 |
43 |
20 |
37 |
— |
37 |
35±0.3 |
63 |
f140 |
— |
f60 |
f110g6 |
f128±0.3 |
|
1QJM01-※※ |
130 |
80 |
38 |
3 |
30 |
62 |
20 |
— |
— |
— |
— |
— |
f180 |
f100 |
f70 |
f130g7 |
f165±0.3 |
|
1QJM02-※※ |
152 |
102 |
38 |
3 |
30 |
62 |
20 |
— |
— |
— |
— |
— |
f180 |
f100 |
f70 |
f130g7 |
f165±0.3 |
|
|
132 |
82 |
33 |
3 |
32 |
87 |
20 |
— |
— |
— |
— |
— |
f240 |
f150 |
f100 |
f160g7 |
f220±0.3 |
|
1QJM1A1-※※ |
132 |
82 |
24.5 |
11.5 |
38 |
87 |
20 |
— |
— |
— |
— |
— |
f240 |
f150 |
f60h8 |
f200g7 |
f220±0.3 |
|
|
165 |
115 |
33 |
3 |
32 |
87 |
20 |
— |
— |
— |
— |
— |
f240 |
f150 |
f100 |
f160g7 |
f220±0.3 |
|
|
168 |
98 |
29 |
14 |
38 |
— |
20 |
— |
— |
— |
— |
— |
f300 |
f150 |
f110 |
f160g7 |
f283±0.3 |
|
2LSQJM21-※※ |
110 |
— |
48 |
58 |
150 |
||||||||||||
|
|
213 |
138 |
43 |
10 |
55 |
115 |
20 |
— |
— |
— |
— |
— |
f320 |
f165 |
f120 |
f170g7 |
f299±0.3 |
|
2LSQJM32-※※ |
95 |
— |
48 |
70 |
165 |
||||||||||||
|
|
209 |
160 |
16 |
12 |
35 |
124 |
22 |
— |
— |
— |
— |
— |
f350 |
f190 |
f140 |
f200g7 |
f320±0.3 |
|
2LSQJM42-※※ |
151 |
73 |
108 |
104 |
204 |
||||||||||||
|
1QJM42-※※A |
200 |
153 |
23 |
5 |
35 |
124 |
22 |
— |
— |
— |
— |
— |
f340 |
f190 |
f120 |
f170g7 |
f320±0.3 |
|
|
181.5 |
100 |
42.5 |
14 |
55 |
115 |
20 |
— |
— |
— |
— |
— |
f320 |
f165 |
f120 |
f170g7 |
f299±0.3 |
|
|
237 |
175 |
20 |
16 |
45 |
135 |
24 |
— |
— |
— |
— |
— |
f420 |
f220 |
f160 |
f315g7 |
f360±0.3 |
|
2LSQJM52-※※ |
144 |
73 |
101 |
105 |
205 |
||||||||||||
|
|
264 |
162 |
24 |
16 |
45 |
167.5 |
24 |
— |
— |
— |
— |
— |
f485 |
f255 |
f170 |
f395g7 |
f435±0.3 |
|
2LSQJM62-※※ |
144 |
73 |
101 |
123 |
255 |
||||||||||||
|
|
146.5 |
97 |
20 |
11.5 |
28 |
87 |
20 |
— |
— |
— |
— |
— |
f240 |
f150 |
f100 |
f160g7 |
f220±0.3 |
|
|
168 |
117 |
17 |
7 |
31 |
100 |
20 |
— |
— |
— |
— |
— |
f304 |
f150 |
f100 |
f160g7 |
f220±0.3 |
|
|
184 |
127 |
12 |
13 |
32 |
100 |
20 |
— |
— |
— |
— |
— |
f304 |
f150 |
f110 |
f160g7 |
f283±0.3 |
|
|
231 |
140 |
58 |
3 |
55 |
115 |
20 |
— |
— |
— |
— |
— |
f320 |
f165 |
f170 |
f280g7 |
f299±0.3 |
|
|
252 |
167.5 |
|||||||||||||||
|
|
229 |
187 |
16 |
3 |
35 |
124 |
22 |
— |
— |
— |
— |
— |
f350 |
f190 |
f140h8 |
f200g7 |
f320±0.3 |
|
|
266 |
178 |
56 |
3 |
55 |
135 |
24 |
— |
— |
— |
— |
— |
f420 |
f220 |
f160 |
f315g7 |
f360±0.3 |
|
|
156 |
103 |
25 |
10 |
28 |
87 |
20 |
— |
— |
— |
— |
— |
f240 |
f150 |
f100 |
f160g7 |
f220±0.3 |
|
型 号 |
Z×D5 |
D6 |
D7 |
MA |
MB |
MC |
Z×MD |
ME |
α1 |
α2 |
|
重量 /kg |
|
1QJM001-※※ |
12×f6.5 |
— |
— |
— |
M16×1.5 |
— |
— |
— |
10° |
10° |
|
7 |
|
1QJM01-※※ |
12×f9 |
f58 |
— |
M27×2 |
M12×1.5 |
— |
— |
— |
10° |
— |
|
15 |
|
1QJM02-※※ |
12×f9 |
f58 |
— |
M27×2 |
M12×1.5 |
— |
— |
— |
10° |
— |
|
24 |
|
QJM11-※※ |
12×f11 |
f69 |
— |
M33×2 |
M16×1.5 |
M12×1.5 |
— |
— |
10° |
— |
28 |
|
|
1QJM1A1-※※ |
12×f11 |
f69 |
— |
M33×2 |
M16×1.5 |
— |
— |
— |
10° |
— |
28 |
|
|
QJM12-※※ |
12×f11 |
f69 |
— |
M33×2 |
M16×1.5 |
M12×1.5 |
— |
— |
10° |
— |
39 |
|
|
QJM21-※※ |
12×f11 |
f69 |
— |
M33×2 |
M22×1.5 |
— |
— |
— |
10° |
— |
50 |
|
|
2LSQJM21-※※ |
M12×1.5 |
|||||||||||
|
QJM32-※※ |
12×f13 |
f79 |
— |
M33×2 |
M22×1.5 |
— |
— |
— |
10° |
— |
70 |
|
|
2LSQJM32-※※ |
M12×1.5 |
78 |
||||||||||
|
QJM42-※※ |
12×f13 |
f100 |
— |
M42×2 |
M22×1.5 |
— |
— |
— |
10° |
— |
90 |
|
|
2LSQJM42-※※ |
M12×1.5 |
M16 |
100 |
|||||||||
|
1QJM42-※※A |
12×f13 |
f100 |
— |
M42×2 |
M22×1.5 |
— |
— |
— |
10° |
— |
90 |
|
|
QJM31-※※ |
12×f13 |
f79 |
— |
M33×2 |
M22×1.5 |
M12×1.5 |
— |
— |
10° |
— |
60 |
|
|
|
6×f22 |
f110 |
f360±0.3 |
M48×2 |
M22×1.5 |
— |
— |
— |
6° |
— |
|
150 |
|
2LSQJM52-※※ |
M12×1.5 |
M16 |
160 |
|||||||||
|
|
6×f22 |
f128 |
f435±0.3 |
M48×2 |
2×M22×1.5 |
— |
— |
— |
6° |
— |
|
200 |
|
2LSQJM62-※※ |
M12×1.5 |
M16 |
212 |
|||||||||
|
|
12×f11 |
f69 |
— |
M33×2 |
M16×1.5 |
M12×1.5 |
— |
— |
10° |
— |
|
35 |
|
|
12×11 |
f69 |
— |
M33×2 |
M22×1.5 |
M12×1.5 |
— |
— |
10° |
— |
|
53 |
|
|
12×f11 |
f69 |
— |
M33×2 |
M22×1.5 |
M12×1.5 |
— |
— |
10° |
— |
|
55 |
|
|
12×f13 |
f79 |
— |
M33×2 |
M22×1.5 |
— |
— |
— |
10° |
— |
|
86 |
|
|
M12×1.5 |
|||||||||||
|
|
12×f13 |
f100 |
f320±0.3 |
M42×2 |
M22×1.5 |
M12×1.5 |
6×M12 |
— |
10° |
10° |
|
108 |
|
|
10×f22 |
f110 |
f360±0.3 |
M48×2 |
M22×1.5 |
M12×1.5 |
— |
— |
6° |
— |
|
167 |
|
|
12×f11 |
f69 |
— |
M33×2 |
M16×1.5 |
M12×1.5 |
— |
— |
10° |
— |
|
35 |
|
注:1QJM12-※※A输出轴花键为 |
||||||||||||
|
表2 mm |
||||||||||||||||||||||
|
|
||||||||||||||||||||||
|
图 a |
型 号 |
L |
L1 |
L2 |
L3 |
L4 |
L5 |
L6 |
L7 |
L8 |
L9 |
L10 |
L11 |
L12 |
L13 |
L14 |
L15 |
D |
D1 |
D2 |
D3 |
D4 |
|
1QJM001-※※Z |
237 |
68 |
17 |
6 |
16 |
70 |
48 |
12 |
3 |
40 |
38 |
63 |
43 |
32 |
49 |
27.5 |
f140 |
f110g7 |
f75g7 |
f25h8 |
f35H7、 f35K6 |
|
|
1QJM002-※※Z |
257 |
88 |
17 |
6 |
16 |
70 |
48 |
12 |
3 |
40 |
38 |
63 |
43 |
32 |
49 |
27.5 |
f140 |
f110g7 |
f75g7 |
f25h8 |
f35H7、 f35K6 |
|
|
1QJM02-※※Z |
290 |
102 |
22 |
— |
52 |
32 |
5 |
18 |
3 |
56.5 |
58 |
100 |
60 |
41 |
82 |
43 |
f180 |
— |
f125g7 |
f40k6 |
— |
|
|
1QJM11-※※Z |
353 |
82 |
— |
— |
— |
— |
5 |
20 |
— |
74 |
— |
— |
— |
— |
— |
— |
f240 |
— |
— |
— |
— |
|
|
1QJM12-※※Z |
472 |
123 |
40 |
— |
— |
— |
10 |
20 |
30 |
82 |
70 |
150 |
87 |
40 |
65 |
54 |
f240 |
— |
f160h7 |
f50h7 |
f60 |
|
|
图 a |
型 号 |
d |
Ma |
Mb |
A×A |
B×B |
b×L |
花键 |
质量/kg |
|
1QJM001-※※Z |
f11 |
M18×1.5 |
M16×1.5 |
70×70 |
90×90 |
8×36 |
— |
10 |
|
|
1QJM002-※※Z |
f11 |
M18×1.5 |
M16×1.5 |
70×70 |
90×90 |
8×36 |
— |
12 |
|
|
1QJM02-※※Z |
f13 |
G3/4 |
M12×1.5 |
— |
140×140 |
12×45 |
— |
24 |
|
|
1QJM11-※※Z |
f22 |
— |
— |
— |
— |
18×60 |
— |
|
|
|
1QJM12-※※Z |
f18 |
G1 |
M16×1.5 |
141.5×141.5 |
178×178 |
14×72 |
— |
|
|
图 b |
型 号 |
L |
L1 |
L2 |
L3 |
L4 |
L5 |
L6 |
L7 |
L8 |
L9 |
L10 |
L11 |
D |
D1 |
D2 |
D3 |
D4 |
D5 |
D6 |
D7 |
|
|
328 |
26 |
99 |
100 |
81 |
45 |
16 |
78 |
75 |
38 |
— |
— |
f300 |
f150 |
f283 |
f69 |
f295f9 |
— |
f65f2 |
f335 |
|
|
1QJM31-※※SZ |
402 |
26 |
102.5 |
115 |
78 |
44 |
18 |
77 |
75 |
— |
— |
— |
f320 |
f165 |
f299 |
f79 |
f230g6 |
— |
f70h6 |
f270±0.3 |
|
|
|
453 |
26.5 |
140.5 |
115 |
78 |
44 |
18 |
77 |
75 |
— |
— |
— |
f320 |
f165 |
f299 |
f79 |
f230g6 |
— |
f70h6 |
f270±0.3 |
|
|
|
473 |
26.5 |
140.5 |
115 |
98 |
44 |
18 |
97 |
70 |
35 |
— |
— |
f320 |
f165 |
f299 |
f79 |
f230g6 |
— |
f70d11 |
f270±0.3 |
|
|
|
395 |
24.5 |
144 |
115 |
101 |
30 |
25 |
101 |
70 |
40 |
2.65 |
3 |
f320 |
f165 |
f299 |
f79 |
f250f7 |
f79 |
f82b11 |
f300±03 |
|
|
|
446 |
24.5 |
138 |
115 |
81 |
55 |
16 |
78 |
75 |
— |
— |
— |
f320 |
f165 |
f299 |
f79 |
f215f9 |
— |
f65f7 |
f335±0.3 |
|
|
|
363.5 |
24.5 |
138 |
115 |
81 |
55 |
16 |
78 |
75 |
38 |
— |
— |
f320 |
f165 |
f299 |
f79 |
f295f9 |
— |
f65f7 |
f335±0.3 |
|
|
|
636 |
27 |
282 |
135 |
150 |
10 |
30 |
105 |
80 |
40 |
— |
— |
f420 |
f220 |
f360 |
f110 |
f381f9 |
— |
f84h5 |
f419±0.2 |
|
|
|
516 |
27 |
176 |
135 |
131 |
10 |
30 |
131 |
131 |
— |
— |
— |
f420 |
f220 |
f360 |
f110 |
f290f7 |
— |
f78h7 |
f340±0.3 |
|
|
|
596 |
27 |
282 |
135 |
115 |
25 |
30 |
106 |
103 |
— |
— |
— |
f420 |
f220 |
f360 |
f110 |
f250f7 |
— |
f100h9 |
f300±0.3 |
|
|
|
383 |
24.5 |
138 |
115 |
105 |
24 |
25 |
90 |
88 |
35 |
— |
— |
f320 |
f165 |
f299 |
f79 |
f260f8 |
— |
|
f380±0.3 |
|
|
|
490 |
24.5 |
138 |
115 |
103 |
44 |
18 |
97 |
85 |
35 |
— |
— |
f320 |
f165 |
f299 |
f79 |
f230f6 |
— |
f72d11 |
f270±0.3 |
|
|
2QJM62-※※Z |
487 |
42 |
162 |
330 |
157 |
5 |
20 |
155 |
152 |
— |
— |
— |
f485 |
f255 |
f435 |
f110 |
f400f8 |
— |
f101.55 |
f490 |
|
图 b |
型 号 |
D8 |
n×D9 |
MA |
MB |
MC |
MD |
平键A |
花键A |
质量 /kg |
|
QJM21-※※Z3 |
f379 |
6×f18 |
M12×1.5 |
M33×2 |
M22×1.5 |
2×M12深20 |
C18×70 |
— |
75 |
|
|
1QJM31-※※SZ |
f300 |
8×f17 |
— |
M33×2 |
M22×1.5 |
中央孔M12深25 |
C20×70 |
— |
105 |
|
|
QJM32-※※SZ |
f300 |
8×f17 |
M12×1.5 |
M33×2 |
M22×1.5 |
中央孔M12深25 |
C20×70 |
— |
120 |
|
|
QJM32-※※SZH |
f300 |
8×f17 |
M16×1.5 |
M33×2 |
M22×1.5 |
中央孔M16深40 2×M10深20 |
— |
8d×72d11×62d11×12f8 |
132 |
|
|
QJM32-※※Z |
f335 |
7×f18均布 |
M16×1.5 |
M33×2 |
M22×1.5 |
2×M12深25 |
— |
10d×82b11×72b12×12f9 |
106 |
|
|
QJM32-※※Ze3 |
f379 |
6×f18 |
M12×1.5 |
M33×2 |
M22×1.5 |
中央孔M12深25 |
C18×70 |
— |
140 |
|
|
QJM32-※※Z3 |
f379 |
6×f18 |
M12×1.5 |
M33×2 |
M22×1.5 |
2×M12深25 |
C20×70 |
— |
108 |
|
|
QJM52-※※SZ4 |
f450±0.3 |
5×f22均布 |
M16×1.5 |
M48×2 |
M22×1.5 |
4×M10深25 |
— |
渐开线花键 |
190 |
|
|
QJM52-※※Z |
f370 |
8×f20 |
M16×1.5 |
M48×2 |
M22×1.5 |
中央孔M16深40 |
22×132 |
— |
190 |
|
|
QJM52-※※SZ |
f355 |
12×f17 |
M16×1.5 |
M48×2 |
M22×1.5 |
中央孔M16深40 |
C32×103 |
— |
190 |
|
|
QJM32-※※Z4 |
— |
5×f22均布 |
M12×1.5 |
M33×2 |
M22×1.5 |
中央孔M16深40 2×M10深20 |
— |
渐开线花键 |
106 |
|
|
QJM32-※※Z6 |
f300 |
8×f17 |
M12×1.5 |
M33×2 |
M22×1.5 |
中央孔M16深40 2×M10深20 |
— |
8d×72d11×62d11×12f8 |
106 |
|
|
2QJM62-※※Z |
f530 |
8×f22 |
M16×1.5 |
M48×2 |
M22×1.5 |
— |
150×25.4 |
— |
240 |
|
|
注:渐开线花键输出轴各项参数可向厂方索取。 |
||||||||||


