|
JBP径向柱塞泵 |
|||||||||||||||||||||||
|
JBP径向柱塞泵为机电控制式变量泵,采用新的静压平衡技术与新材料技术,克服了转子抱轴和滑靴与定子摩擦副的胶合现象。该系列产品具有工作压力高,噪声低,寿命长、抗冲击能力强等特点,并具有多种高效节能的控制方式,主要控制形式有恒压控制、电液控制、恒功率控制,伺服控制等。该产品适用于矿山机械、化工机械、冶金机械等中高压液压系统。 型号意义:
|
|||||||||||||||||||||||
|
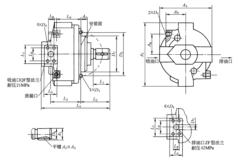
技术参数及外形尺寸 mm |
|||||||||||||||||||||||
|
单 联 泵 |
公称排量/mL·r-1 |
10 |
16 |
25 |
40 |
50 |
58 |
65 |
80 |
90 |
125 |
160 |
180 |
250 |
|||||||||
|
额定转速/r·min-1 |
1500 |
1500 |
1500 |
1500 |
1500 |
1500 |
1500 |
1500 |
1500 |
1500 |
1500 |
1500 |
1500 |
||||||||||
|
最高转速/r·min-1 |
2500 |
2500 |
2000 |
2000 |
2000 |
2000 |
2000 |
1800 |
1800 |
1800 |
1800 |
1800 |
1800 |
||||||||||
|
额定压力/MPa |
32 |
32 |
32 |
32 |
32 |
32 |
32 |
32 |
32 |
32 |
32 |
32 |
32 |
||||||||||
|
噪声级/dB |
70 |
70 |
71 |
72 |
72 |
74 |
74 |
74 |
75 |
78 |
78 |
80 |
84 |
||||||||||
|
双 联 泵 |
公称排量/mL·r-1 |
65/25 |
65/32 |
90/25 |
125/25 |
160/25 |
250/25 |
80/58 |
90/58 |
160/58 |
250/58 |
||||||||||||
|
额定转速/r·min-1 |
1500 |
1500 |
1500 |
1500 |
1500 |
1500 |
1500 |
1500 |
1500 |
1500 |
|||||||||||||
|
最高转速/r·min-1 |
2000 |
2000 |
1800 |
1800 |
1800 |
1800 |
1800 |
1800 |
1800 |
1800 |
|||||||||||||
|
最高压力/MPa |
32/10 |
32/10 |
32/10 |
32/10 |
28/10 |
28/10 |
32/10 |
32/10 |
28/8 |
28/8 |
|||||||||||||
|
噪声级/dB |
74 |
75 |
76 |
77 |
78 |
81 |
76 |
76 |
79 |
84 |
|||||||||||||
|
|
||||||||||||
|
公称排量 /mL·r-1 |
L1 |
L2 |
L3 |
L4 |
L5 |
L6 |
L7 |
L8 |
L9 |
D1 |
D2 |
D3 |
|
25 |
61.5 |
97.2 |
119 |
245.2 |
60 |
53 |
72 |
28 |
80 |
100 |
125 |
26 |
|
50 |
54 |
100.5 |
119.5 |
258 |
60 |
53 |
71 |
28 |
85.5 |
140 |
168 |
36 |
|
65 |
54 |
114.3 |
143.3 |
340 |
74 |
59 |
83 |
30 |
128.7 |
160 |
200 |
36 |
|
80 |
54 |
112.6 |
171.7 |
336.3 |
74 |
58 |
83 |
47 |
126.7 |
160 |
200 |
36 |
|
160 |
94 |
117.5 |
239 |
412.5 |
105 |
67(排) 106.5(吸) |
136 |
44(排) 62(吸) |
55 |
160 |
200 |
50 |
|
180 |
94 |
117.5 |
239 |
412.5 |
105 |
67(排) 106.5(吸) |
136 |
32(排) 62(吸) |
55 |
160 |
200 |
32(排) 75(吸) |
|
250 |
90 |
131 |
266.5 |
457 |
114 |
96 |
137 |
44 |
204 |
200 |
250 |
52 |
|
公称排量 /mL·r-1 |
D4 |
D5 |
D6 |
D7 |
A1 |
A2 |
A3 |
A4 |
A5 |
A6 |
A7 |
A8 |
|
25 |
M10深16 |
M20×1.5深15 |
30 |
M10深28 |
33 |
8 |
50 |
25.7 |
210 |
85 |
248 |
65 |
|
50 |
M10深16 |
M22×1.5深20 |
40 |
M10深18 |
43 |
10 |
45 |
10 |
253 |
110 |
294 |
82 |
|
65 |
M12深16 |
M27×2深20 |
45 |
M16深20 |
48.5 |
14 |
56 |
13 |
272 |
110 |
330 |
82 |
|
80 |
M12深25 |
M27×2深25 |
45 |
M16深20 |
48.5 |
14 |
56 |
13 |
277 |
119 |
339 |
91 |
|
160 |
M18深20 |
M33×2深20 |
63 |
M18深20 |
67 |
18 |
90 |
20 |
359 |
178 |
449 |
|
|
180 |
M18深20 |
M33×2深20 |
50 |
M18深20 |
53.5 |
14 |
90 |
20 |
359 |
178 |
449 |
|
|
250 |
M20深35 |
M42×2深30 |
70 |
M20深25 |
74.5 |
20 |
75 |
11.7 |
435 |
172 |
518.8 |
131 |
|
注:1.如需花键轴请单独说明。 2.如需串联泵请单独说明。 3.生产厂:兰州华世泵业科技股份有限公司(原兰州永新科技股份有限公司)。 |
||||||||||||


