|
Y2B型双级叶片泵 |
||||||||||||
|
Y2B型泵由两个同一轴驱动的YB型单泵组装在一壳体内而成,具有一个进口、一个出口。其额定压力为单泵的两倍。两泵之间装有面积比为1∶2的定比减压阀,使两泵进、出口压差相等,保证两泵均在允许负荷下工作
表1 主要技术参数 |
||||||||||||
|
主 要 技 术 参 数 |
型 号 |
理论排量 /mL·r-1 |
额定压力 /MPa |
输出流量 /L·min-1 |
驱动功率 /kW |
转速/r·min-1 |
重量/kg |
油口尺寸 |
||||
|
额定 |
最低 |
最高 |
脚架安装 |
法兰安装 |
进口 |
出口 |
||||||
|
Y2B—A6C |
6.5 |
14 |
2.7 |
2.4 |
1000 |
800 |
1800 |
31 |
30 |
Z1 |
Z3/4 |
|
|
Y2B—A9C |
9.1 |
3.8 |
2.9 |
600 |
||||||||
|
Y2B—A14C |
14.5 |
8.2 |
4.1 |
|||||||||
|
Y2B—A16C |
16.3 |
10.1 |
4.5 |
|||||||||
|
Y2B—A26C |
26.1 |
18.6 |
6.7 |
1500 |
||||||||
|
Y2B—B48C |
48.3 |
35.0 |
14.2 |
1200 |
71 |
68 |
Z1½ |
Z1¼ |
||||
|
Y2B—B60C |
61.0 |
47.0 |
16.9 |
|||||||||
|
Y2B—B74C |
74.8 |
57.6 |
20.6 |
|||||||||
|
Y2B—C129C |
133.9 |
103.2 |
39.5 |
190 |
170 |
Z2 |
Z1½ |
|||||
|
Y2B—C148C |
153.0 |
117.9 |
44.9 |
|||||||||
|
Y2B—C171C |
176.9 |
136.4 |
49.6 |
|||||||||
|
Y2B—C194C |
200.9 |
159.5 |
55.0 |
|||||||||
|
注:输出流量、驱动功率均为额定工况下保证值。 |
||||||||||||
|
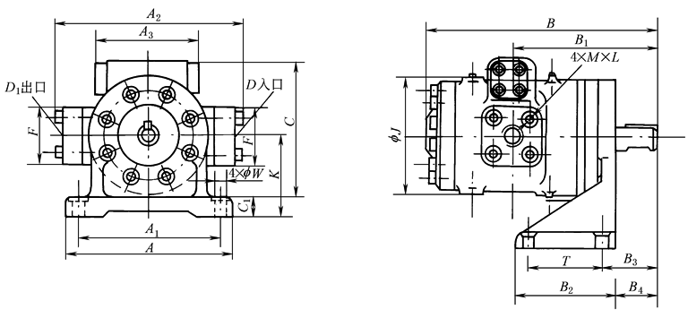
表2 外形尺寸 mm |
||||||||||||||||||||||
|
脚 架 安 装 式 |
说明:轴键尺寸见法兰安装式 |
|||||||||||||||||||||
|
型 号 |
A |
A1 |
A2 |
A3 |
B |
B1 |
B2 |
B3 |
B4 |
C |
C1 |
D |
D1 |
F |
fJ |
K |
T |
f W |
M×L |
|||
|
入口 |
出口 |
入口 |
出口 |
|||||||||||||||||||
|
Y2B-A※C |
210 |
180 |
248 |
156 |
286 |
182 |
120 |
20 |
5 |
208 |
20 |
Z1 |
Z3/4 |
79×79 |
60×60 |
127 |
108 |
90 |
14 |
12×45 |
10×40 |
|
|
Y2B-B※C |
275 |
235 |
316 |
176 |
382 |
239 |
165 |
35 |
15 |
262 |
23 |
Z1½ |
Z1¼ |
105×105 |
80×80 |
193 |
133 |
125 |
18 |
16×60 |
12×50 |
|
|
Y2B-C※C |
375 |
324 |
408 |
224 |
519 |
345 |
250 |
130 |
105 |
383 |
32 |
Z2 |
Z1½ |
105×105 |
105×105 |
252 |
210 |
200 |
23 |
16×65 |
16×60 |
|
|
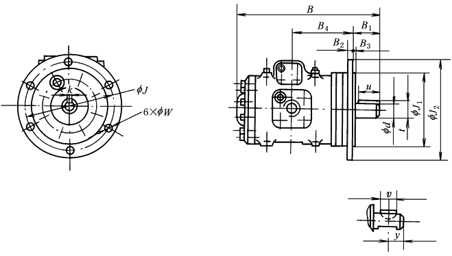
法 兰 安 装 式 |
备注:其他尺寸见脚架安装式 |
|||||||||||||||
|
型 号 |
B |
B1 |
B2 |
B3 |
B4 |
fJ |
fJ1 |
fJ2 |
t |
u |
w |
y |
υ |
fd |
k |
|
|
Y2B-A※C |
286 |
57 |
16 |
6 |
125 |
190 |
|
230 |
28 |
— |
18 |
25 |
25 |
|
|
|
|
Y2B-B※C |
382 |
75 |
22 |
5 |
164 |
241 |
|
280 |
41.5 |
55 |
18 |
— |
— |
|
|
|
|
Y2B-C※C |
519 |
109 |
32 |
8 |
236 |
318 |
|
356 |
53.5 |
85 |
23 |
— |
— |
|
|
|



