|
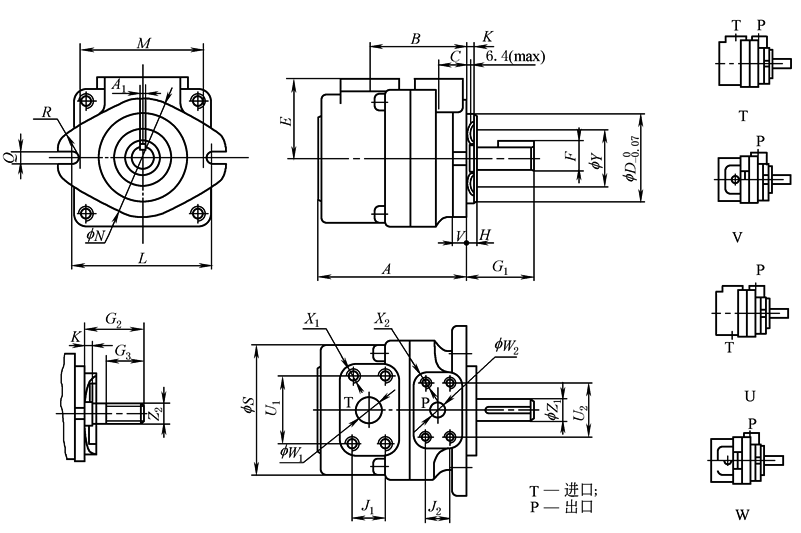
单泵外形尺寸 mm |
|||||||||||
|
|
|||||||||||
|
型号 |
A |
B |
C |
f D |
E |
H |
L |
M |
��N |
Q |
R |
|
PFE-21 |
105 |
69 |
20 |
63 |
57 |
7 |
100 |
— |
84 |
9 |
— |
|
PFE-31/32 |
135 |
98.5 |
27.5 |
82.5 |
70 |
6.4 |
106 |
73 |
95 |
11.1 |
28.5 |
|
PFE-41/42 |
159.5 |
121 |
38 |
101.6 |
76.2 |
9.7 |
146 |
107 |
120 |
14.3 |
34 |
|
PFE-51/52 |
181 |
125 |
38 |
127 |
82.6 |
12.7 |
181 |
143.5 |
148 |
17.5 |
35 |
|
PFE-61 |
200 |
144 |
40 |
152.4 |
98 |
12.7 |
229 |
— |
188 |
22 |
— |
|
型号 |
f S |
U1 |
U2 |
V |
f W1 |
f W2 |
J1 |
J2 |
X1 |
X2 |
f Y |
|
PFE-21 |
92 |
47.6 |
38.1 |
10 |
19 |
11 |
22.2 |
17.5 |
M10×17 |
M8×15 |
40 |
|
PFE-31/32 |
114 |
58.7 |
47.6 |
10 |
32 |
19 |
30.2 |
22.2 |
M10×20 |
M10×17 |
47 |
|
PFE-41/42 |
134 |
70 |
52.4 |
13 |
38 |
25 |
35.7 |
26.2 |
M12×20 |
M10×17 |
76 |
|
PFE-51/52 |
158 |
77.8 |
58.7 |
15 |
51 |
32 |
42.9 |
30.2 |
M12×20 |
M10×20 |
76 |
|
PFE-61 |
185 |
89 |
70 |
18 |
63.5 |
38 |
50.8 |
35.7 |
M12×22 |
M12×22 |
100 |
|
型号 |
1型轴(标准) |
2型轴 |
3型轴 |
5型轴 |
|||||||||||||||
|
f Z1 |
G1 |
A1 |
F |
K |
f Z1 |
G1 |
A1 |
F |
K |
f Z1 |
G1 |
A1 |
F |
K |
Z2 |
G2 |
G3 |
K |
|
|
PFE-21 |
15.88 |
48 |
4.00 |
17.37 |
8 |
— |
— |
— |
— |
— |
— |
— |
— |
— |
— |
— |
— |
— |
— |
|
PFE-31/32 |
19.05 |
55.6 |
4.76 |
21.11 |
8 |
— |
— |
— |
— |
— |
22.22 |
55.6 |
4.76 |
24.54 |
8 |
9T |
32 |
19.5 |
8 |
|
PFE-41/42 |
22.22 |
59 |
4.76 |
24.54 |
11.4 |
22.22 |
71 |
6.36 |
25.07 |
8 |
25.38 |
78 |
6.36 |
28.30 |
11.4 |
13T |
41 |
28 |
8 |
|
PFE-51/52 |
31.75 |
73 |
7.95 |
35.33 |
13.9 |
31.75 |
84 |
7.95 |
35.33 |
8 |
34.90 |
84 |
7.95 |
38.58 |
13.9 |
14T |
56 |
42 |
8 |
|
PFE-61 |
38.10 |
91 |
9.56 |
42.40 |
8 |
— |
— |
— |
— |
— |
— |
— |
— |
— |
— |
— |
— |
— |
— |

