|
有级变速回路组成示例 |
|||
|
变速方式 |
回路组成 |
回路参数 |
回路特点 |
|
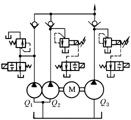
多泵并联换接变速 |
|
变速级数: Z=2N-1 N —— 泵数 各泵流量分配 Qi=2(i-1)Q1 Qi —— 第i个泵的流量 i —— 泵的序号 Qi —— 最小泵即第一个泵的流量 |
属容积式变速,效率高,变速级数少,价格较高 |
|
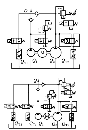
并联泵并联流量控制阀换接变速 |
|
设Q1、Q2为泵1、泵2的流量,Q1+Q2=Q,QT1、QT2、QT3为流量控制阀1、阀2、阀3的设定流量,则: (1)当Q1=20%Q Q2=80%Q QT1=10%Q QT2=40%Q时 变速级数Z=10 (2)当Q1=20%Q Q2=80%Q QT1=5%Q QT2=10%Q QT3=40%Q时 变速级数Z=20 |
组成回路容易,变速级数多,有节流损失,效率较低,但高于无级节流调速,价格较低 |


