|
图形符号(摘自GB/T 786.1—1993) |
||||||||||||||||
|
|
名称 |
符 号 |
用途或 符号解释 |
名称 |
符 号 |
用途或 符号解释 |
名称 |
符 号 |
用途或 符号解释 |
|||||||
|
符
号
要
素 |
实线 |
图线宽度b按 GB/T 4457.4规定 |
工作管路 控制供给管路 回油管路 电气线路 |
小圆 |
|
单向元件 旋转接头 机械铰链滚轮 |
长方形 |
|
缸、阀 |
|||||||
|
虚线 |
|
控制管路 泄油管路或放气管路 过滤器 过滤位置 |
圆点 |
|
管路连接点,滚轮轴 |
|
活塞 |
|||||||||
|
点划线 |
|
组合元件框线 |
半圆 |
|
限定旋转角度的马达或泵 |
l1≤l2≤2l1
|
某种控制方法 |
|||||||||
|
双线 |
|
机械连接的轴、操纵杆、活塞杆等 |
正方形 |
|
控制元件 除电动机外的原动机 |
|
执行器中的缓冲器 |
|||||||||
|
大圆 |
|
一般能量转换元件(泵、马达、压缩机) |
|
调节器件(过滤器、分离器、油雾器和热交换器等) |
半矩形 |
|
油箱 |
|||||||||
|
中圆 |
|
测量仪表 |
|
蓄能器重锤 |
囊形 |
|
压力油箱气罐 蓄能器 辅助气瓶 |
|||||||||
|
功
能
要
素 |
正三角形 |
|
传压方向、流体种类 |
长斜箭头 |
|
可调性符号(可调节的泵、弹簧、电磁铁等) |
其他 |
|
温度指示或温度控制 |
|||||||
|
|
原动机 |
|||||||||||||||
|
实心正三角形 |
|
液压 |
弧线箭头 |
|
旋转运动方向 |
|||||||||||
|
|
弹簧 |
|||||||||||||||
|
空心正三角形 |
|
气动 注:包括排气 |
其他 |
|
电气符号 |
|
节流 |
|||||||||
|
直箭头或斜箭头 |
|
直线运动 液体流过阀的通路和方向 热流方向 |
|
封闭油、气路或油气口 |
|
单向阀简化符号的阀座 |
||||||||||
|
|
电磁操纵器 |
|
固定符号 |
|||||||||||||
|
管 路 、 管 路 连 接 口 和 接 头 |
管路 |
|
连接管路 |
放气装置 |
|
单向放气 |
快换接头 |
|
带单向阀 |
|||||||
|
|
交叉管路 |
排气口 |
|
不带连接措施 |
||||||||||||
|
|
柔性管路 |
|
带连接措施 |
|||||||||||||
|
放气装置 |
|
连续放气 |
快换接头 |
|
不带单向阀 |
旋转接头 |
|
单通路 |
||||||||
|
|
间断放气 |
|
三通路 |
|||||||||||||
|
控 制 机 构 和 控 制 方 法 |
杆 |
注:箭头可省略 |
直线运动 |
人力控制 |
注:单方向控制 |
踏板式 |
直线运动电气控制 |
|
双作用可调电磁操纵器(力矩马达) |
|||||||
|
轴 |
注:箭头可省略 |
旋转运动 |
注:双向控制 |
双向踏板式 |
||||||||||||
|
定位装置 |
|
|
机械控制 |
|
顶杆式 |
旋转运动电气控制 |
|
电动机 |
||||||||
|
|
可变行程控制式 |
|||||||||||||||
|
锁定装置 |
注:×开锁的控制方法符号表示在矩形内 |
|
|
弹簧控制式 |
直接压力控制 |
|
加压或卸压控制 |
|||||||||
|
注:两个方向操纵 |
滚轮式 |
注:如有必要,可将面积比表示在相应的长方形中 |
差动控制 |
|||||||||||||
|
弹跳机构 |
|
|
注:仅在一个方向上操纵,箭头可省略 |
单向滚轮式 |
||||||||||||
|
人力控制 |
|
不指明控制方式时的一般符号 |
注:控制通路在元件内部 |
内部压力控制 |
||||||||||||
|
|
按钮式 |
直线运动电气控制 |
|
电磁铁或力矩马达等 |
注:控制通路在元件外部 |
外部压力控制 |
||||||||||
|
|
拉钮式 |
注:电气引线可省略 |
单作用电磁铁 |
先 导 控 制 间 接 压 力 控 制 |
加 压 控 制 |
注:内部压力控制 |
气压先导控制 |
|||||||||
|
|
按-拉式 |
|
双作用电磁铁 |
|||||||||||||
|
|
手柄式 |
|
单作用可调电磁操纵器(比例电磁铁、力马达等) |
注:外部压力控制 |
液压先导控制 |
|||||||||||
|
控 制 机 构 和 控 制 方 法 |
先 导 控 制 ︵ 间 接 压 力 控 制 ︶ |
加 压 控 制 |
注:内部压力控制内部泄油 |
液压二级先导控制 |
先 导 控 制 间 接 压 力 控 制 |
卸 压 控 制 |
注:内部压力控制,内部泄油 |
液压先导控制 |
先 导 控 制 间 接 压 力 控 制 |
卸 压 控 制 |
注:单作用比例电磁操纵器,内部泄油 |
先导型比例电磁式压力控制阀 |
||||
|
注:气压外部压力控制,液压内部压力控制,外部泄油 |
气压-液压先导控制 |
注:内部压力控制,带遥控泄放口 |
液压先导控制 |
|||||||||||||
|
注:单作用电磁铁一次控制,液压外部压力控制,内部泄油 |
电磁-液压先导控制 |
注:单作用电磁铁一次控制,外部压力控制,外部泄油 |
电磁-液压先导控制 |
反
馈 |
外 反 馈 |
注:电位器,差动变压器等位置检测器 |
一般符号电反馈 |
|||||||||
|
注:单作用电磁铁一次控制,气压外部压力控制 |
电磁-气压先导控制 |
注:带压力调节弹簧,外部泄油,带遥控泄放口 |
先导型压力控制阀 |
内 反 馈 |
|
机械反馈 随动阀仿形控制回路 |
||||||||||
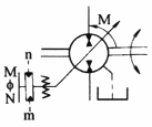
|
能 量 转 换 : (1) 泵 和 马 达 |
泵马达 |
|
一般符号 |
定量马达 |
|
|
变量泵-马达 |
|
双向流动,双向旋转,弹簧对中,外部压力控制,变排量,外部泄油,信号m:朝M方向移动 |
|||||||
|
单向定量液压泵 |
|
单向流动,单向旋转,定排量 |
|
|
||||||||||||
|
双向定量液压泵 |
|
|
变量马达 |
|
|
|
不必表示变量机构控制方法时 |
|||||||||
|
变量液压泵 |
|
|
|
|
压力补偿变量泵 |
|
单向流动 压力可调节 外部泄油 |
|||||||||
|
马达 |
|
单方向流动单方向旋转,双出轴,变排量 量变机构不定,外部泄油 |
液压泵-马达 |
|
单向流动,单向旋转,定排量 |
摆动马达 |
|
定角度,双向摆动 |
||||||||
|
|
双向流动 双向旋转 定排量 |
|
双向流动,双向旋转,手动变排量,外部泄油 |
液压整体式传动装置 |
|
单向旋转,变排量泵 |
||||||||||
|
能 量 转 换 : (2) 缸 |
单 作 用 单 活 塞 杆 缸 |
非 弹 簧 复 位 |
详细符号 |
简化符号 |
双 作 用 缸 |
单 活 塞 杆 缸 |
详细符号 |
简化符号 |
双 作 用 缸 |
不 可 调 双 向 缓 冲 |
详细符号 |
简化符号 |
||||
|
|
|
|
|
|
|
|||||||||||
|
弹 簧 复 位 |
|
|
双 活 塞 杆 缸 |
|
|
可 调 双 向 缓 冲 |
|
|
||||||||
|
|
|
不 可 调 单 向 缓 冲 |
|
|
伸 缩 缸 |
|
||||||||||
|
气-液转换器 |
|
气体压力转换成大体相等的液压力 |
||||||||||||||
|
伸 缩 缸 |
|
可 调 单 向 缓 冲 |
|
|
增压器 |
|
气压力(X)转换成液压力(Y) |
|||||||||
|
能 量 贮 存 器 |
蓄能器 |
|
一般符号 注:垂直绘制,不表示载荷形式 |
蓄能器 |
|
重锤式 注:垂直绘制 |
辅助气瓶 |
|
注:垂直绘制 |
|||||||
|
|
气体隔离式 注:垂直绘制 |
|
弹簧式 |
气罐 |
|
|
||||||||||
|
动 力 源 |
液压源,气压源 |
|
一般符号 |
电动机 |
|
|
原动机 |
|
注:电动机除外 |
|||||||
|
能 量 控 制 与 调 节 : (1) 方 向 控 制 阀 |
二位二通换向阀 |
|
常闭 常开 |
二位三通换向阀 |
|
虚线为过渡线,表示带中间过渡位置 |
换向阀 |
二位四通
|
二位五通
|
|||||||
|
二位二通手动换向阀 |
|
常闭 |
二位三通电磁换向阀 |
|
三位三通
|
三位四通
|
||||||||||
|
三位四通换向阀中位滑阀机能 |
|
|
三位四通电液换向阀 |
主阀:三位四通,压力对中与弹簧对中并用 先导阀:三位四通,弹簧对中,双作用电磁铁控制,带手动应急控制装置,外部压力控制,内部泄油 |
单向阀 |
|
带弹簧,可省略 |
|||||||||
|
|
|
|||||||||||||||
|
液控单向阀 |
|
无弹簧,控制压力关闭阀 |
||||||||||||||
|
|
|
|||||||||||||||
|
|
|
|||||||||||||||
|
|
|
三位五通换向阀 |
|
控制压力打开阀 |
带弹簧,可省略 |
|||||||||||
|
|
|
三位六通换向阀 |
|
|||||||||||||
|
|
|
四通节流型换向阀 |
|
带负遮盖中间位置 |
液压锁 |
|
|
|||||||||
|
|
|
|
带正遮盖中间位置 |
|||||||||||||
|
|
|
伺服阀 |
|
典型例 |
或门型梭阀 |
|
|
|||||||||
|
|
|
|||||||||||||||
|
|
|
四通电液伺服阀 |
带电反馈三级 |
|||||||||||||
|
|
|
与门型梭阀 |
|
|
||||||||||||
|
三位四通电液换向阀 |
主阀:三位四通,弹簧对中 先导阀:三位四通,弹簧对中,单作用电磁铁控制,带手动应急控制装置,内部压力控制,外部泄油 |
二级 |
||||||||||||||
|
单向阀 |
|
无弹簧 |
快速排气阀 |
|
|
|||||||||||
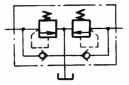
|
(2) 压 力 控 制 阀 |
溢 流 阀 |
直动型溢流阀 |
内部压力控制
外部压力控制 |
先导型溢流阀 |
|
先导型比例电磁溢流阀 |
|
|||||||||
|
卸荷溢流阀 |
|
|||||||||||||||
|
先导型电磁溢流阀 |
|
|||||||||||||||
|
先导型溢流阀 |
|
双向溢流阀 |
直动型,外部泄油 |
|||||||||||||
|
减 压 阀 |
一般符号或直动型减压阀 |
|
减 压 阀 |
定差减压阀 |
|
|||||||||||
|
顺 序 阀 |
平衡阀(单向顺序阀) |
|
||||||||||||||
|
先导型减压阀 |
|
|||||||||||||||
|
顺 序 阀 |
一般符号或直动式顺序阀 |
注:①内部压力控制,外部泄油
注:②外部压力控制,外部泄油 |
||||||||||||||
|
溢流减压阀 |
|
卸 荷 阀 |
一般符号或直动型卸荷阀 |
|
||||||||||||
|
先导型比例电磁式溢流减压阀 |
|
|||||||||||||||
|
先导型顺序阀 |
|
制动阀 |
|
|||||||||||||
|
定比减压阀 |
|
|||||||||||||||
|
(3) 流 量 控 制 阀 |
节 流 阀 |
可调节流阀 |
|
节 流 阀 |
滚轮控制可调节流阀(减速阀) |
|
调速阀 |
带温度补偿的调速阀 |
|
|||||||
|
不可调节流阀 |
|
|||||||||||||||
|
带消声器的节流阀 |
|
|||||||||||||||
|
可调单向节流阀 |
|
旁通型调速阀 |
|
|||||||||||||
|
调 速 阀 |
一般符号 |
|
||||||||||||||
|
截止阀 |
|
|||||||||||||||
|
调 速 阀 |
单向调速阀 |
|
分流阀 |
|
分流集流阀 |
|
||||||||||
|
集流阀 |
|
|||||||||||||||
|
流 体 的 贮 存 和 调 节 |
油
箱 |
通大气式油箱 |
|
管端在液面以上 |
分水排水器 |
|
人工排出 |
空气干燥器 |
|
|||||||
|
|
管端在液面以下带空气滤清器 |
油雾器 |
|
|||||||||||||
|
|
自动排出 |
|||||||||||||||
|
|
管端连接于油箱底 |
气源调节装置 |
|
图中垂直箭头表示分离器 |
||||||||||||
|
空气过滤器 |
|
人工排出 |
||||||||||||||
|
|
局部泄油或回油 |
|||||||||||||||
|
|
自动排出 |
|||||||||||||||
|
密封式油箱 |
|
用作加压油箱或密闭油箱,三条管路 |
热 交 换 器 |
冷 却 器 |
|
一般符号 |
||||||||||
|
除油器 |
|
人工排出 |
||||||||||||||
|
过滤器 |
|
一般符号 |
|
带冷却剂管路指示 |
||||||||||||
|
|
带磁性滤芯 |
|
自动排出 |
加热器 |
|
|||||||||||
|
|
带污染指示器 |
温度调节器 |
|
|||||||||||||
|
辅 助 元 器 件 |
压 力 检 测 器 |
压力指示器 |
|
液面计 |
|
其 他 元 器 件 |
压力继电器 |
|
||||||||
|
压力计 |
|
温度计 |
|
行程开关 |
|
|||||||||||
|
压差计 |
|
流 量 检 测 器 |
检流计(液流指示器) |
|
模拟传感器 |
注:气动 |
||||||||||
|
脉冲计数器 |
注:带电输出信号 |
流量计 |
|
消声器 |
注:气动 |
|||||||||||
|
累计流量计 |
|
|||||||||||||||
|
注:带气动输出信号 |
转速仪 |
|
报警器 |
注:气动 |
||||||||||||
|
转矩仪 |
|
|||||||||||||||
|
注:l1、l为基本尺寸。 |
||||||||||||||||
|
||||||||||||||||





































































































































