|
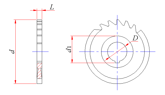
锯片铣刀 (摘自GB/T 6120—1996) (mm) |
||
|
|
||
|
d js16 |
D H7 |
L js11 范围 |
|
20 |
5 |
0.20~2.00 |
|
25 |
8 |
0.20~2.50 |
|
32 |
0.20~3.00 |
|
|
40 |
10 (13) |
0.20~4.00 |
|
50 |
13 |
0.25~5.00 |
|
63 |
16 |
0.30~6.00 |
|
80 |
22 |
0.50~6.00 |
|
100 |
22 (27) |
0.60~6.00 |
|
125 |
0.80~6.00 |
|
|
160 |
32 |
1.20~6.00 |
|
200 |
1.60~6.00 |
|
|
250 |
2.00~6.00 |
|
|
315 |
40 |
2.50~6.00 |
|
注:1.尽量不采用括号内的尺寸。 2.锯片铣刀分为细齿、中齿和粗齿三种型式,其直径范围分别为:细齿:20~315;中齿32~315;粗齿:50~315。 3.L系列为:0.20,0.25,0.30,0.40,0.50,0.60,0.80,1.00,1.20,1.60,2.00,2.50,3.00,4.00,5.00。 |
||

