|
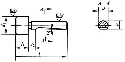
锪钻用可换导柱 (摘自GB/T 4266—1984) (mm) |
|||||||||||||||
|
|
|||||||||||||||
|
d(f7) |
4 |
5 |
6 |
||||||||||||
|
d1 (e8) |
大于 |
5 |
6.3 |
8 |
10 |
12.5 |
6.3 |
8 |
10 |
12.5 |
16 |
8 |
10 |
12.5 |
16 |
|
至 |
6.3 |
8 |
10 |
12.5 |
14 |
8 |
10 |
12.5 |
16 |
18 |
10 |
12.5 |
16 |
20 |
|
|
|
3.6 |
4.6 |
5.5 |
||||||||||||
|
l |
25 |
26 |
27 |
28 |
30 |
29 |
30 |
31 |
33 |
35 |
36 |
38 |
40 |
||
|
l1 |
5 |
6 |
7 |
8 |
10 |
6 |
7 |
8 |
10 |
12 |
7 |
8 |
10 |
12 |
|
|
l2 |
3 |
4 |
3 |
4 |
5 |
||||||||||

