|
连接型式及特性 |
||
|
连接 型式 |
简 图 |
特 性 说 明 |
|
Ⅰ |
|
无基准要求的两个孔(指一个对另一个孔而言) |
|
Ⅱ |
|
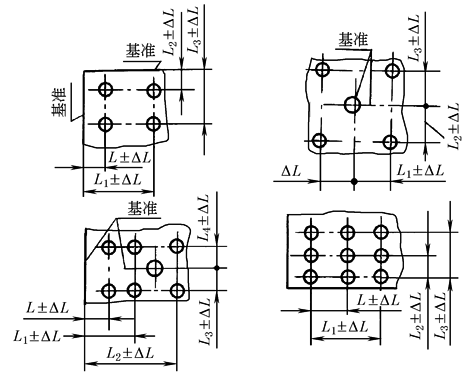
沿直角排列,并无基准要求的二、三、四个孔 |
|
Ⅲ |
|
排列在一条直线上,并无基准要求的三个或三个以上的孔(以第一个孔为基准) 排列在一条直线上,并有基准要求的一个或一个以上的孔(装配时,以零件所依据的基准面为基准) |
|
Ⅳ |
|
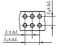
双排排列,而每排有三个或三个以上的孔(并无基准要求) |
|
Ⅴ |
|
要求具有互相垂直基准面的一个或一个以上的孔(装配时其中每一个孔均要求垂直基准面为准) 排列在三排或三排以上,无基准要求的三个或三个以上的孔 |
|
注:上表图中±△L值均按表一般精度用孔的孔间距允许偏差和表精确用孔的孔间距允许偏差选取。 |
||





