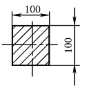
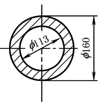
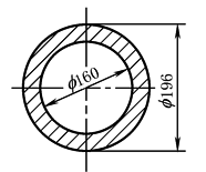
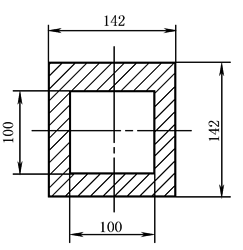
|
几种不同截面形状的惯性矩比较 |
|||||||
|
序号 |
截面形状 |
抗弯惯性矩 (相对值) |
抗扭惯性矩 (相对值) |
序号 |
截面形状 |
抗弯惯性矩 (相对值) |
抗扭惯性矩 (相对值) |
|
1 |
|
1 |
1 |
5 |
|
1.04 |
0.88 |
|
2 |
|
3.03 |
2.88 |
6 |
|
4.13 |
0.43 |
|
3 |
|
5.04 |
5.37 |
7 |
|
2.45 |
1.27 |
|
4 |
|
|
0.07 |
8 |
|
7.35 |
0.82 |








