|
常用隔振器的类型和主要特性 |
||||
|
序号 |
类型 |
代号 |
简图 |
主要特性 |
|
1 |
平板形 隔振器 |
JP |
|
额定载荷范围为4.41~153.35N,结构紧凑,连接方便。垂直方向的固有角频率为13.5~15Hz,水平方向的固有角频率为30~35Hz |
|
2 |
碗形 隔振器 |
JW |
|
额定载荷范围为4.41~153.35N,结构紧凑,连接方便。垂直方向的固有角频率为13.5~15Hz,水平方向的固有角频率为30~35Hz |
|
3 |
加固形 隔振器 |
JG |
|
能承受高达323.4~980N的较大额定载荷。当隔振器橡胶损坏时,能防止设备与基础脱开,因此可用于支承在水平、倾斜和竖直基础上的设备 |
|
4 |
封闭形 隔振器 |
JF |
|
|
|
5 |
封闭形 隔振器 (耐油) |
JF-A |
|
|
|
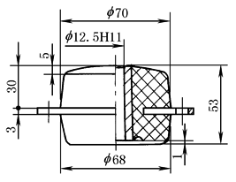
6 |
封闭形 隔振器 (耐油) |
JF-B |
|
允许在润滑油、柴油和海水长期浸泡条件下工作,适用环境温度为-5~70℃ |
|
7 |
弧形 隔振器 |
JH |
|
耐振强度小,随所加载荷方向的不同,特性变化较大 |
|
8 |
剪切形 隔振器 |
JJQ |
|
刚度小、阻尼大,支承稳定。额定载荷为98~1176N |
|
9 |
三向 等刚度 隔振器 |
JPD |
|
三个方向等刚度,垂直方向固有角频率为7~12Hz,水平方向为8~12.5Hz,额定载荷为980~9800N |
|
10 |
支柱形 隔振器 |
JZ |
|
水平方向固有角频率为6~7Hz,垂直方向为11~13Hz,大多用于水平方向的隔振 |
|
11 |
支脚形 隔振器 |
JJ |
|
结构简单,成本低,额定载荷小,为98~588N |
|
12 |
框架形 隔振器 |
JK |
|
用来保护无线电设备整机振动与冲击隔离,额定载荷为147~245.3N |
|
13 |
衬套形 隔振器 |
JC |
|
结构简单、紧凑,性能稳定,用于小型设备的单个隔振,能承受水平和垂直两个方向的载荷 |
|
14 |
球形 隔振器 |
JQ |
|
水平和垂直方向固有角频率相近,平均为11~12Hz,应力分布均匀,额定载荷为19.6~78.5N |
|
15 |
橡胶等频 隔振器 |
JX |
|
非线性隔振器,承载范围大,既能用于隔振,也可用于冲击隔离 |
|
16 |
空气阻尼 隔振器 |
JQZ |
|
可通过改变孔径来调节阻尼系数,只能承受垂直方向载荷,额定载荷为3.92~147.15N |
|
17 |
金属网 阻尼 隔振器 |
JWL |
|
性能稳定,不会老化,用于环境恶劣的场合,能承受较大的线性过载,额定载荷为14.7~147.15N |
|
注:各类隔振器结构及其应用详见《机械设计图册》第5卷第2篇第12章(化学工业出版社,2000年)。 |
||||

















