|
机械工程中常见的自激振动现象 |
|||
|
自振现象 |
机械系统 |
振动系统和控制系统 相互联系示意图 |
反馈控制的特性和产生自振 条件的简要说明 |
|
机床的切削自振 |
|
|
振动系统的动刚度不足或主振方向与切削力相对位置不适宜时,因位移x的联系产生维持自振的交变切削力P 切削力具有随切削速度增加而下降的特性时,因速度x的联系产生交变切削力P |
|
低速运动部件的爬行 |
|
|
摩擦力具有随运动速度增加而下降的特性时,因振动速度 |
|
液压随动系统的自振 |
|
|
缸体与阀反馈联接的环节K的刚度不足或存在间隙时,缸体弹性位移x会产生维持自振的交变油压力P |
|
高速转轴的弓状回转自振 |
|
|
转轴材料的内滞作用使应力和应变不成线性关系。圆盘与轴配合较松时,内滞更加明显。轴转动时,轴上所受的弹性力P不通过中心B,而使轴心A产生绕B点(轴线Z)作弓状回转运动。转速大于轴的临界转速时产生自振,其频率等于临界转速 |
|
传动带横向自振 |
|
|
传动带轮振动位移x引起传动带张力T的变化,当x和T的振动角频率ωk为传动带横向弹性变形振动系统的固有角频率ωn的2倍时,产生横向y的参数自振,y的振动角频率ωn |
|
滑动轴承的油膜振荡 |
|
|
轴承油膜承载力P与轴颈偏离所产生的惯性力mωw不平衡,其合力F使轴心O1绕轴承中心作涡动运动。其方向与轴的转速ω方向相同,涡动角速度 界转速)时,产生强烈的油膜振荡,振荡角频率ωk=ωc,不随ω而变化 |
|
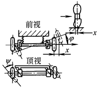
汽车车轮的闪动 |
|
|
车轮的侧向位移x、倾角φ和闪动角ψ三者相互关联,在一定的行驶速度范围内,产生维持自振的交变摩擦力 轮胎内气压和轮胎侧向刚度愈低,愈容易产生侧向位移;悬挂弹簧刚度愈低,侧倾愈大。侧向位移出现和侧倾的加大,使各振动的相互联系加强,因而愈易产生车轮闪动的自振 提高车轮转向机构的刚度和阻尼,可避免车轮闪动现象出现 |
|
受轴向交变力作用的简支梁横向自振 |
|
|
受轴向交变力P作用的简支梁,由于P与振动位移y产生交变弯矩作用,使梁抗弯刚度有周期性变化,只要P的变化角频率ωk和系统固有角频率ωn之间保持一定关系(ωk/ωn=2、1、2/3、2/4、2/5、…),则梁可能产生横向自激振动 |
|
气动冲击工具的自振 |
|
|
气动冲击工具的活塞往复运动,通过配气通道交替改变活塞前后腔压力,使活塞维持恒频率恒振幅的稳态振动。压缩空气为活塞往复运动提供了能量,活塞本身完成了振动体、阀和反馈装置的全部职能 |


















