|
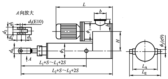
DYT(B)-C型系列外形安装尺寸 |
||||||||||||||||||
|
mm |
||||||||||||||||||
|
型号 |
L |
L1 |
L2 |
LA |
LE |
f 1 |
f 2 |
f 3 |
h |
b |
H |
d1 |
d2 |
d3 |
d4 |
d5 |
d6 |
推力Ft 范围/N |
|
DYT□-□C 2500-4500 |
605 |
135 |
255 |
150 |
200 |
|
f 140 |
f 25 |
|
|
200 |
20 |
44 |
f 16 |
20 |
45 |
44 |
0≤Ft <4500 |
|
DYT□-□C 4500-7000 |
625 |
135 |
255 |
150 |
210 |
f 200 |
f 140 |
f 30 |
|
|
200 |
20 |
44 |
f 16 |
20 |
45 |
44 |
4500≤Ft <7000 |
|
DYT□-□C 7000-14000 |
685 |
163 |
283 |
|
|
|
|
f 30 |
|
|
220 |
20 |
44 |
f 20 |
20 |
50 |
44 |
7000≤Ft <14000 |
|
DYT□-□C 14000-21000 |
685 |
194 |
314 |
180 |
250 |
|
f 165 |
f 35 |
140 |
f 180 |
220 |
25 |
57 |
f 25 |
25 |
53 |
55 |
14000≤Ft ≤21000 |
|
DYT□-□C 21000-27000 |
685 |
194 |
314 |
180 |
250 |
f 250 |
f 165 |
f 35 |
140 |
f 180 |
220 |
25 |
57 |
f 25 |
25 |
53 |
55 |
21000<Ft <27000 |
|
DYT□-□C 27000-40000 |
685 |
194 |
314 |
180 |
260 |
f 250 |
f 165 |
f 40 |
140 |
f 180 |
220 |
25 |
57 |
f 25 |
25 |
53 |
55 |
27000≤Ft <40000 |
|
DYT□-□C 40000-60000 |
750 |
247 |
367 |
210 |
290 |
|
f 180 |
f 45 |
150 |
f 180 |
|
38 |
70 |
f 35 |
35 |
70 |
70 |
40000≤Ft <60000 |
|
DYT□-□C 60000-80000 |
750 |
254 |
404 |
240 |
340 |
f 300 |
f 220 |
f 50 |
160 |
f 180 |
280 |
42 |
82 |
f 40 |
40 |
70 |
80 |
60000≤Ft ≤80000 |
|
DYT□-□C 80000-120000 |
750 |
294 |
444 |
240 |
340 |
f 300 |
f 220 |
f 55 |
160 |
f 200 |
280 |
52 |
102 |
f 45 |
45 |
80 |
90 |
80000<Ft ≤120000 |
|
DYT□-□C 120000-150000 |
850 |
322 |
472 |
280 |
400 |
f 350 |
f 245 |
f 60 |
170 |
f 200 |
290 |
50 |
110 |
f 50 |
50 |
90 |
110 |
120000<Ft ≤150000 |
|
DYT□-□C 150000-200000 |
850 |
386 |
536 |
320 |
440 |
f 350 |
f 273 |
f 60 |
195 |
f 200 |
320 |
60 |
120 |
f 60 |
60 |
100 |
120 |
150000<Ft ≤200000 |
|
DYT□-□C 200000-250000 |
925 |
435 |
585 |
360 |
500 |
f 350 |
f 325 |
f 70 |
215 |
f 250 |
370 |
70 |
140 |
f 70 |
65 |
110 |
140 |
200000<Ft ≤250000 |
|
注:以上数据为行程大于100mm,凡有两个数据者,横线上的为速度Ⅰ数据,横线下的为速度Ⅱ、Ⅲ数据。 |
||||||||||||||||||

