|
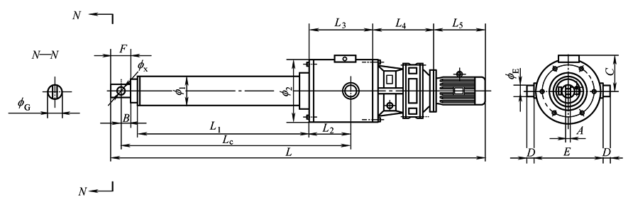
DTT型电动推拉杆 |
|||||||||||||||||||
|
|
|||||||||||||||||||
|
表1 主要尺寸表 mm |
|||||||||||||||||||
|
型 号 |
行程 S |
L |
Lc |
L1 |
L2 |
L3 |
L4 |
L5 |
f X |
f G |
f 1 |
f 2 |
f E |
A |
B |
C |
D |
E |
F |
|
DTT40-V-S |
400~1600 |
466+S+L4+L5 |
311+S |
126+S |
120 |
245 |
按 配 套 减 速 器 确 定 |
按 配 套 电 动 机 确 定 |
30 |
75 |
108 |
204 |
35 |
25 |
40 |
157 |
25 |
224 |
70 |
|
DTT63-V-S |
400~1600 |
466+S+L4+L5 |
311+S |
126+S |
120 |
245 |
30 |
75 |
108 |
204 |
35 |
25 |
40 |
157 |
25 |
224 |
70 |
||
|
DTT100-V-S |
500~2000 |
549+S+L4+L5 |
373+S |
160+S |
128 |
264 |
40 |
95 |
140 |
268 |
40 |
30 |
53 |
192 |
30 |
288 |
93 |
||
|
DTT160-V-S |
500~2000 |
651+S+L4+L5 |
438+S |
188+S |
154 |
322 |
45 |
109 |
159 |
310 |
45 |
36 |
60 |
215 |
32 |
330 |
105 |
||
|
DTT250-V-S |
600~2500 |
708+S+L4+L5 |
489+S |
225+S |
158 |
327 |
50 |
122 |
180 |
350 |
60 |
40 |
66 |
236 |
45 |
370 |
116 |
||
|
DTT400-V-S |
600~3000 |
882+S+L4+L5 |
592+S |
249+S |
216 |
446 |
60 |
140 |
219 |
410 |
70 |
46 |
80 |
267 |
52 |
440 |
140 |
||
|
DTT630-V-S |
600~4000 |
1127+S+L4+L5 |
773+S |
345+S |
257 |
531 |
80 |
195 |
273 |
530 |
90 |
66 |
106 |
328 |
68 |
560 |
186 |
||
|
DTT1000-V-S |
600~5000 |
1444+S+L4+L5 |
988+S |
443+S |
334 |
690 |
100 |
236 |
325 |
710 |
120 |
80 |
133 |
419 |
90 |
740 |
233 |
||
|
表2 基本性能参数 |
||||||||||||||||
|
推
拉
杆
型
号 |
DTT40-V-S |
推拉力F/kN |
40 |
|||||||||||||
|
推杆速度υ/mm·s-1 |
54.8 |
43.3 |
34.8 |
27.4 |
21.6 |
17.7 |
11.5 |
8.5 |
6.7 |
5.6 |
4.5 |
3.3 |
2.7 |
2.5 |
||
|
电动机功率/kW |
7.5 |
5.5 |
4 |
3 |
2.2 |
1.5 |
1.1 |
0.75 |
0.55 |
|||||||
|
电动机长度L5/mm |
435 |
395 |
340 |
320 |
285 |
260 |
245 |
|||||||||
|
配套减速器型号 |
NGW40/63 |
XLD4 |
||||||||||||||
|
减速器长度L4/mm |
250 |
200 |
260 |
|||||||||||||
|
DTT63-V-S |
推拉力F/kN |
63 |
||||||||||||||
|
推杆速度υ/mm·s-1 |
54.8 |
43.3 |
34.8 |
27.4 |
21.6 |
17.7 |
11.5 |
8.5 |
6.7 |
5.6 |
4.5 |
3.3 |
2.7 |
2.5 |
||
|
电动机功率/kW |
11 |
7.5 |
5.5 |
4 |
2.2 |
1.5 |
1.1 |
0.75 |
0.55 |
|||||||
|
电动机长度L5/mm |
490 |
435 |
395 |
340 |
320 |
285 |
260 |
245 |
||||||||
|
配套减速器型号 |
NGW40/63 |
XLD4 |
||||||||||||||
|
减速器长度L4/mm |
250 |
200 |
260 |
|||||||||||||
|
DTT100-V-S |
推拉力F/kN |
100 |
||||||||||||||
|
推杆速度υ/mm·s-1 |
|
54.5 |
43.8 |
34.5 |
27.2 |
22.3 |
14.4 |
10.7 |
8.5 |
7.0 |
5.7 |
4.2 |
3.5 |
2.8 |
||
|
电动机功率/kW |
|
18.5 |
15 |
11 |
7.5 |
4 |
3 |
2.2 |
1.5 |
1.1 |
||||||
|
电动机长度L5/mm |
|
560 |
535 |
490 |
435 |
340 |
320 |
285 |
260 |
|||||||
|
配套减速器型号 |
NGW100 |
XLD5 |
||||||||||||||
|
减速器长度L4/mm |
275 |
358 |
334 |
319 |
||||||||||||
|
DTT160-V-S |
推拉力F/kN |
160 |
||||||||||||||
|
推杆速度υ/mm·s-1 |
|
54.5 |
43.8 |
34.5 |
27.2 |
22.3 |
14.4 |
10.7 |
8.5 |
7.0 |
5.7 |
4.2 |
3.5 |
2.8 |
||
|
电动机功率/kW |
|
30 |
22 |
18.5 |
15 |
11 |
7.5 |
5.5 |
4 |
3 |
2.2 |
1.5 |
||||
|
电动机长度L5/mm |
|
665 |
600 |
560 |
535 |
490 |
435 |
395 |
340 |
320 |
285 |
|||||
|
配套减速器型号 |
NGW160 |
XLD5 |
||||||||||||||
|
减速器长度L4/mm |
295 |
358 |
334 |
319 |
||||||||||||
|
DTT250-V-S |
推拉力F/kN |
250 |
||||||||||||||
|
推杆速度υ/mm·s-1 |
|
52.9 |
41.7 |
32.9 |
26.9 |
17.4 |
12.9 |
10.2 |
8.5 |
6.9 |
5.0 |
4.2 |
3.4 |
|||
|
电动机功率/kW |
|
45 |
37 |
30 |
22 |
15 |
11 |
7.5 |
5.5 |
4 |
3 |
|||||
|
电动机长度L5/mm |
|
705 |
680 |
665 |
600 |
535 |
490 |
435 |
395 |
340 |
320 |
|||||
|
配套减速器型号 |
NGW250 |
XLD7 |
||||||||||||||
|
减速器长度L4/mm |
360 |
422 |
392 |
372 |
||||||||||||
|
DTT400-V-S |
推拉力F/kN |
400 |
||||||||||||||
|
推杆速度υ/mm·s-1 |
55.8 |
44 |
35.4 |
27.9 |
22 |
18 |
11.6 |
8.6 |
6.8 |
5.7 |
4.6 |
3.4 |
2.8 |
2.3 |
||
|
电动机功率/kW |
90 |
75 |
55 |
45 |
37 |
30 |
22 |
15 |
11 |
7.5 |
5.5 |
4 |
||||
|
电动机长度L5/mm |
1080 |
1030 |
910 |
860 |
790 |
705 |
665 |
600 |
535 |
490 |
435 |
|||||
|
配套减速器型号 |
NGW400 |
XLD8 |
||||||||||||||
|
减速器长度L4/mm |
435 |
495 |
465 |
|||||||||||||
|
DTT630-V-S |
推拉力F/kN |
630 |
||||||||||||||
|
推杆速度υ/mm·s-1 |
|
41.3 |
32.5 |
25.7 |
21 |
13.6 |
10 |
7.9 |
6.6 |
5.4 |
3.9 |
3.3 |
2.7 |
|||
|
电动机功率/kW |
|
110 |
90 |
75 |
55 |
37 |
30 |
22 |
18.5 |
15 |
11 |
7.5 |
||||
|
电动机长度L5/mm |
|
1080 |
1030 |
910 |
790 |
705 |
665 |
600 |
535 |
490 |
||||||
|
配套减速器型号 |
NGW630 |
XLD10 |
||||||||||||||
|
减速器长度L4/mm |
530 |
574 |
542 |
|||||||||||||
|
DTT1000-V-S |
推拉力F/kN |
1000 |
||||||||||||||
|
推杆速度υ/mm·s-1 |
|
33 |
27 |
17.5 |
12.9 |
10.2 |
8.5 |
6.9 |
5.0 |
4.2 |
3.4 |
|||||
|
电动机功率/kW |
|
132 |
110 |
75 |
55 |
45 |
37 |
30 |
22 |
18.5 |
15 |
|||||
|
电动机长度L5/mm |
|
1080 |
1030 |
910 |
860 |
790 |
705 |
665 |
600 |
|||||||
|
配套减速器型号 |
NGW100 |
XLD11 |
||||||||||||||
|
减速器长度L4/mm |
705 |
837 |
807 |
|||||||||||||
|
(1) 型号含义
(2) 标记示例 DTT型电动推拉杆,推(拉)力100kN,速度为4.2mm/s,行程为1500mm 标记为:DTT100-4.2-1500 (3) 生产厂 生产厂为江苏省无锡市万向轴器有限公司 |
||||||||||||||||


