|
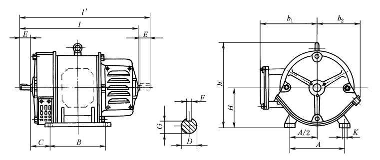
ZCF系列大功率直流测速发电机外形及安装尺寸 |
||||||||||||||
|
mm |
||||||||||||||
|
型号 |
安装尺寸 |
|||||||||||||
|
A |
A/2 |
B |
C |
D |
E |
F |
||||||||
|
ZCF-11 ZCF-12 |
145±0.7 |
72.5±0.5 |
155±0.7 175±0.7 |
80.5±1.5 |
|
30 |
|
|||||||
|
ZCF-21 ZCF-22 |
200±1.5 |
100±0.7 |
180±1.05 205±1.05 |
73±1.5 |
|
40 |
|
|||||||
|
型号 |
安装尺寸 |
外形尺寸 |
||||||||||||
|
G |
H |
K |
b1 |
b2 |
h |
l |
l' |
|||||||
|
ZCF-11 ZCF-12 |
|
|
|
180 |
117 |
215 |
390 410 |
420 440 |
||||||
|
ZCF-21 ZCF-22 |
|
|
|
215 |
155 |
305 |
425 450 |
470 495 |
||||||

