|
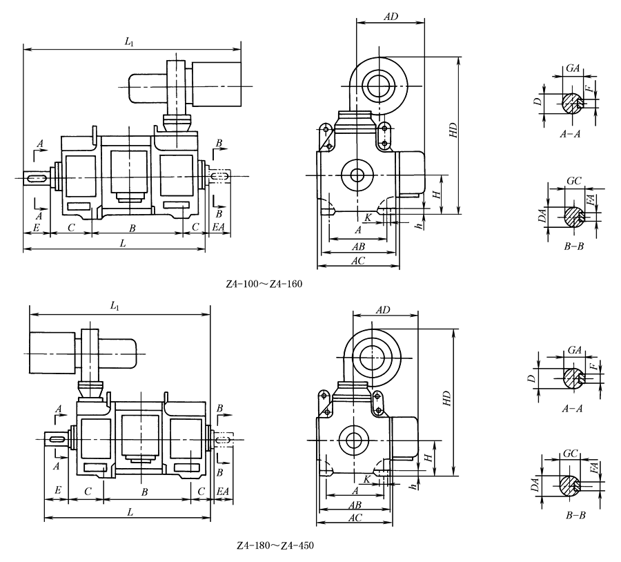
卧式、机座带底脚安装及外形尺寸 |
||||||||||||||||||||
|
mm |
||||||||||||||||||||
|
型号 |
安装尺寸 |
外形尺寸 |
||||||||||||||||||
|
A |
B |
C |
D |
E |
F |
GA |
DA |
EA |
FA |
GC |
H |
K |
AB |
AC |
AD |
HD |
L |
L1 |
h |
|
|
Z4-100-1 |
160 |
318 |
63 |
24 |
50 |
8 |
27 |
24 |
50 |
8 |
27 |
100 |
12 |
197 |
234 |
179 |
398 |
500 |
580 |
10 |
|
Z4-100-2 |
358 |
540 |
620 |
|||||||||||||||||
|
Z4-112/2-1 |
190 |
337 |
70 |
28 |
60 |
8 |
31 |
28 |
60 |
8 |
31 |
112 |
12 |
221 |
255 |
202 |
452 |
544 |
612 |
10 |
|
Z4-112/2-2 |
367 |
574 |
642 |
|||||||||||||||||
|
Z4-112/2-3 |
407 |
614 |
682 |
|||||||||||||||||
|
Z4-112/2-4 |
477 |
684 |
752 |
|||||||||||||||||
|
Z4-112/4-1 |
347 |
70 |
32 |
80 |
10 |
35 |
32 |
80 |
10 |
35 |
112 |
12 |
221 |
255 |
202 |
452 |
573 |
642 |
||
|
Z4-112/4-2 |
387 |
613 |
682 |
|||||||||||||||||
|
Z4-112/4-3 |
437 |
663 |
732 |
|||||||||||||||||
|
Z4-112/4-4 |
497 |
723 |
792 |
|||||||||||||||||
|
Z4-132-1 |
216 |
355 |
89 |
38 |
80 |
10 |
41 |
38 |
80 |
10 |
41 |
132 |
12 |
260 |
295 |
240 |
527 |
619 |
814 |
12 |
|
Z4-132-2 |
405 |
669 |
864 |
|||||||||||||||||
|
Z4-132-3 |
465 |
729 |
924 |
|||||||||||||||||
|
Z4-132-4 |
545 |
809 |
1004 |
|||||||||||||||||
|
Z4-160-11 |
254 |
411 |
108 |
48 |
110 |
14 |
51.5 |
48 |
110 |
14 |
51.5 |
160 |
15 |
316 |
346 |
283 |
625 |
744 |
953 |
14 |
|
Z4-160-12 |
476 |
809 |
986 |
|||||||||||||||||
|
Z4-160-21 |
451 |
784 |
993 |
|||||||||||||||||
|
Z4-160-22 |
516 |
849 |
1026 |
|||||||||||||||||
|
Z4-160-31 |
501 |
834 |
1043 |
|||||||||||||||||
|
Z4-160-32 |
566 |
899 |
1076 |
|||||||||||||||||
|
Z4-160-41 |
561 |
894 |
1103 |
|||||||||||||||||
|
Z4-160-42 |
626 |
959 |
1136 |
|||||||||||||||||
|
Z4-160-51 |
631 |
964 |
1173 |
|||||||||||||||||
|
Z4-160-52 |
696 |
1029 |
1206 |
|||||||||||||||||
|
Z4-180-11 |
279 |
436 |
121 |
55 |
110 |
16 |
59 |
55 |
110 |
16 |
59 |
180 |
15 |
356 |
390 |
305 |
731 |
794 |
1022 |
16 |
|
Z4-180-12 |
501 |
859 |
1087 |
|||||||||||||||||
|
Z4-180-21 |
476 |
834 |
1062 |
|||||||||||||||||
|
Z4-180-22 |
541 |
899 |
1127 |
|||||||||||||||||
|
Z4-180-31 |
526 |
884 |
1112 |
|||||||||||||||||
|
Z4-180-32 |
591 |
949 |
1177 |
|||||||||||||||||
|
Z4-180-41 |
586 |
944 |
1172 |
|||||||||||||||||
|
Z4-180-42 |
651 |
1009 |
1237 |
|||||||||||||||||
|
Z4-180-51 |
656 |
1014 |
1242 |
|||||||||||||||||
|
Z4-180-52 |
721 |
1079 |
1307 |
|||||||||||||||||
|
Z4-200-11 |
318 |
566 |
133 |
65 |
140 |
18 |
69 |
65 |
140 |
18 |
69 |
200 |
19 |
396 |
430 |
355 |
779 |
977 |
1158 |
18 |
|
Z4-200-12 |
614 |
1025 |
1206 |
|||||||||||||||||
|
Z4-200-21 |
606 |
1017 |
1198 |
|||||||||||||||||
|
Z4-200-22 |
654 |
1065 |
1246 |
|||||||||||||||||
|
Z4-200-31 |
686 |
1097 |
1278 |
|||||||||||||||||
|
Z4-200-32 |
734 |
1145 |
1326 |
|||||||||||||||||
|
Z4-200-41 |
756 |
1167 |
1348 |
|||||||||||||||||
|
Z4-200-42 |
804 |
1215 |
1396 |
|||||||||||||||||
|
Z4-225-11 |
356 |
701 |
149 |
75 |
140 |
20 |
79.5 |
75 |
140 |
20 |
79.5 |
225 |
19 |
440 |
474 |
398 |
981 |
1140 |
1605 |
20
|
|
Z4-225-12 |
761 |
1200 |
1665 |
|||||||||||||||||
|
Z4-225-21 |
751 |
1190 |
1655 |
|||||||||||||||||
|
Z4-225-22 |
811 |
1250 |
1715 |
|||||||||||||||||
|
Z4-225-31 |
811 |
1250 |
1715 |
|||||||||||||||||
|
Z4-225-32 |
871 |
1310 |
1775 |
|||||||||||||||||
|
Z4-250-11 |
406 |
715 |
168 |
85 |
170 |
22 |
90 |
75 |
140 |
20 |
79.5 |
250 |
24 |
490 |
524 |
432 |
1031 |
1225 |
1657 |
25 |
|
Z4-250-12 |
775 |
1285 |
1717 |
|||||||||||||||||
|
Z4-250-21 |
765 |
1275 |
1707 |
|||||||||||||||||
|
Z4-250-22 |
825 |
1335 |
1767 |
|||||||||||||||||
|
Z4-250-31 |
825 |
1335 |
1767 |
|||||||||||||||||
|
Z4-250-32 |
885 |
1395 |
1827 |
|||||||||||||||||
|
Z4-250-41 |
895 |
1405 |
1837 |
|||||||||||||||||
|
Z4-250-42 |
955 |
1465 |
1897 |
|||||||||||||||||
|
Z4-280-11 |
457 |
762 |
190 |
95 |
170 |
25 |
100 |
85 |
170 |
22 |
90 |
280 |
24 |
550 |
584 |
462 |
1130 |
1315 |
1748 |
25 |
|
Z4-280-12 |
852 |
1405 |
1838 |
|||||||||||||||||
|
Z4-280-21 |
822 |
1375 |
1808 |
|||||||||||||||||
|
Z4-280-22 |
912 |
1465 |
1898 |
|||||||||||||||||
|
Z4-280-31 |
892 |
1445 |
1878 |
|||||||||||||||||
|
Z4-280-32 |
982 |
1535 |
1968 |
|||||||||||||||||
|
Z4-280-41 |
972 |
1525 |
1958 |
|||||||||||||||||
|
Z4-280-42 |
1062 |
1615 |
2048 |
|||||||||||||||||
|
Z4-280-51 |
1062 |
1615 |
2048 |
|||||||||||||||||
|
Z4-280-52 |
1152 |
1705 |
2138 |
|||||||||||||||||
|
Z4-315-091 |
508 |
817 |
216 |
100 |
210 |
28 |
106 |
95 |
170 |
25 |
100 |
315 |
28 |
620 |
654 |
497 |
1221 |
1462 |
1827 |
30 |
|
Z4-315-092 |
907 |
1552 |
1917 |
|||||||||||||||||
|
Z4-315-11 |
887 |
1532 |
1897 |
|||||||||||||||||
|
Z4-315-12 |
977 |
1622 |
1987 |
|||||||||||||||||
|
Z4-315-21 |
967 |
1612 |
1977 |
|||||||||||||||||
|
Z4-315-22 |
1057 |
1702 |
2067 |
|||||||||||||||||
|
Z4-315-31 |
1057 |
1702 |
2067 |
|||||||||||||||||
|
Z4-315-32 |
1147 |
1792 |
2157 |
|||||||||||||||||
|
Z4-315-41 |
1157 |
1802 |
2167 |
|||||||||||||||||
|
Z4-315-42 |
1247 |
1892 |
2257 |
|||||||||||||||||
|
Z4-355-081 |
610 |
818 |
254 |
110 |
210 |
28 |
116 |
110 |
210 |
28 |
116 |
355 |
28 |
700 |
734 |
701 |
1301 |
1539 |
1860 |
30 |
|
Z4-355-082 |
908 |
1629 |
1950 |
|||||||||||||||||
|
Z4-355-091 |
888 |
1609 |
1930 |
|||||||||||||||||
|
Z4-355-092 |
978 |
1699 |
2020 |
|||||||||||||||||
|
Z4-355-11 |
968 |
1689 |
2010 |
|||||||||||||||||
|
Z4-355-12 |
1058 |
1779 |
2100 |
|||||||||||||||||
|
Z4-355-21 |
1058 |
1779 |
2100 |
|||||||||||||||||
|
Z4-355-22 |
1148 |
1869 |
2190 |
|||||||||||||||||
|
Z4-355-31 |
1158 |
1879 |
2200 |
|||||||||||||||||
|
Z4-355-32 |
1248 |
1969 |
2290 |
|||||||||||||||||
|
Z4-355-41 |
1268 |
1989 |
2310 |
|||||||||||||||||
|
Z4-355-42 |
1358 |
2079 |
2400 |
|||||||||||||||||
|
Z4-400-11 |
686 |
959 |
280 |
120 |
210 |
32 |
127 |
120 |
210 |
32 |
127 |
400 |
35 |
790 |
830 |
750 |
1620 |
1732 |
1817 |
35 |
|
Z4-400-12 |
1079 |
1852 |
1937 |
|||||||||||||||||
|
Z4-400-21 |
1039 |
1812 |
1897 |
|||||||||||||||||
|
Z4-400-22 |
1159 |
1932 |
2017 |
|||||||||||||||||
|
Z4-400-31 |
1129 |
1902 |
1987 |
|||||||||||||||||
|
Z4-400-32 |
1249 |
2022 |
2107 |
|||||||||||||||||
|
Z4-400-41 |
1229 |
2002 |
2087 |
|||||||||||||||||
|
Z4-400-42 |
1349 |
2122 |
2207 |
|||||||||||||||||
|
Z4-450-11 |
800 |
1061 |
315 |
140 |
250 |
36 |
148 |
140 |
250 |
36 |
148 |
450 |
35 |
890 |
924 |
800 |
1720 |
1944 |
2050 |
40 |
|
Z4-450-12 |
1181 |
2064 |
2070 |
|||||||||||||||||
|
Z4-450-21 |
1151 |
2034 |
2140 |
|||||||||||||||||
|
Z4-450-22 |
1271 |
2154 |
2260 |
|||||||||||||||||
|
Z4-450-31 |
1251 |
2134 |
2240 |
|||||||||||||||||
|
Z4-450-32 |
1371 |
160 |
300 |
40 |
169 |
2254 |
2360 |
|||||||||||||
|
Z4-450-41 |
1361 |
2294 |
2350 |
|||||||||||||||||
|
Z4-450-42 |
1481 |
2414 |
2470 |
|||||||||||||||||
|
Z4-450-51 |
1481 |
2414 |
2470 |
|||||||||||||||||
|
Z4-450-52 |
1601 |
2534 |
2590 |
|||||||||||||||||
|
注:所有型号均可带厂方出品的ZYS-A型直流测速发电机,此时电动机长度尺寸L要增300mm。 |
||||||||||||||||||||

