|
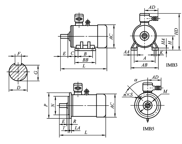
安装及外形尺寸 |
|||||||||||||||||||||||||||||||||||||||||
|
mm |
|||||||||||||||||||||||||||||||||||||||||
|
机座号 |
凸缘号 |
||||||||||||||||||||||||||||||||||||||||
|
IMB35 IMV1 |
IMB14 IMB34 |
A |
B |
C |
D |
E |
F |
G |
H |
K |
凸缘尺寸 |
||||||||||||||||||||||||||||||
|
极数 |
IMB35、IMB5、IMV1 |
||||||||||||||||||||||||||||||||||||||||
|
2极 |
≥4极 |
2极 |
≥4极 |
2极 |
≥4极 |
2极 |
≥4极 |
M |
N |
P |
R |
α |
n×S |
T |
|||||||||||||||||||||||||||
|
80 |
FF165 |
FF100 |
125 |
100 |
50 |
19 |
40 |
6 |
15.5 |
80 |
10 |
165 |
130 |
200 |
0 |
45° |
4×f 12 |
3.5 |
|||||||||||||||||||||||
|
90S |
FF165 |
FF115 |
140 |
100 |
56 |
24 |
50 |
8 |
20 |
90 |
10 |
165 |
130 |
200 |
0 |
45° |
4×f 12 |
3.5 |
|||||||||||||||||||||||
|
90L |
FF165 |
FF115 |
140 |
125 |
56 |
24 |
50 |
8 |
20 |
90 |
10 |
165 |
130 |
200 |
0 |
45° |
4×f 12 |
3.5 |
|||||||||||||||||||||||
|
100L |
FF215 |
FF130 |
160 |
140 |
63 |
28 |
60 |
8 |
24 |
100 |
12 |
215 |
180 |
250 |
0 |
45° |
4×f 15 |
4.0 |
|||||||||||||||||||||||
|
112M |
FF215 |
FF130 |
190 |
140 |
70 |
28 |
60 |
8 |
24 |
112 |
12 |
215 |
180 |
250 |
0 |
45° |
4×f 15 |
4.0 |
|||||||||||||||||||||||
|
132S |
FF265 |
— |
216 |
140 |
89 |
38 |
80 |
10 |
33 |
132 |
12 |
265 |
230 |
300 |
0 |
45° |
4×f 15 |
4.0 |
|||||||||||||||||||||||
|
132M |
FF265 |
— |
216 |
178 |
89 |
38 |
80 |
10 |
33 |
132 |
12 |
265 |
230 |
300 |
0 |
45° |
4×f 15 |
4.0 |
|||||||||||||||||||||||
|
160M |
FF300 |
— |
254 |
210 |
108 |
42 |
110 |
12 |
37 |
160 |
15 |
300 |
250 |
350 |
0 |
45° |
4×f 19 |
5.0 |
|||||||||||||||||||||||
|
160L |
FF300 |
— |
254 |
254 |
108 |
42 |
110 |
12 |
37 |
160 |
15 |
300 |
250 |
350 |
0 |
45° |
4×f 19 |
5.0 |
|||||||||||||||||||||||
|
180M |
FF300 |
— |
279 |
241 |
121 |
48 |
110 |
14 |
42.5 |
180 |
15 |
300 |
250 |
350 |
0 |
45° |
4×f 19 |
5.0 |
|||||||||||||||||||||||
|
180L |
FF300 |
— |
279 |
279 |
121 |
48 |
110 |
14 |
42.5 |
180 |
15 |
300 |
250 |
350 |
0 |
45° |
4×f 19 |
5.0 |
|||||||||||||||||||||||
|
200L |
FF350 |
— |
318 |
305 |
133 |
55 |
110 |
16 |
49 |
200 |
19 |
350 |
300 |
400 |
0 |
45° |
4×f 19 |
5.0 |
|||||||||||||||||||||||
|
225S |
FF400 |
— |
356 |
286 |
149 |
55 |
60 |
110 |
140 |
16 |
18 |
49 |
53 |
225 |
19 |
400 |
350 |
450 |
0 |
22.5° |
8×f 19 |
5.0 |
|||||||||||||||||||
|
225M |
FF400 |
— |
356 |
311 |
149 |
55 |
60 |
110 |
140 |
16 |
18 |
49 |
53 |
225 |
19 |
400 |
350 |
450 |
0 |
22.5° |
8×f 19 |
5.0 |
|||||||||||||||||||
|
250M |
FF500 |
— |
406 |
349 |
168 |
60 |
65 |
140 |
140 |
18 |
18 |
53 |
58 |
250 |
24 |
500 |
450 |
550 |
0 |
22.5° |
8×f 19 |
5.0 |
|||||||||||||||||||
|
280S |
FF500 |
— |
457 |
368 |
190 |
65 |
75 |
140 |
140 |
18 |
20 |
58 |
67.5 |
280 |
24 |
500 |
450 |
550 |
0 |
22.5° |
8×f 19 |
5.0 |
|||||||||||||||||||
|
280M |
FF500 |
— |
457 |
419 |
190 |
65 |
75 |
140 |
140 |
18 |
20 |
58 |
67.5 |
280 |
24 |
500 |
450 |
550 |
0 |
22.5° |
8×f 19 |
5.0 |
|||||||||||||||||||
|
315S |
FF600 |
— |
508 |
406 |
216 |
65 |
80 |
140 |
170 |
18 |
22 |
58 |
71 |
315 |
28 |
600 |
550 |
660 |
0 |
22.5° |
8×f 24 |
6.0 |
|||||||||||||||||||
|
315M |
FF600 |
— |
508 |
457 |
216 |
65 |
80 |
140 |
170 |
18 |
22 |
58 |
71 |
315 |
28 |
600 |
550 |
660 |
0 |
22.5° |
8×f 24 |
6.0 |
|||||||||||||||||||
|
315L |
FF600 |
— |
508 |
508 |
216 |
65 |
80 |
140 |
170 |
18 |
22 |
58 |
71 |
315 |
28 |
600 |
550 |
660 |
0 |
22.5° |
8×f 24 |
6.0 |
|||||||||||||||||||
|
355M |
FF740 |
— |
610 |
560 |
254 |
75 |
95 |
140 |
170 |
20 |
25 |
67.5 |
86 |
355 |
28 |
740 |
680 |
800 |
0 |
22.5° |
8×f 24 |
6.0 |
|||||||||||||||||||
|
355L |
FF740 |
— |
610 |
630 |
254 |
75 |
95 |
140 |
170 |
20 |
25 |
67.5 |
86 |
355 |
28 |
740 |
680 |
800 |
0 |
22.5° |
8×f 24 |
6.0 |
|||||||||||||||||||
|
400L |
FF740 |
— |
686 |
710 |
280 |
80 |
100 |
— |
210 |
— |
28 |
— |
90 |
400 |
35 |
940 |
680 |
1000 |
0 |
22.5° |
8×f 28 |
6.0 |
|||||||||||||||||||
|
机座号 |
凸缘号 |
||||||||||||||||||||||||||||||||||||||||
|
凸缘尺寸 |
进线口 管螺纹 |
AA |
AB |
AC |
AD |
BB |
HA |
HD |
LA |
L |
|||||||||||||||||||||||||||||||
|
IMB14、IMB34 |
2极 |
≥4极 |
|||||||||||||||||||||||||||||||||||||||
|
M |
N |
P |
R |
α |
n×S |
T |
单口 |
双口 |
其他 |
V1 |
其他 |
V1 |
|||||||||||||||||||||||||||||
|
80 |
100 |
80 |
120 |
0 |
45° |
4×M6 |
3.0 |
M24×1.5 |
— |
34 |
165 |
165 |
155 |
135 |
10 |
230 |
15 |
330 |
375 |
330 |
375 |
||||||||||||||||||||
|
90S |
115 |
95 |
140 |
0 |
45° |
4×M8 |
3.0 |
M24×1.5 |
— |
36 |
180 |
180 |
155 |
135 |
14 |
240 |
15 |
360 |
405 |
360 |
405 |
||||||||||||||||||||
|
90L |
115 |
95 |
140 |
0 |
45° |
4×M8 |
3.0 |
M24×1.5 |
— |
36 |
180 |
180 |
155 |
160 |
14 |
240 |
15 |
385 |
430 |
385 |
430 |
||||||||||||||||||||
|
100L |
130 |
110 |
160 |
0 |
45° |
4×M8 |
3.5 |
M24×1.5 |
— |
40 |
205 |
200 |
155 |
180 |
14 |
270 |
18 |
430 |
485 |
430 |
485 |
||||||||||||||||||||
|
112M |
130 |
110 |
160 |
0 |
45° |
4×M8 |
3.5 |
M24×1.5 |
— |
50 |
245 |
225 |
155 |
185 |
16 |
300 |
18 |
460 |
520 |
460 |
520 |
||||||||||||||||||||
|
132S |
— |
— |
— |
— |
— |
— |
— |
M24×1.5 |
— |
60 |
280 |
265 |
155 |
242 |
18 |
340 |
20 |
550 |
630 |
550 |
630 |
||||||||||||||||||||
|
132M |
— |
— |
— |
— |
— |
— |
— |
M24×1.5 |
— |
60 |
280 |
265 |
155 |
242 |
18 |
340 |
20 |
550 |
630 |
550 |
630 |
||||||||||||||||||||
|
160M |
— |
— |
— |
— |
— |
— |
— |
M36×2 |
— |
70 |
330 |
320 |
190 |
275 |
20 |
420 |
20 |
670 |
730 |
655 |
730 |
||||||||||||||||||||
|
160L |
— |
— |
— |
— |
— |
— |
— |
M36×2 |
— |
70 |
330 |
320 |
190 |
320 |
20 |
420 |
20 |
710 |
770 |
695 |
770 |
||||||||||||||||||||
|
180M |
— |
— |
— |
— |
— |
— |
— |
M36×2 |
— |
70 |
355 |
360 |
190 |
325 |
22 |
470 |
20 |
730 |
800 |
730 |
800 |
||||||||||||||||||||
|
180L |
— |
— |
— |
— |
— |
— |
— |
M36×2 |
— |
70 |
355 |
360 |
190 |
365 |
22 |
470 |
20 |
750 |
820 |
750 |
820 |
||||||||||||||||||||
|
200L |
— |
— |
— |
— |
— |
— |
— |
M48×2 |
M48×2 |
70 |
395 |
400 |
240 |
385 |
25 |
525 |
22 |
810 |
880 |
810 |
880 |
||||||||||||||||||||
|
225S |
— |
— |
— |
— |
— |
— |
— |
M48×2 |
M48×2 |
75 |
435 |
450 |
240 |
375 |
28 |
590 |
22 |
845 |
915 |
845 |
915 |
||||||||||||||||||||
|
225M |
— |
— |
— |
— |
— |
— |
— |
M48×2 |
M48×2 |
75 |
435 |
450 |
240 |
400 |
28 |
590 |
22 |
870 |
910 |
870 |
940 |
||||||||||||||||||||
|
250M |
— |
— |
— |
— |
— |
— |
— |
M64×2 |
M48×2 |
80 |
490 |
500 |
255 |
430 |
30 |
650 |
25 |
975 |
1025 |
935 |
1075 |
||||||||||||||||||||
|
280S |
— |
— |
— |
— |
— |
— |
— |
M64×2 |
M48×2 |
85 |
550 |
560 |
255 |
505 |
35 |
710 |
25 |
1060 |
1170 |
1060 |
1170 |
||||||||||||||||||||
|
280M |
— |
— |
— |
— |
— |
— |
— |
M64×2 |
M48×2 |
85 |
550 |
560 |
255 |
505 |
35 |
750 |
25 |
1080 |
1170 |
1060 |
1170 |
||||||||||||||||||||
|
315S |
— |
— |
— |
— |
— |
— |
— |
M85×3 |
M64×2 |
120 |
630 |
630 |
400 |
525 |
32 |
1000 |
28 |
1315 |
1415 |
1180 |
1280 |
||||||||||||||||||||
|
315M |
— |
— |
— |
— |
— |
— |
— |
M85×3 |
M64×2 |
120 |
630 |
630 |
400 |
580 |
32 |
1000 |
28 |
1405 |
1505 |
1290 |
1390 |
||||||||||||||||||||
|
315L |
— |
— |
— |
— |
— |
— |
— |
M85×3 |
M64×2 |
120 |
630 |
630 |
400 |
710 |
32 |
1000 |
28 |
1525 |
1625 |
1410 |
1510 |
||||||||||||||||||||
|
355M |
— |
— |
— |
— |
— |
— |
— |
M85×3 |
M64×2 |
150 |
760 |
710 |
400 |
700 |
35 |
1090 |
30 |
1510 |
1610 |
1450 |
1550 |
||||||||||||||||||||
|
355L |
— |
— |
— |
— |
— |
— |
— |
M85×3 |
M64×2 |
150 |
760 |
710 |
400 |
800 |
35 |
1090 |
30 |
1665 |
1765 |
1560 |
1660 |
||||||||||||||||||||
|
400L |
— |
— |
— |
— |
— |
— |
— |
M85×3 |
M64×2 |
160 |
800 |
800 |
400 |
830 |
38 |
1160 |
36 |
— |
— |
— |
— |
||||||||||||||||||||
|
注:本系列电动机安装尺寸对于ExeⅡT1、ExeⅡT2组与Y系列相同;对ExeⅡT3组的2极电动机从机座号160起,4极电动机从机座号外形尺寸180起,较Y系列电动机降低一功率等级,其余功率等级的尺寸与Y系列尺寸一致。 |
|||||||||||||||||||||||||||||||||||||||||


