|
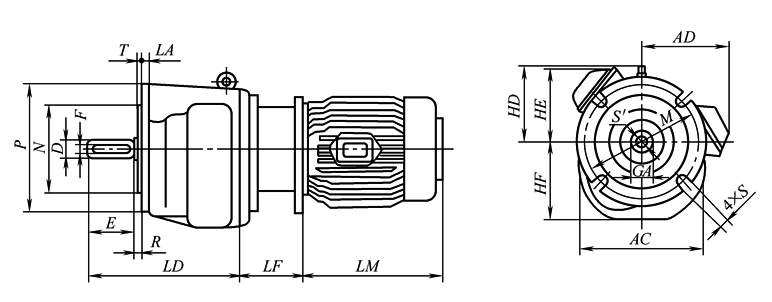
YCJ派生系列外形及安装尺寸(凸缘安装、附加一级减速)(JB/T 6447—1992) mm |
|||||||||||||||||
|
|
|||||||||||||||||
|
机座号 |
安装尺寸 |
外形尺寸 |
|||||||||||||||
|
D |
E |
F |
M |
N |
P |
R |
S |
T |
S′ |
AC |
GA |
HD |
HF |
LA |
LD |
LF |
|
|
120F |
25 |
60 |
8 |
130 |
110 |
160 |
8 |
10 |
3.5 |
M8 |
192 |
28 |
— |
118 |
14 |
217 |
— |
|
130F |
30 |
80 |
8 |
165 |
130 |
200 |
8 |
12 |
3.5 |
M8 |
186 |
33 |
— |
128 |
14 |
250 |
— |
|
140F |
35 |
80 |
10 |
215 |
180 |
250 |
8 |
14 |
4 |
M10 |
220 |
38 |
146 |
138 |
14 |
260 |
— |
|
150F |
40 |
110 |
12 |
215 |
180 |
250 |
8 |
14 |
4 |
M16 |
224 |
43 |
148 |
148 |
14 |
324 |
— |
|
170F |
45 |
110 |
14 |
215 |
180 |
250 |
8 |
14 |
4 |
M16 |
268 |
48.5 |
180 |
167 |
16 |
344 |
— |
|
190F |
50 |
110 |
14 |
265 |
230 |
300 |
8 |
14 |
4 |
M16 |
311 |
53.5 |
181 |
187 |
20 |
381 |
— |
|
195F |
55 |
110 |
16 |
265 |
230 |
300 |
8 |
14 |
4 |
M16 |
333 |
59 |
195 |
192 |
20 |
324 |
— |
|
195AF |
55 |
110 |
16 |
265 |
230 |
300 |
8 |
14 |
4 |
M16 |
333 |
59 |
195 |
192 |
20 |
380 |
— |
|
210F |
65 |
140 |
18 |
300 |
250 |
350 |
8 |
18 |
5 |
M16 |
385 |
69 |
205 |
207 |
20 |
436 |
— |
|
150LF |
40 |
110 |
12 |
215 |
180 |
250 |
8 |
14 |
4 |
M16 |
224 |
43 |
148 |
148 |
14 |
324 |
96 |
|
170LF |
45 |
110 |
14 |
215 |
180 |
250 |
8 |
14 |
4 |
M16 |
268 |
48.5 |
180 |
167 |
16 |
344 |
96 |
|
190LF |
50 |
110 |
14 |
265 |
230 |
300 |
8 |
14 |
4 |
M16 |
311 |
53.5 |
181 |
187 |
20 |
381 |
96 |
|
注:配用电动机尺寸见表配用电动机尺寸。 |
|||||||||||||||||

