|
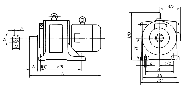
安装及外形尺寸(JB/T 6450—1992) mm |
||||||||||||||||||
|
|
||||||||||||||||||
|
机座号 |
安 装 尺 寸 |
外 形 尺 寸 |
||||||||||||||||
|
A |
A/2 |
WB |
WC |
D |
E |
F |
G |
H |
K |
AB |
AC |
AD |
HD |
L |
||||
|
100-4A 100-4B |
160 |
80 |
203 |
40 |
±1.5 |
19j6 |
40 |
±0.31 |
6 |
15.5 |
100 |
0 -0.5 |
12 |
210 |
225 |
150 |
260 |
530 |
|
112-4A 112-4B |
190 |
95 |
228 |
45 |
24j6 |
50 |
8 |
20 |
112 |
250 |
275 |
165 |
285 |
660 |
||||
|
132-4A 132-4B 132-4C |
215 |
107.5 |
267 |
28j6 |
60 |
±0.37 |
24 |
132 |
310 |
330 |
195 |
365 |
730 |
|||||
|
160-4A 160-4B |
279 |
139.5 |
305 |
70 |
±2.0 |
38k6 |
80 |
10 |
33 |
160 |
15 |
380 |
400 |
235 |
435 |
900 |
||
|
180-4A 180-4B |
318 |
159 |
368 |
42k6 |
110 |
±0.43 |
12 |
37 |
180 |
430 |
450 |
270 |
490 |
1080 |
||||
|
200-4A 200-4B |
356 |
178 |
457 |
89 |
48k6 |
110 |
14 |
42.5 |
200 |
19 |
500 |
520 |
295 |
540 |
1190 |
|||
|
225-4A |
406 |
203 |
500 |
55m6 |
110 |
16 |
49 |
225 |
530 |
550 |
320 |
580 |
1290 |
|||||
|
250-4A 250-4B |
406 |
203 |
457 |
60m6 |
140 |
±0.50 |
18 |
53 |
250 |
24 |
530 |
550 |
350 |
600 |
1480 |
|||
|
280-4A |
457 |
228.5 |
508 |
65m6 |
140 |
58 |
280 |
0 -1.0 |
580 |
610 |
390 |
665 |
1520 |
|||||
|
315-4A 315-4B |
508 |
254 |
560 |
75m6 |
140 |
20 |
61.5 |
315 |
28 |
650 |
690 |
420 |
790 |
1970 |
||||

